Operation CHARM: Car repair manuals for everyone.
Manuals through 2025 now available!

Our trusted friends have launched a new website named LEMON, which has newer manuals. It also contains all the CHARM manuals.

LEMON is the spiritual successor to CHARM, I recommend you try it!

Link: lemon-manuals.la or lemon-manuals.org.ua

(Some people have issue connecting. LEMON is investigating. For now, use Firefox or change your DNS server)

Or, hide this message: temporarily or permanently

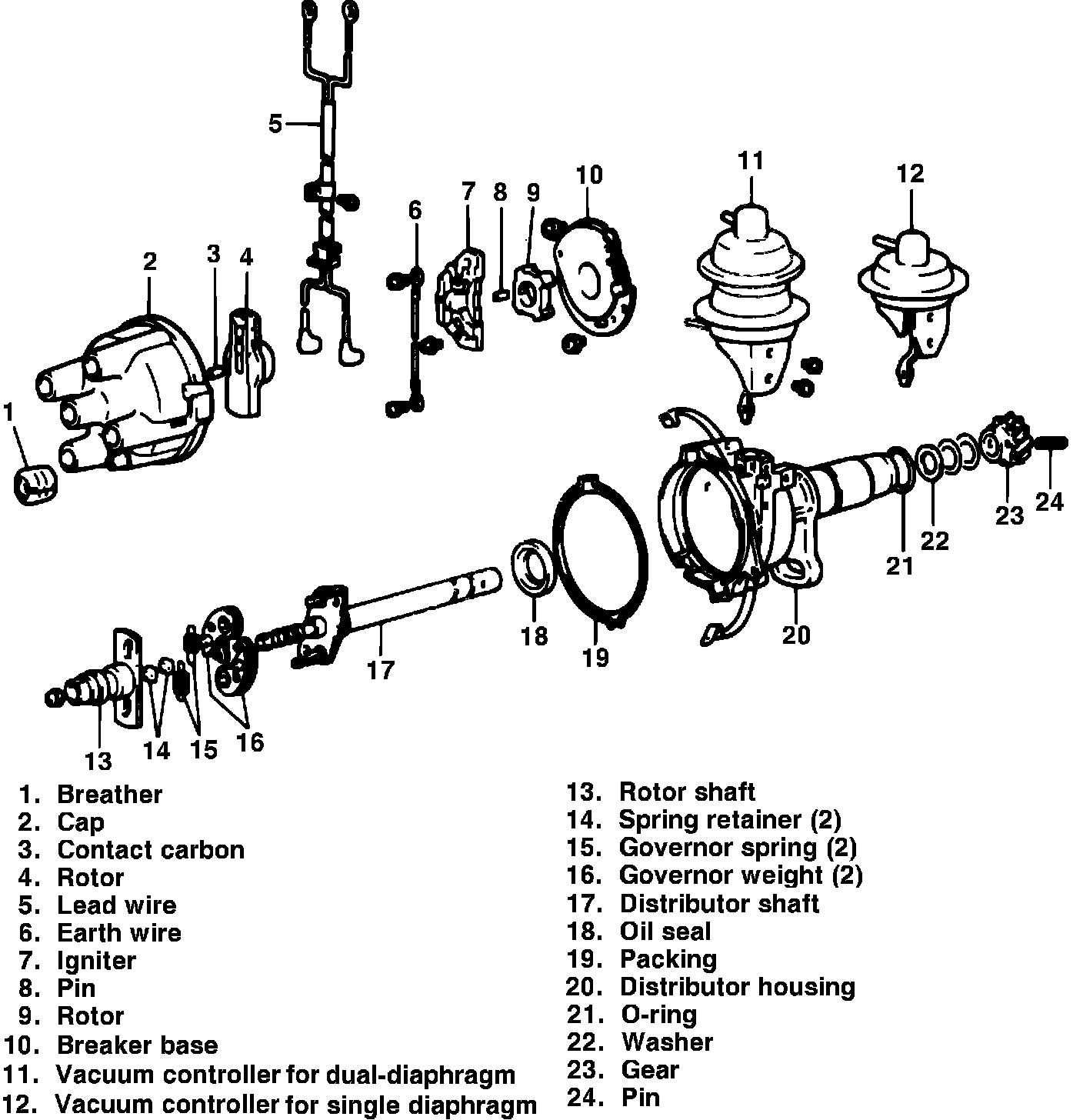
Distributor Service

Fig. 9 Distributor disassembled view.:




Fig. 10 Distributor disassembled view.:





Disassembly
Refer to Figs. 9 and 10 distributor disassembled view and proceed as follows:
1. Remove distributor from engine as described under ``Distributor, Replace.''
2. Gently place distributor assembly into a soft jawed vise.
3. Remove distributor cap from distributor.
4. Pull rotor from rotor shaft, then, on 1986 Galant, remove unit attaching screws and unit.
5. Remove vacuum controller attaching screws.
6. Remove link from vacuum control pin on bracket base.
7. Remove vacuum controller.
8. Remove screws and igniter.
9. Remove black lead wire.
10. Remove signal rotor shaft attaching screw, then the 2 breaker plate retaining screws.
11. Remove signal rotor shaft and breaker plate assembly.
12. Remove signal rotor shaft from signal rotor.
13. Using suitable pliers, remove governor spring retainers and governor springs.
14. Remove governor weights.
15. Mark location of drive gear on distributor shaft. Do not use a sharp tool to mark location of drive gear on distributor shaft.
16. Place drive gear end of distributor shaft on a soft surface and remove drive gear roll pin.
17. Remove drive gear and washer.
18. Remove distributor shaft from housing.


Fig. 11 Positioning breaker plate assembly:





Assembly
1. Thoroughly clean and inspect all distributor components.
2. Install distributor shaft into housing.
3. Install drive gear into distributor shaft at previously marked position, then drive roll pin into position.
4. Install governor weights onto governor plate.
5. Install governor springs and spring retainer.
6. Install signal rotor shaft into distributor shaft.
7. Install breaker plate onto housing. Position breaker plate so that projection A fits into groove B, Fig. 11.
8. Tighten breaker plate retaining screws.
9. Install signal rotor onto rotor shaft.
10. Install igniter onto breaker plate. Install retaining screws.
11. Connect one end of lead wire to igniter attaching screw and other end onto breaker plate.
12. Adjust air gap between signal rotor and igniter pickup. Air gap should be .031 inch.
13. Connect vacuum control link onto breaker plate, then tighten vacuum controller attaching screws.
14. On 1986 Galant, install unit and unit attaching screws.
15. On all models, install rotor onto rotor shaft.
16. Install distributor cap.