Operation CHARM: Car repair manuals for everyone.
Manuals through 2025 now available!

Our trusted friends have launched a new website named LEMON, which has newer manuals. It also contains all the CHARM manuals.

LEMON is the spiritual successor to CHARM, I recommend you try it!

Link: lemon-manuals.la or lemon-manuals.org.ua

(Some people have issue connecting. LEMON is investigating. For now, use Firefox or change your DNS server)

Or, hide this message: temporarily or permanently

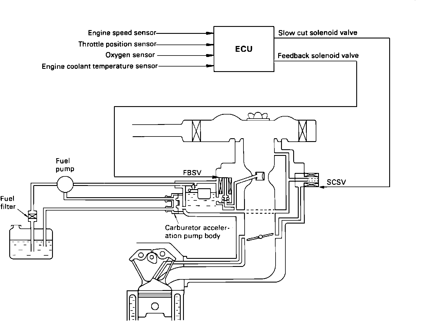
Computers and Control Systems: Description and Operation

Feedback Carburetor (FBC) System:





The Feedback carburetor (FBC) system provides a positive air-fuel ratio control for maximum reduction of emissions. The Electronic Control Unit (ECU) receives signals from various sensors and then modulates two solenoid valves (FBSV, SCSV) installed on the carburetor to control the air-fuel ratio. The ECU also controls the electric choke and throttle opener by switching on/off the related circuits. For a more detailed description refer to COMPONENT OPERATIONS.