Operation CHARM: Car repair manuals for everyone.
Manuals through 2025 now available!

Our trusted friends have launched a new website named LEMON, which has newer manuals. It also contains all the CHARM manuals.

LEMON is the spiritual successor to CHARM, I recommend you try it!

Link: lemon-manuals.la or lemon-manuals.org.ua

(Some people have issue connecting. LEMON is investigating. For now, use Firefox or change your DNS server)

Or, hide this message: temporarily or permanently

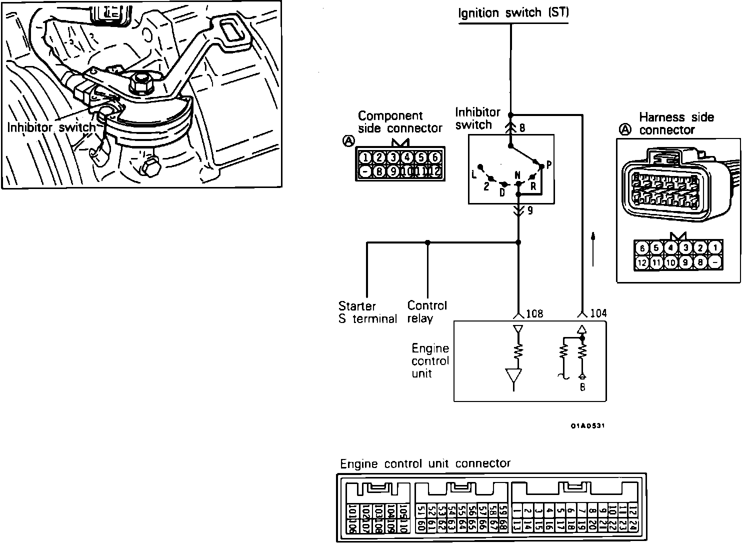
Ignition Switch: Testing and Inspection

System Schematic:






The Ignition Switch allows current to the starting circuit and ECU pin 108 when the Inhibitor Switch is positioned in Neutral or Park. Based on this signal, the ECU controls the fuel and ignition for starting and monitors the engine speed signal. When engine speed is reduced at idle due to transmission load, the ECU operates the Idle Speed Control (ISC) servo to maintain the optimum idle speed.


To test the Gear Selector Position Switch remove the connector and test for continuity across terminals 8 and 9. With the gear selector in park or neutral there should be no continuity, in any other gear position there should be continuity. If there is no continuity in neutral or park, check the adjustment and adjust the switch until continuity is obtained in neutral and park. If continuity can not be obtained by adjustment, the switch is defective and must be replaced.


HARNESS TEST

1. With the transmission shift indicator in park or neutral, disconnect the ECU connector and the inhibitor connector and Turn the ignition to start.

2. Using a voltmeter, measure the power supply voltage of the inhibitor switch, between the inhibitor harness connector terminal 8 and ground.

Voltage: System Voltage.

3. Turn off the ignition and reconnect the ECU connector and Turn the ignition on. Using a voltmeter, measure the inhibitor terminal input voltage, between the inhibitor harness connector terminal 8 and ground.

Voltage: System Voltage.

4. With the transmission shift indicator in park, turn off the ignition and reconnect the inhibitor connector and disconnect the ECU connector. Turn the ignition to start and measure the input voltage between the ECU harness connector terminal 108 and ground.

Voltage: 8 Or More Volts.


If any of the previous tests produce unsatisfactory results, the harness will need to be repaired or replaced. Once repairs have been completed, road test the vehicle to confirm that the repair has corrected the problem.

If the same problem reoccurs, it is possible that there is an intermittent failure of the component or the ECU. Check for looseness at all harness junctions and test for an intermittent failure.