Operation CHARM: Car repair manuals for everyone.
Manuals through 2025 now available!

Our trusted friends have launched a new website named LEMON, which has newer manuals. It also contains all the CHARM manuals.

LEMON is the spiritual successor to CHARM, I recommend you try it!

Link: lemon-manuals.la or lemon-manuals.org.ua

(Some people have issue connecting. LEMON is investigating. For now, use Firefox or change your DNS server)

Or, hide this message: temporarily or permanently

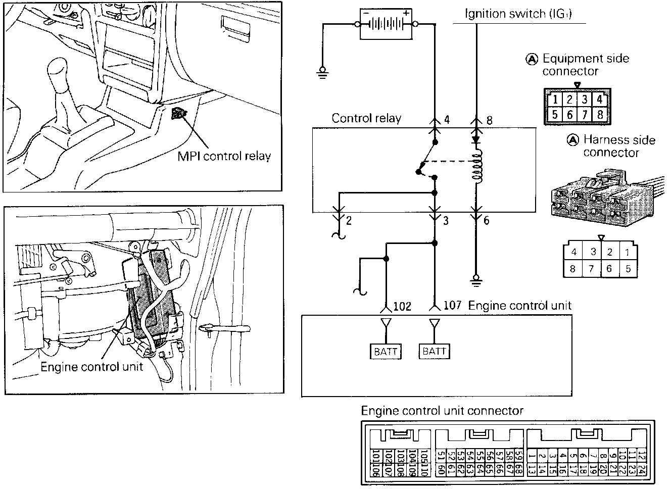
ECU Power Supply

POWER SUPPLY





OPERATION
^ While the ignition switch is on, battery power is supplied to the engine control unit, the injector, the air flow sensor, etc.

^ When the ignition switch is turned on, current flows from the ignition switch through the control relay coil to ground. This turns on the control relay switch and power is supplied from the battery through the control relay switch to the engine control unit.

Inspection Using Multi-use Tester






Harness Inspection