Operation CHARM: Car repair manuals for everyone.
Manuals through 2025 now available!

Our trusted friends have launched a new website named LEMON, which has newer manuals. It also contains all the CHARM manuals.

LEMON is the spiritual successor to CHARM, I recommend you try it!

Link: lemon-manuals.la or lemon-manuals.org.ua

(Some people have issue connecting. LEMON is investigating. For now, use Firefox or change your DNS server)

Or, hide this message: temporarily or permanently

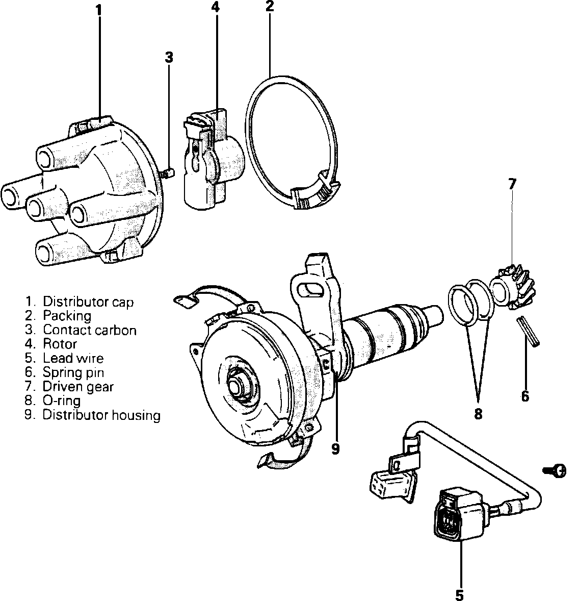
Distributor Cap: Testing and Inspection


Distributor Components:





1. Remove the clips securing the cap to the distributor.
2. Remove the ignition wires from the cap.
3. Inspect the cap for cracks or damage due to heat or arcing.
4. Inspect the terminals inside the cap for excessive corrosion and damage.
5. Inspect the ignition wire terminals for excessive corrosion.
6. Inspect the distributor cap for continuity between the terminals.
Continuity:
Should not exist
7. Inspect the distributor cap for continuity between the input and output side of each terminal.
Continuity:
Should exist

NOTE: If the corrosion cannot be removed with reasonable measures, or the cap fails any of the above tests replace the cap.