Operation CHARM: Car repair manuals for everyone.
Manuals through 2025 now available!

Our trusted friends have launched a new website named LEMON, which has newer manuals. It also contains all the CHARM manuals.

LEMON is the spiritual successor to CHARM, I recommend you try it!

Link: lemon-manuals.la or lemon-manuals.org.ua

(Some people have issue connecting. LEMON is investigating. For now, use Firefox or change your DNS server)

Or, hide this message: temporarily or permanently

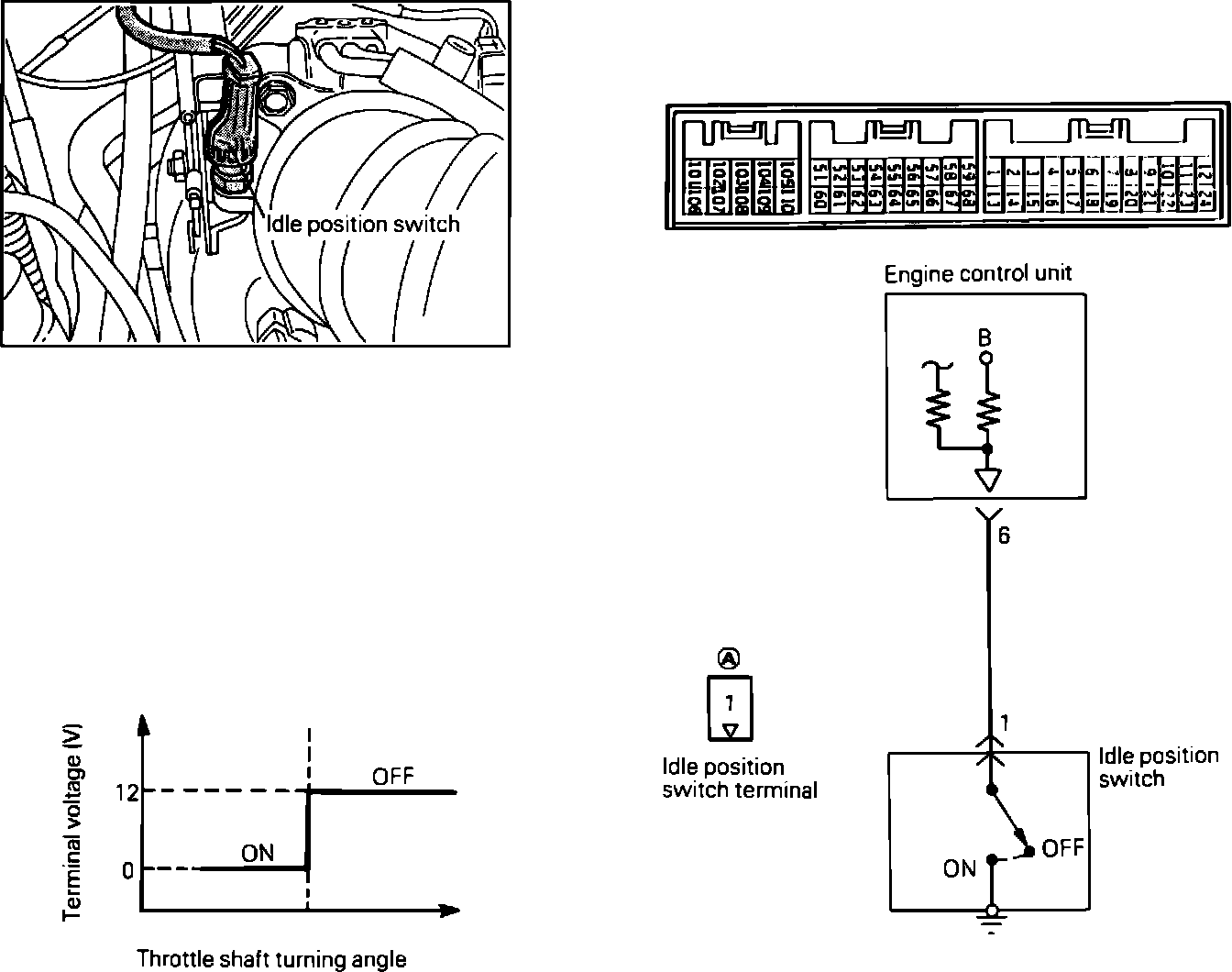
Throttle Full Close Switch: Testing and Inspection

Idle Position Switch Circuit:





To test the Idle Switch, located on the throttle body, proceed as follows.

COMPONENT TEST
1. Disconnect the idle switch connector.
2. With the throttle closed, use an ohm meter and check for continuity between terminal 1 and ground.

Continuity
Should exist.

3. Open the throttle approximately 50%, use an ohm meter and check for continuity between terminal 1 and ground.

Continuity
Should not exist.

HARNESS TEST:
1. Disconnect the idle switch connector and turn the key to the ON position.
2. Using a voltmeter, check the voltage between the harness connector terminal 1 and ground.

Voltage:
4 - 5 volts.

3. Turn the key OFF, disconnect the negative battery cable and the ECU Connector.
4. Using an ohm meter, check for continuity between ECU harness terminal 6 and idle position switch harness terminal 1.

Continuity
Should exist.

5. Using an ohm meter, check for continuity between ECU harness terminal 6 and ground.

Continuity
Should not exist.


If any of the previous tests produce unsatisfactory results, the harness will need to be repaired or replaced. Once repairs have been completed, road test the vehicle to confirm that the repair has corrected the problem.
If the same problem reoccurs, it is possible that there is an intermittent failure of the component or the ECU. Check for looseness at all harness junctions and test for an intermittent failure.