Operation CHARM: Car repair manuals for everyone.
Manuals through 2025 now available!

Our trusted friends have launched a new website named LEMON, which has newer manuals. It also contains all the CHARM manuals.

LEMON is the spiritual successor to CHARM, I recommend you try it!

Link: lemon-manuals.la or lemon-manuals.org.ua

(Some people have issue connecting. LEMON is investigating. For now, use Firefox or change your DNS server)

Or, hide this message: temporarily or permanently

Heater Core: Service and Repair

1. Disconnect battery ground cable.
2. Drain cooling system.
3. Disconnect heater hoses from heater core.
4. On models equipped with A/C, disconnect evaporator drain hose.
5. Discharge refrigerant from system, then disconnect suction and liquid lines from evaporator.
6. On all models, remove console assembly.
7. Remove glove box, main lower crash pad and lower crash pad center fascia panel assembly.
8. Remove heater control assembly.
9. Remove lower crash pad center skin.
10. Remove crash pad center support.
11. On models equipped with A/C, remove evaporator assembly. Refer to procedure outlined under EVAPORATOR CORE.
12. On all models, remove rear heating joint duct.
13. Remove heater unit assembly from vehicle.

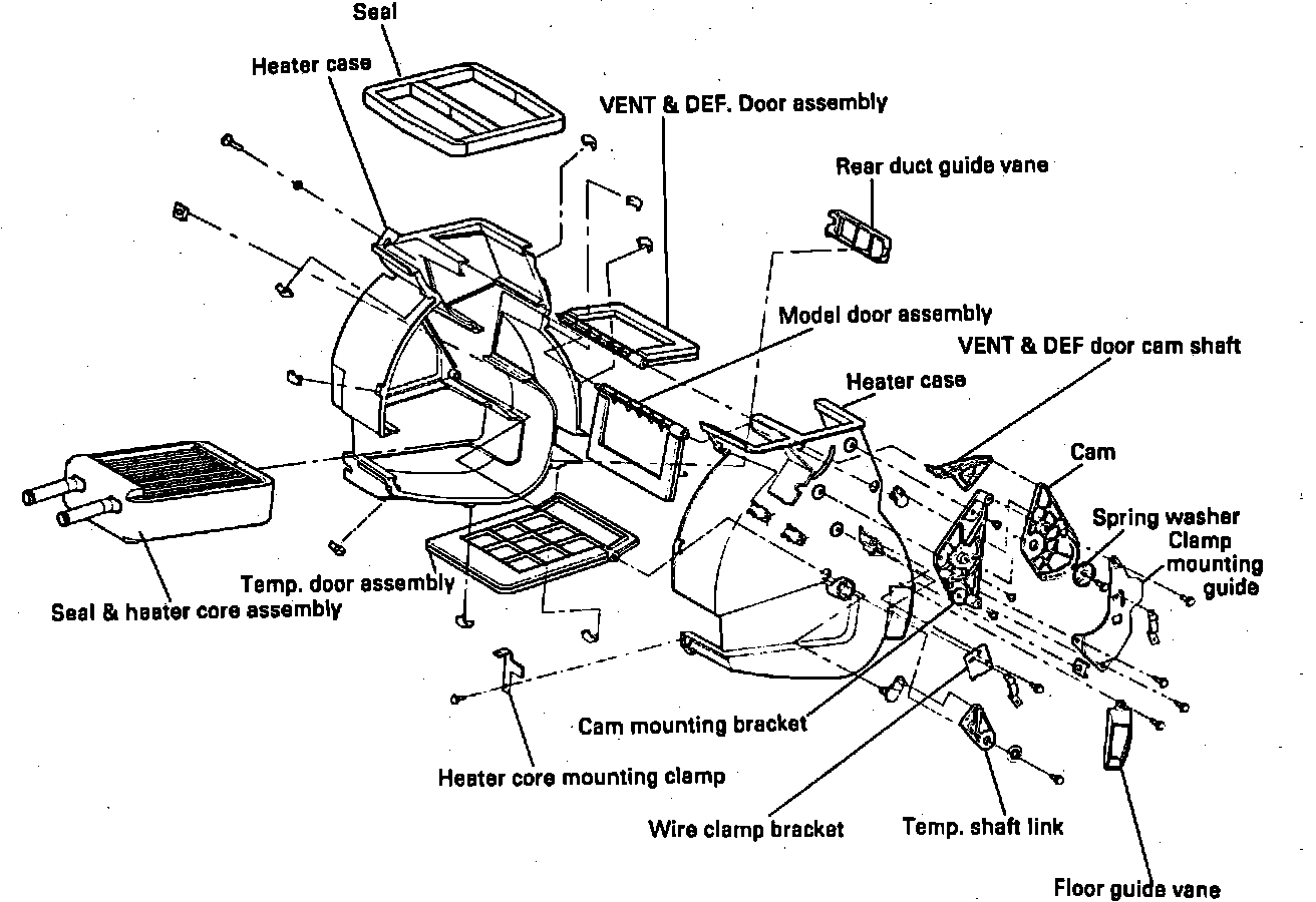
Fig. 17 Heater Unit (Vacuum Type):




Fig. 18 Heater Unit (Lever Type):





14. Remove heater core from heater case, Figs. 17 and 18.
15. Reverse procedure to install.