Operation CHARM: Car repair manuals for everyone.
Manuals through 2025 now available!

Our trusted friends have launched a new website named LEMON, which has newer manuals. It also contains all the CHARM manuals.

LEMON is the spiritual successor to CHARM, I recommend you try it!

Link: lemon-manuals.la or lemon-manuals.org.ua

(Some people have issue connecting. LEMON is investigating. For now, use Firefox or change your DNS server)

Or, hide this message: temporarily or permanently

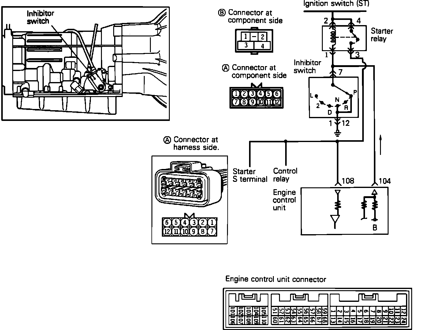
Transmission Position Sensor/Switch: Description and Operation

Start - Inhibitor Switch Circuit:





The inhibitor switch, located on the transmission, detects whether the transmission is positioned in park or neutral. Based on this signal, the ECU senses the automatic transmission load and operates the Idle Speed Control (ISC) servo to keep the optimum idle speed.