Operation CHARM: Car repair manuals for everyone.
Manuals through 2025 now available!

Our trusted friends have launched a new website named LEMON, which has newer manuals. It also contains all the CHARM manuals.

LEMON is the spiritual successor to CHARM, I recommend you try it!

Link: lemon-manuals.la or lemon-manuals.org.ua

(Some people have issue connecting. LEMON is investigating. For now, use Firefox or change your DNS server)

Or, hide this message: temporarily or permanently

Federal








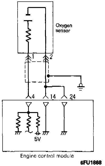
CIRCUIT DIAGRAM





INSPECTION USING SCAN TOOL








HARNESS INSPECTION PROCEDURE

COMPONENT TEST PROCEDURE

CAUTION: Before checking, warm up the engine until engine coolant temperature reaches 85 to 95°C (185 to 203°F). Use an accurate digital voltmeter.

1 Disconnect the oxygen sensor connector and connect a volt-meter to the oxygen sensor connector.
2 While repeating engine racing, measure the oxygen sensor output voltage.

Output Voltage, Engine Racing: 0.6 - 1.0 Volts

TROUBLESHOOTING HINTS
- The exhaust gas purification performance will worsen if there is a malfunction of the heated oxygen sensor .
- If the heated oxygen sensor output voltage deviates from the standard value even though the results of the checking of the heated oxygen sensor are normal, the cause is probably a malfunction of a component related to mixture control.
[Examples]
- Malfunction of an injector.
- Air leakage into the intake manifold from a leaking gasket.
- Malfunction of the volume air flow sensor, the intake air temperature sensor, the barometric pressure sensor, or the engine coolant temperature sensor .