Operation CHARM: Car repair manuals for everyone.
Manuals through 2025 now available!

Our trusted friends have launched a new website named LEMON, which has newer manuals. It also contains all the CHARM manuals.

LEMON is the spiritual successor to CHARM, I recommend you try it!

Link: lemon-manuals.la or lemon-manuals.org.ua

(Some people have issue connecting. LEMON is investigating. For now, use Firefox or change your DNS server)

Or, hide this message: temporarily or permanently

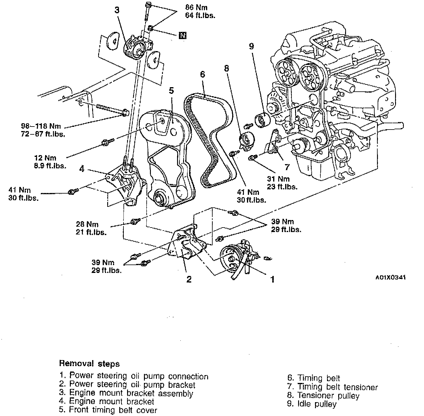
Timing Belt: Service and Repair





REMOVAL SERVICE POINTS
1. Remove crankshaft pulley.
2. Follow removal procedure outlined in illustration, noting the following.

NOTE: Place the removed power steering oil pump in a place where it will not be a hindrance when removing and installing the timing belt, and tie it with a cord.

3. Remove the power steering oil pump from the bracket with the hose attached.
4. Place a garage jack against the engine oil pan with a piece of wood in between, jack up the engine so that the weight of the engine is no longer being applied to the engine mount bracket, and then remove the engine mount bracket.

CAUTION: Do not rotate the camshaft or crankshaft after removing the timing belt, or valve components may be damaged. Always align timing marks before removing timing belt.





5. Align timing marks. Loosen the timing belt tensioner to remove timing belt.
6. When the tensioner is removed from the engine, it is necessary to compress the plunger into the tensioner body.

NOTE: Index the tensioner in the vise the same way it is installed on the engine. This is to ensure proper pin orientation when the tensioner is installed on the engine.





7. Place the tensioner into a vise and slowly compress the plunger.

8. When the plunger is compressed into the tensioner body, install a pin through the body and plunger to retain plunger in place until tensioner is installed.

CAUTION: Camshaft or crankshaft should not be rotated after timing belt is removed. Damage to valve components may occur. Always align timing marks before removing timing belt.







1. Remove crankshaft damper bolt. Remove damper using Special Tool MB995055 and insert MB995057 or equivalent.







2. Remove engine mount bracket.







3. Remove front half of timing belt cover.







4. Align timing marks. Loosen timing belt tensioner screws and remove timing belt.
5. Remove tensioner pulley.
6. Remove timing belt tensioner.
7. Remove tensioner arm bracket.
8. Remove idler pulley.
9. When tensioner is removed from the engine, it is necessary to compress the plunger into the tensioner body.







10. Place the tensioner into a vise and slowly compress the plunger.

CAUTION: Index the tensioner in the vise the same way ft is installed on the engine. This is to ensure proper pin orientation when tensioner is installed on the engine.

11. When plunger is compressed into the tensioner body, install a pin through the body and plunger to retain plunger in place until tensioner is installed.







12. Hold camshaft sprocket with Special Tools MB990767 and MD998719 while removing bolt.
13. Remove support bracket.







14. Remove rear timing belt cover fasteners. Remove cover.







15. Remove camshaft seal.


INSTALLATION SERVICE POINTS
1. Follow removal procedure in reverse order noting the following.





2. Set the crankshaft sprocket to TDC by aligning the sprocket with the arrow on the oil pump housing.
3. Set the camshafts timing marks together by aligning notches on sprockets.
4. Move the crankshaft to 1/2 notch before TDC.





5. Install the timing belt. Starting at the crankshaft, go around the water pump sprocket, idler pulley, camshaft sprockets and then around the tensioner pulley.
6. Move the crankshaft sprocket to TDC to take up belt slack. Install the tensioner to block but do not tighter, fasteners.





7. Using a torque wrench on the tensioner pulley, apply 28 Nm (21 ft.lbs.) of torque to tensioner.
8. With torque being applied to the tensioner pulley, move the tensioner up against the tensioner pulley bracket and tighten fasteners to 31 Nm (23 ft. lbs.).
9. Pull the tensioner plunger pin. Pretension is correct when the pin can be removed and installed.
10. Rotate the crankshaft 2 revolutions and check the alignment of the timing marks. If marks are not aligned correctly, do it again.

INSTALLATION






1. Install camshaft seal into cylinder head using Special Tool MD998713 until flush with the head.

NOTE: Shaft seal lip surface must be free of varnish, dirt or nicks. Polish with 400 grit paper if necessary.







2. Install rear timing belt cover. Tighten fasteners to 9.6 Nm (6.9 ft.lbs.).
3. Install support bracket.







4. Install camshaft sprockets and tighten attaching bolts to 101 Nm (73 ft.lbs.).
5. Install idler pulley.
6. Install tensioner arm bracket.
7. Install timing belt tensioner.
8. Install tensioner pulley.







9. Set crankshaft sprocket to Top Dead Center (TDC) by aligning the sprocket with the arrow on the oil pump housing.







10. Set camshafts timing marks together by aligning notches on sprockets.
11. Move crankshaft to 1/2 notch before TDC.
12. Install timing belt. Starting at the crankshaft, go around the water pump sprocket, idler pulley, camshaft sprockets and then around the tensioner pulley.
13. Move crankshaft sprocket to TDC to take up belt slack. Install tensioner to block but do not tighten fasteners.







14. Using a torque wrench on the tensioner pulley, apply 28 Nm (20 ft.lbs.) of torque to tensioner.
15. With torque being applied to the tensioner pulley move the tensioner up against the tensioner pulley bracket and tighten fasteners to 31 Nm (22 ft.lbs.).
16. Pull tensioner plunger pin. Pretension is correct when pin can be removed and installed.







17. Rotate crankshaft 2 revolutions and check the alignment of the timing marks.







18. Install front timing belt cover.







19. Valve Timing Check; (timing belt cover installed), remove the inspection cover on timing belt cover. With number one cylinder at TDC, the timing marks on the camshaft sprocket should be aligned together. If marks are not aligned correctly, perform procedure again.







20. Install engine mount bracket. Tighten bolts to 41 Nm (30 ft.lbs.).







21. Install crankshaft damper using MB995035. Using Special Tools MB990767 and MD998719 to hold damper, tighten crankshaft bolt to 62 Nm (45 ft.lbs.).