Operation CHARM: Car repair manuals for everyone.
Manuals through 2025 now available!

Our trusted friends have launched a new website named LEMON, which has newer manuals. It also contains all the CHARM manuals.

LEMON is the spiritual successor to CHARM, I recommend you try it!

Link: lemon-manuals.la or lemon-manuals.org.ua

(Some people have issue connecting. LEMON is investigating. For now, use Firefox or change your DNS server)

Or, hide this message: temporarily or permanently

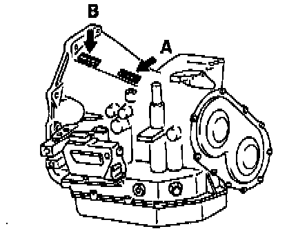
Theft Protection Labels








THEFT PROTECTION
In order to protect against theft, a Vehicle Identification Number (VIN) is stamped in, or attached as a label to, the following major parts of the engine and transaxle, as well as main outer panels:
Engine cylinder block, Transaxle housing, Fender, Door, Quarter panel, Hood, Liftgate, Bumpers
In addition, a theft-protection label is attached to replacement parts for the body outer panel main components, and the same data are stamped into replacement parts for the engine and the transaxle.

CAUTIONS REGARDING PANEL REPAIRS:
1. When repainting original parts, do so after first masking the theft-protection label, and, after painting, be sure to peel off the masking tape.
2. The theft-protection label for replacement parts is covered by masking tape, so such parts can be painted as is. The masking tape should be removed after painting is finished.
3. The theft-protection label should not be removed from original parts or replacement parts.











ENGINE LOCATIONS








MANUAL TRANSAXLE LOCATIONS








AUTOMATIC TRANSAXLE LOCATIONS





















BODY LOCATIONS

NOTE: A = Original Parts, B = Replacement Parts.