Operation CHARM: Car repair manuals for everyone.
Manuals through 2025 now available!

Our trusted friends have launched a new website named LEMON, which has newer manuals. It also contains all the CHARM manuals.

LEMON is the spiritual successor to CHARM, I recommend you try it!

Link: lemon-manuals.la or lemon-manuals.org.ua

(Some people have issue connecting. LEMON is investigating. For now, use Firefox or change your DNS server)

Or, hide this message: temporarily or permanently

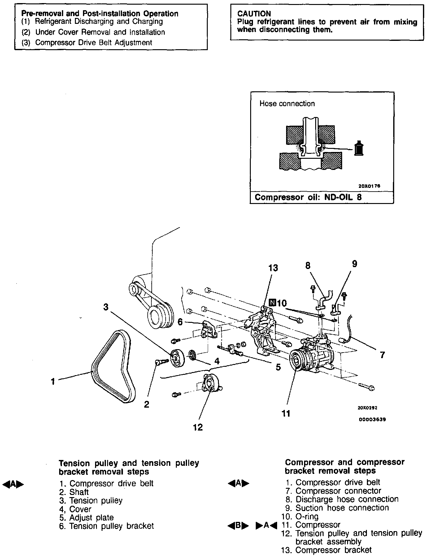
Removal and Installation





REMOVAL AND INSTALLATION





REMOVAL SERVICE POINTS

COMPRESSOR DRIVE BELT REMOVAL
(1) Loosen nut "A" for holding the tension pulley.
(2) Loosen bolt "B" for adjustment.
(3) Loosen the power steering oil pump fixing bolt.
(4) Remove the compressor drive belt.

COMPRESSOR REMOVAL
When doing this work, be careful not to spill the compressor oil.

INSTALLATION SERVICE POINTS

COMPRESSOR INSTALLATION
If a new compressor is installed, first adjust the amount of oil according to the procedures described below, and then install the compressor.
(1) Measure the amount {X cm3 (x fl.oz.)} of oil within the removed compressor.
(2) Drain (from the new compressor) the amount of oil calculated according to the following formula, and then install then new compressor.

New compressor oil amount
100 cm3 - X cm3 = Y cm3 (3.4 fl.oz. - x fl.oz. = y fl.oz.)


NOTE:
(1) Y cm3 (y fl.oz.) indicates the amount of oil in the refrigerant line, the condenser, the evaporator etc.
(2) When replacing the following parts as well as the compressor, subtract the rated oil amount of the each part from Y cm3 (Y fl.oz.) and discharge from the new compressor.

Quantity
Evaporator: 40 cm3 (1.35 fl.oz.)
Condenser: 40 cm3 (1.35 fl.oz.)
Suction hose: 10 cm3 (.34 fl.oz.)
Receiver: 10 cm3 (.34 fl.oz.)


INSPECTION
- Checking for heat damage of the tension pulley.
- Check for excessive play or deflection of the tension pulley.
- Check for unusual wear of the tension pulley.
- Check for hardening of the compressor drive belt.
- Check for unusual wear or abrasion of the compressor drive belt.