Operation CHARM: Car repair manuals for everyone.
Manuals through 2025 now available!

Our trusted friends have launched a new website named LEMON, which has newer manuals. It also contains all the CHARM manuals.

LEMON is the spiritual successor to CHARM, I recommend you try it!

Link: lemon-manuals.la or lemon-manuals.org.ua

(Some people have issue connecting. LEMON is investigating. For now, use Firefox or change your DNS server)

Or, hide this message: temporarily or permanently

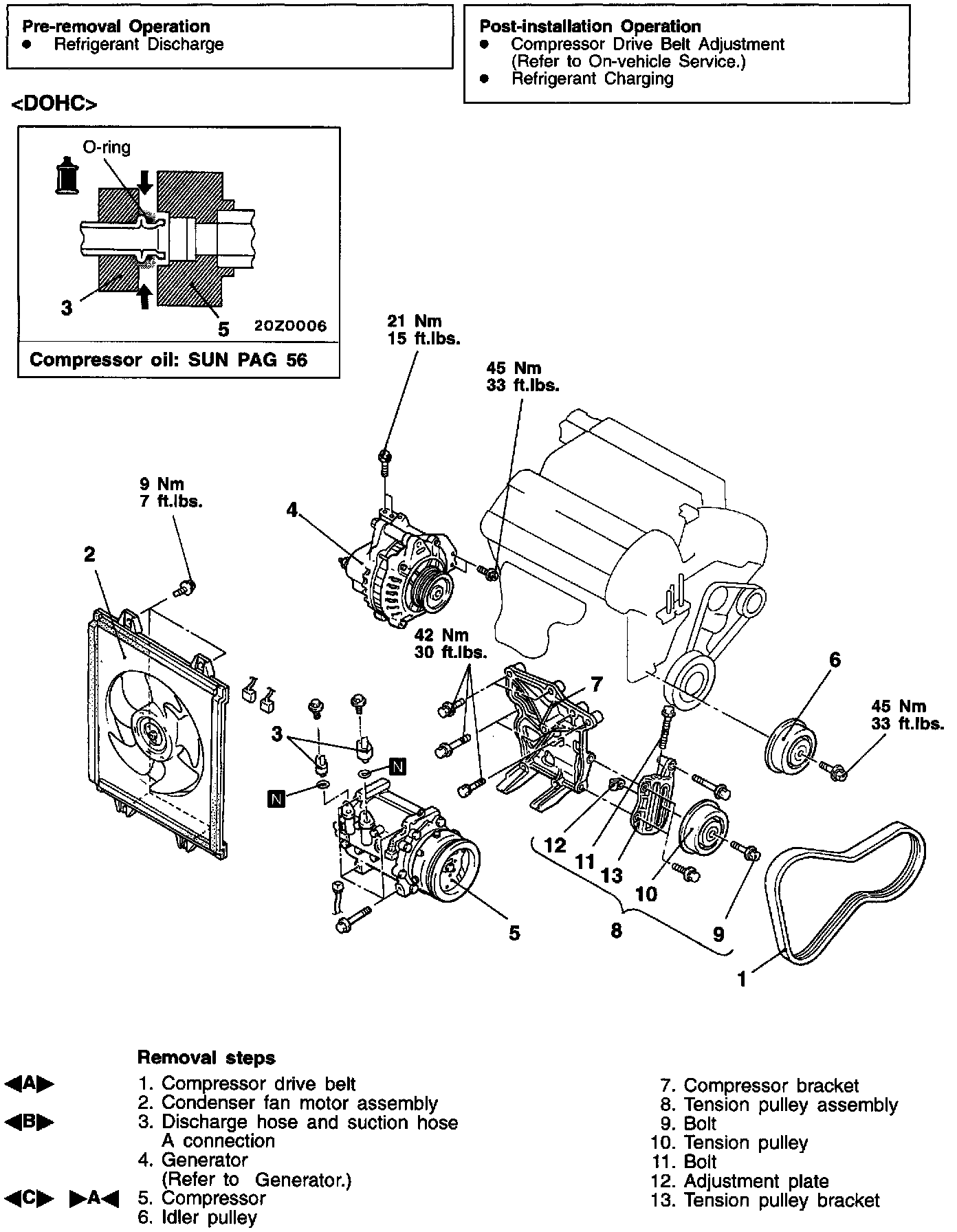
Compressor HVAC: Service and Repair







REMOVAL AND INSTALLATION




REMOVAL SERVICE POINTS
(A) COMPRESSOR DRIVE BELT REMOVAL
1. Loosen bolt "A" for holding the tension pulley.
2. Loosen bolt "B" for adjustment and remove the compressor drive belt.

(B) DISCHARGE HOSE AND SUCTION HOSE A REMOVAL
If the hoses are disconnected, cap the hoses with a blank plug to prevent entry of dust, dirt and water.

(C) COMPRESSOR REMOVAL

CAUTION: Lay the towel on the brake tube to protect them. When installing the compressor, do not damage the brake tubes. This work must be done carefully so as not to spill the compressor oil.

INSTALLATION SERVICE POINT
(A) COMPRESSOR INSTALLATION
If a new compressor is installed, first adjust the amount of oil according to the procedures described below and then install the compressor.
1. Measure the amount [X cubic cm (X fl.oz.)] of oil within the removed compressor.
2. Wipe away (from the new compressor) the amount of oil calculated according to the following formula and then install the new compressor.
New compressor oil amount 160 cubic cm-X cubic cm = Y cubic cm (5.4 fl.oz.-X fl.oz. = Y fl.oz.)

NOTE:
1. Y cm cube (Y fl.oz.) indicates the amount of oil in the refrigerant line, the condenser, the cooling unit, etc.
2. If any other air conditioning part is replaced simultaneously with the compressor, remove the oil from the new compressor, taking the specified amount of oil for the part into consideration.

Quantity
Evaporator: 60 cubic cm (2.0 fl.oz.)
Condenser: 15 cubic cm (0.5 fl.oz.)
Suction hose: 10 cubic cm (0.3 fl.oz.)
Receiver: 10 cubic cm (0.3 fl.oz.)

INSPECTION
- Checking for heat damage of the tension pulley.
- Check for excessive play or deflection of the tension pulley.
- Check for unusual wear of the tension pulley.
- Check for hardening of the air conditioning belt.
- Check for unusual wear or abrasion of the air conditioning belt.




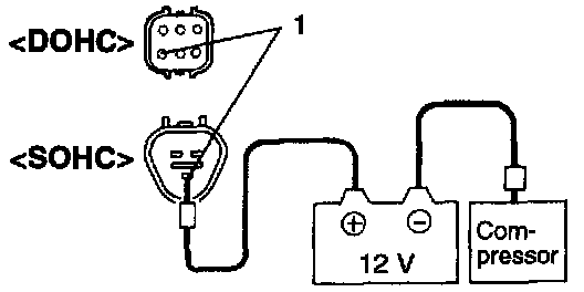
COMPRESSOR'S MAGNETIC CLUTCH OPERATION CHECK
1. Connect terminal 1.at the compressor side to the positive (+) terminal of the battery and ground the negative (-) terminal of the battery to the compressor.
2. The condition of the compressor's magnetic clutch can be considered satisfactory if the operation sound (a "click" sound) of the magnetic clutch can be heard when this check is made.




DISASSEMBLY AND REASSEMBLY

DISASSEMBLY SERVICE POINTS




(A) NUT REMOVAL
Use the special tool to loosen the nut.




(B) THERMOSTAT AND REVOLUTION PICK UP SENSOR REMOVAL
1. Remove the filling block from the compressor.
2. Remove the snap ring from inside the fitting block and remove the refrigerant temperature switch.
3. Remove the revolution pick-up sensor from the fitting block.

REASSEMBLY SERVICE POINTS




(A) CLUTCH COIL INSTALLATION
Align the pin of the clutch coil with the pin hole in the front housing and then fit it into the hole.




(B) ARMATURE PLATE INSTALLATION
Align the mating mark of the crankshaft spline and the mating mark of the armature plate and then fit them together.

(C) NUT INSTALLATION



1. Use the special tool to tighten the nut.




2. Check whether or not the air gap of the clutch is within the standard value.
Standard value: 0.4-0.6 mm (0.01-0.02 in.)

NOTE: If there is a deviation of the air gap from the standard value, make the necessary adjustment by adjusting the number of shims.

INSPECTION
- Check the surface of the armature for scoring or bluing.
- Check the surface of the rotor for scoring or bluing.
- Check the sealing surfaces for cracks, scratches and deformation.
- Check the front housing for cracks or scoring on the sealing surfaces.
- Check the compressor shaft for scoring.




HIGH-PRESSURE RELIEF VALVE CHECK
The high-pressure relief valve is a safety feature which releases part of the refrigerant inside the system into the atmosphere when the high-pressure level exceeds 3,740 kPa (532 psi) during air conditioning operation.
Once the pressure inside the system has been reduced to 2,940 kPa (418 psi) or lower, the high-pressure relief valve closes, thus allowing continued operation.
1. If a leak is detected at section A, replace the high-pressure relief valve. The valve can be used unless there is a leak from that section.
2. If a leak is detected at section B, retighten the valve. If the leak still persists after retightening the valve, replace the packing.




THERMOSTAT CHECK
1. Dip the thermostat in engine oil.
2. Check for continuity across terminals (1) and (2) (SOHC) or (3) and (6) (DOHC) when the engine oil is heated.
Standard value:
Continuity at approx. 110° C (230° F) or less at A point
No continuity at approx. 155° C (311° F) or more at B point




REVOLUTION PICK UP SENSOR CHECK
Measure the resistance between terminals (2) and (5) of the connector.
Normal resistance:
405 ± 35 Ohms when ambient temperature is 20° C (68° F)
If the measurement deviates greatly from the above resistance, replace the revolution pick up sensor assembly.