Operation CHARM: Car repair manuals for everyone.
Manuals through 2025 now available!

Our trusted friends have launched a new website named LEMON, which has newer manuals. It also contains all the CHARM manuals.

LEMON is the spiritual successor to CHARM, I recommend you try it!

Link: lemon-manuals.la or lemon-manuals.org.ua

(Some people have issue connecting. LEMON is investigating. For now, use Firefox or change your DNS server)

Or, hide this message: temporarily or permanently

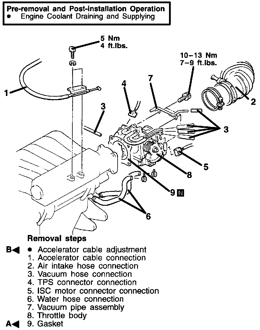
Throttle Position Sensor: Service and Repair




REMOVAL AND INSTALLATION




INSTALLATION SERVICE POINTS

(A) GASKET INSTALLATION
Install the gasket so that the projection is where shown in the illustration.

CAUTION: Poor idling etc. may result if the gasket is installed incorrectly.

(B) ACCELERATOR CABLE ADJUSTMENT

Adjustments




DISASSEMBLY AND REASSEMBLY

DISASSEMBLY SERVICE POINTS

(A) THROTTLE POSITION SENSOR AND IDLE AIR CONTROL MOTOR REMOVAL
1. Do not disassemble the sensor and motor.
2. Do not clean the sensor and motor by dipping them into cleaning solvent. Clean them with shop towel.

(B) THROTTLE BODY REMOVAL
1. Do not remove the throttle valve.
2. Check if the vacuum port or passage is clogged. Use compressed air to clean the vacuum passage.

REASSEMBLY SERVICE POINTS

(A) THROTTLE POSITION SENSOR INSTALLATION




1. Install the throttle position sensor to the throttle body as shown in the illustration.




2. Turn the throttle position sensor 900 clockwise to set it, and tighten the screws.




3. Connect a circuit tester between 4 (ground) and 2 (output), or between 2 (output) and 1 (power). Then, make sure that the resistance changes smoothly when the throttle valve is slowly moved to the fully open position.

4. Check for continuity between terminals 3 (closed throttle position switch) and 4 (ground) with the throttle valve both fully closed and fully open.

If there is no continuity with the throttle valve fully closed, turn TPS counterclockwise, and then check again.

NOTE: Some throttle position sensors are not provided with the position switch. In that case, the check described in step (4) cannot be accomplished.




5. If the above specifications are not met, replace TPS.

INSPECTION




DASH POT (MTX)
1. Push the dash pot rod in lightly and confirm the resistance.

NOTE: Resistance increases as the rod is pushed harder. If the rod can be pushed in with no resistance, either the diaphragm or check valve is faulty.

2. Release finger and confirm that the rod returns to its original position quickly.

NOTE: If the rod returns slowly, the check valve is faulty.