Operation CHARM: Car repair manuals for everyone.
Manuals through 2025 now available!

Our trusted friends have launched a new website named LEMON, which has newer manuals. It also contains all the CHARM manuals.

LEMON is the spiritual successor to CHARM, I recommend you try it!

Link: lemon-manuals.la or lemon-manuals.org.ua

(Some people have issue connecting. LEMON is investigating. For now, use Firefox or change your DNS server)

Or, hide this message: temporarily or permanently

Engine Speed Sensor: Testing and Inspection

INSPECTION OF OTHER DEVICES







Service standards










Tightening torque







Service procedure







[1] Inspection of idling speed adjustment potentiometer

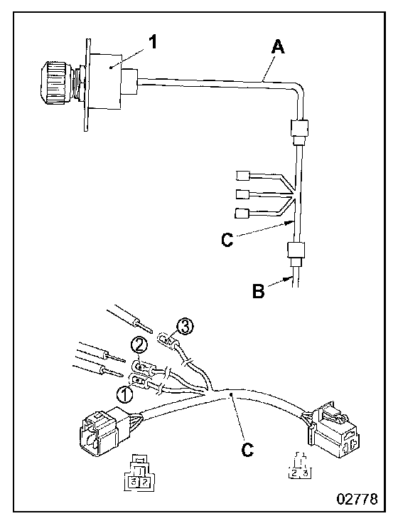
- Disconnect the harness A of the idling speed adjustment potentiometer 1 from the cab-side harness B. Then, connect an inspection harness C between harnesses A and B. (The inspection harness must be made specially for this procedure, but is not necessary with MUT II PLUS tester.)
- Turn the starter switch to the ON position.
- Check the output voltages of the idling speed adjustment potentiometer 1 in accordance with the following table.







Output characteristics







- If the output voltages are out of specification, replace the idling speed adjustment potentiometer 1.







[3] [4] Inspection of pre-stroke cut relay and exhaust brake cut relay (normally-closed type with 4-pin connector)

- Perform continuity checks in accordance with the following table.







- Replace the relay if any abnormality is evident.







[5] Inspection of exhaust brake relay (Open type 4 pin)

- Follow the table below to inspect continuity:







- If any fault is found, replace the relay.







[6] Inspection of sub control rack position sensor
- Measure the resistances between the following terminals: 1 and 4 ; 1 and 3 ; 3 and 4.
- If any resistance is out of specification, replace the sub control rack position sensor 6.
- Have replacement performed by the nearest MFTA Dealer.







[7] Inspection of engine water temperature sensor
- Put the engine water temperature sensor 7 in a container of engine oil.
- Heat the oil to each of the specified temperatures. Stir the oil to ensure that it heats up evenly.
- At each of the specified temperatures, measure the resistance between the terminal 1 and body of the engine water temperature sensor 7.
- If the measurements are out of specification, replace the engine water temperature sensor.







[8] Inspection of pre-stroke actuator
Perform the following inspections. If any abnormality is evident, have inspection and repair performed by the nearest MFTA Dealer.

CAUTION: The pre-stroke actuator 8 must be inspected when the engine is cold.







1. Measurements on connectors Measure the resistance between terminals 2 and 3; 1 and 3; 1 and 2; 4 and 5.







[9] Inspection of boost pressure sensor
- Mount pressure gauge A for boost pressure measurement as shown in the diagram.
- Connect the MUT-II.
- Set the MUT-II for boost pressure measurement
- Start the engine. Compare the value displayed on the MUT-II and the value indicated by pressure gauge A. If the values are different, replace boost pressure sensor 9.

B : To inlet manifold.


[10] Inspection of control rack position sensor
Perform the following inspections. If any abnormality is evident, have inspection and repair performed by the nearest MFTA Dealer.





- Measurements on connectors
Measure the resistances between the following terminals: 3-pin connector's 3 and 4; 10-pin connector's 3 and 9; 4 and 9.

[12] Inspection of linear DC motor
Perform the following inspections. If any abnormality is evident, have inspection and repair performed by the nearest MFTA Dealer.







1. Measurements on connectors
Measure the resistance between terminals 1 and 2 on each connector.







[13] Engine speed sensor

[Inspection]

1. Main unit
Measure the resistance between terminals 1 and 2.
- If the measured value deviates from the standard value, replace engine speed sensor 13.

CAUTION: Be sure to check the tightening torque of engine speed sensor 13. If the tightening torque is insufficient, the sensor may not output a signal.







[14] Inspection of 3-way magnetic valve
Carry out the following inspection. If any fault is found, replace 3-way magnetic valves 14 :






1. Operation inspection
- Apply voltage between terminals 1 and 2, increasing gradually from 0 volt.
- Measure voltage (minimum operating voltage) when magnetic valves 14 starts operating. (You can tell if the magnetic valves are ON or OFF by listening for an operating sound.)

2. Airtightness inspection
- When magnetic valve is ON:
- Close output port B.
- Apply 12 volts DC between terminals 1 and 2.
- Make sure that there is no air suction from exhaust port C when negative pressure (-100 kPa {-30 in.Hg, -750 mmHg}) is applied to input port A.

- When magnetic valve is OFF:
- Close exhaust port C.
- Make sure that there is no air suction from output port B when negative pressure (-100 kPa {-30 in.Hg, -750 mmHg}) is applied to input port A.







[16] Inspection of boost temperature sensor
- Place boost temperature sensor 16 in glycerin in a container.
- Raise the glycerin temperature to the specified values and stir the glycerin.
- Measure the resistance between terminals 1 and 2.







- If the measured value deviates from the standard value, replace boost temperature sensor.










[17] Inspection of emergency engine stop handle
- Push emergency engine stop handle 17 all the way.
- In this step, make sure that stop lever A of the governor is in contact with stopper bolt B.
- If the stop lever does not contact the stopper bolt, turn nut C until they contact, and tighten nut D to secure it in place.
- Inner wire E of stop cable F should be taut. If not, make adjustment.

CAUTION: Be careful not to make the tension of inner wire E too high, since excess tension prevents stop lever A from fully contacting stopper bolt B.







[18] Inspection of clutch switch
- Follow the table below to inspect continuity:







- If any fault is found, replace clutch switch 18.