Crankshaft Position Sensor: Testing and Inspection
CRANKSHAFT POSITION SENSOROPERATION
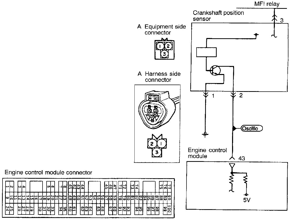
- The crankshaft position sensor senses the crank angle (piston position) of each cylinder, converts it into a pulse signal and inputs it to the engine control module, which then controls the engine speed and controls the fuel injection timing and ignition timing based on the input signal.
- Power to the crankshaft position sensor is supplied from the MFI relay and is grounded to the body. The crankshaft position sensor generates a pulse signal as it repeatedly connects and disconnects between 5 V voltage supplied from the engine control module and ground.
TROUBLESHOOTING HINTS
Hint 1:
If unexpected shocks are felt during driving or the engine stalls suddenly during idling, shake the crankshaft position sensor harness. If this causes the engine to stall, poor contact of the sensor connector is suspected.
Hint 2:
If the crankshaft position sensor outputs a pulse signal when the ignition switch is turned ON (with the engine not running), a faulty crankshaft position sensor or engine control module is suspected.
Hint 3:
If the tachometer reads 0 rpm when the engine that has failed to start is cranked, faulty crankshaft position sensor or broken timing belt is suspected.
Hint 4:
If the tachometer reads 0 rpm when the engine that has failed to start is cranked, the primary current of the ignition coil is not turned on and off. Therefore, troubles in the ignition circuit and ignition coil or faulty ignition power transistor is suspected.
Hint 5:
If the engine can be run at idle even though the crankshaft position sensor reading is out of specification, troubles are often in other than the crankshaft position sensor.
[Examples]
1. Faulty engine coolant temperature sensor
2. Faulty idle air control motor
3. Poorly adjusted reference idle speed
INSPECTION
Using Scan Tool
NOTE:
1. The tachometer indicates a third of the actual engine speed. Therefore, 3 times the tachometer indication is the actual engine speed.
2. When the tachometer is set to the 2-cylinder range, it indicates actual engine speed.
HARNESS INSPECTION
Measure the power supply voltage.
- Connector: Disconnected
- Ignition switch: ON
Voltage (V): Battery positive voltage
OK: GO TO STEP 2
NG: Repair the harness. (A3 - MFI relay)
Check for continuity of the ground circuit.
- Connector: Disconnected
OK: GO TO STEP 3
NG: Repair the harness. (A1 - Ground)
Measure the impressed voltage.
- Connector: Disconnected
- Ignition switch: ON
Voltage (V): 4.8 - 5.2
OK: STOP
NG: Repair the harness. (A2 - 43)