Operation CHARM: Car repair manuals for everyone.
Manuals through 2025 now available!

Our trusted friends have launched a new website named LEMON, which has newer manuals. It also contains all the CHARM manuals.

LEMON is the spiritual successor to CHARM, I recommend you try it!

Link: lemon-manuals.la or lemon-manuals.org.ua

(Some people have issue connecting. LEMON is investigating. For now, use Firefox or change your DNS server)

Or, hide this message: temporarily or permanently

Diesel Injection Pump Control Rod Position Sensor: Description and Operation

Fuel System (Flow of fuel)






Fuel in fuel tank 3 is sucked up by feed pump 7 which is driven by the cam action of injection pump 8 and is filtered through fuel filter 2 which removes dirt and other foreign particles.
Filtered fuel is sent to the injection pump where the fuel pressure is boosted and injected through injection nozzle 1 into the combustion chamber.
When fuel pressure is higher than the specified value, overflow valve 9 opens to let the fuel return to the fuel tank.

Engine Control






1. Idling control knob
Idling control knob 1 is for making fine adjustment to the idling revolution of the engine. Turning the knob clockwise raises the revolution. It works in the same way as accelerator pedal assembly 4 does when it is depressed.

2. Fuel-cut motor
Fuel-cut motor 5 is connected to starter switch 2, and it is activated by the starter switch being turned ON (or to S). This brings engine-stop lever 9 of the governor to engine-stop position B (or engine start-up position C), and stops (or starts) the engine.

3. Accelerator pedal
When accelerator pedal assembly 4 is freed from foot pressure, the governor return spring forces idling control lever 10 to idling position E, restoring the pedal to its original position.

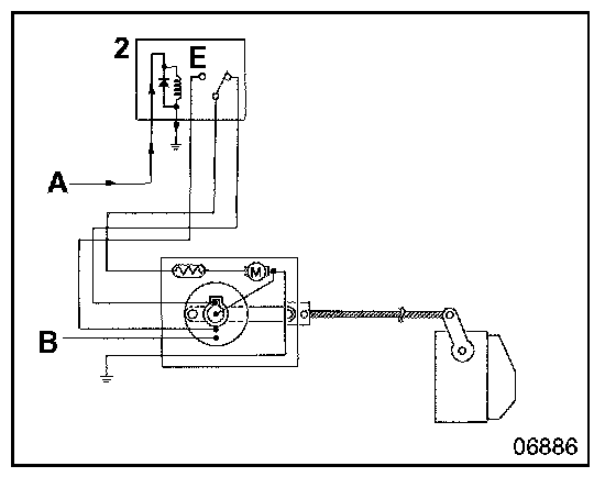
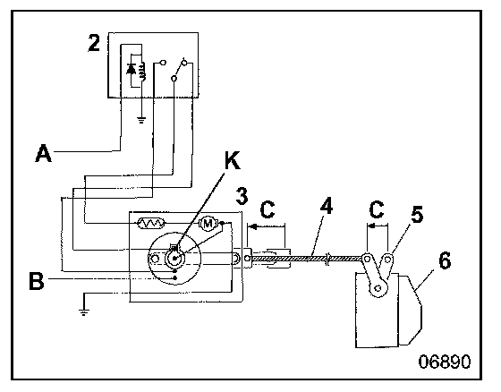
Engine Stopping Circuit












- At engine start-up (starter switch ON)
- Electric current flows as illustrated, and coil E of fuel-cut relay 2 is magnetized.







- Contact point F of fuel-cut relay 2 closes, and fuel-cut motor 3 is activated.
- Engine-stop cable 4 is pushed out, and engine-stop lever 5 moves to engine start-up position.







- Engine-stop lever 5 moves to engine start-up position D, and fuel is ready to flow. Contact point H of fuel-cut motor 3 opens, and the fuelcut motor stops.







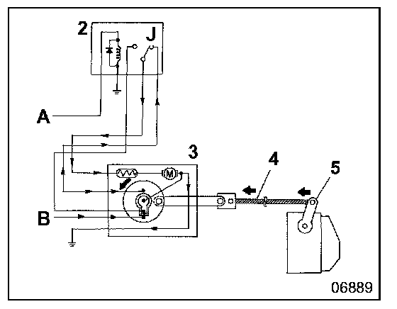
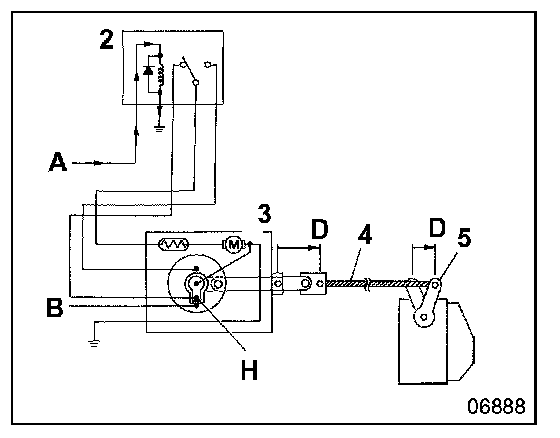
- When engine is at standstill (starter switch OFF)
- Electric current from the starter switch is broken, and contact point J of fuel-cut relay 2 closes, and fuel-cut motor 3 is activated.
- Engine-stop cable 4 is pulled to bring engine-stop lever 5 to enginestop position.







- When engine-stop lever 5 reaches engine-stop position C, fuel flow stops and the engine stops. Simultaneously, contact point K of fuelcut motor 3 opens, and the fuel-cut motor stops.

Fuel Gauge Electric circuit







The fuel gauge circuit indicates the amount of fuel remaining by means of a gauge.

Water Separator







The water separator is installed between the fuel tank and the feed pump. Any water present in the fuel is separated by the baffle plate and the screen assembly.

Fuel Filter







Pressurized fuel is delivered from the feed pump of the injection pump to the fuel filter which separates water from the fuel. Dirt and other foreign particles are removed from the fuel by fuel filter 1.

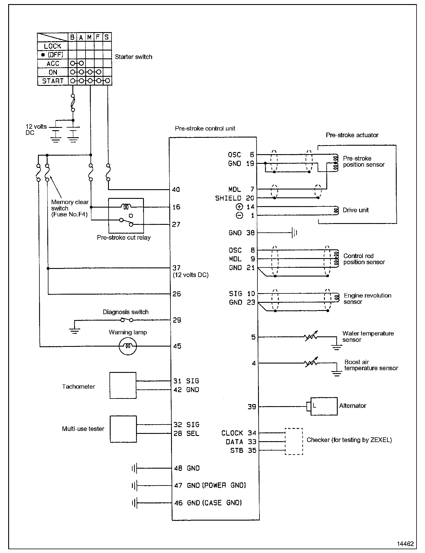
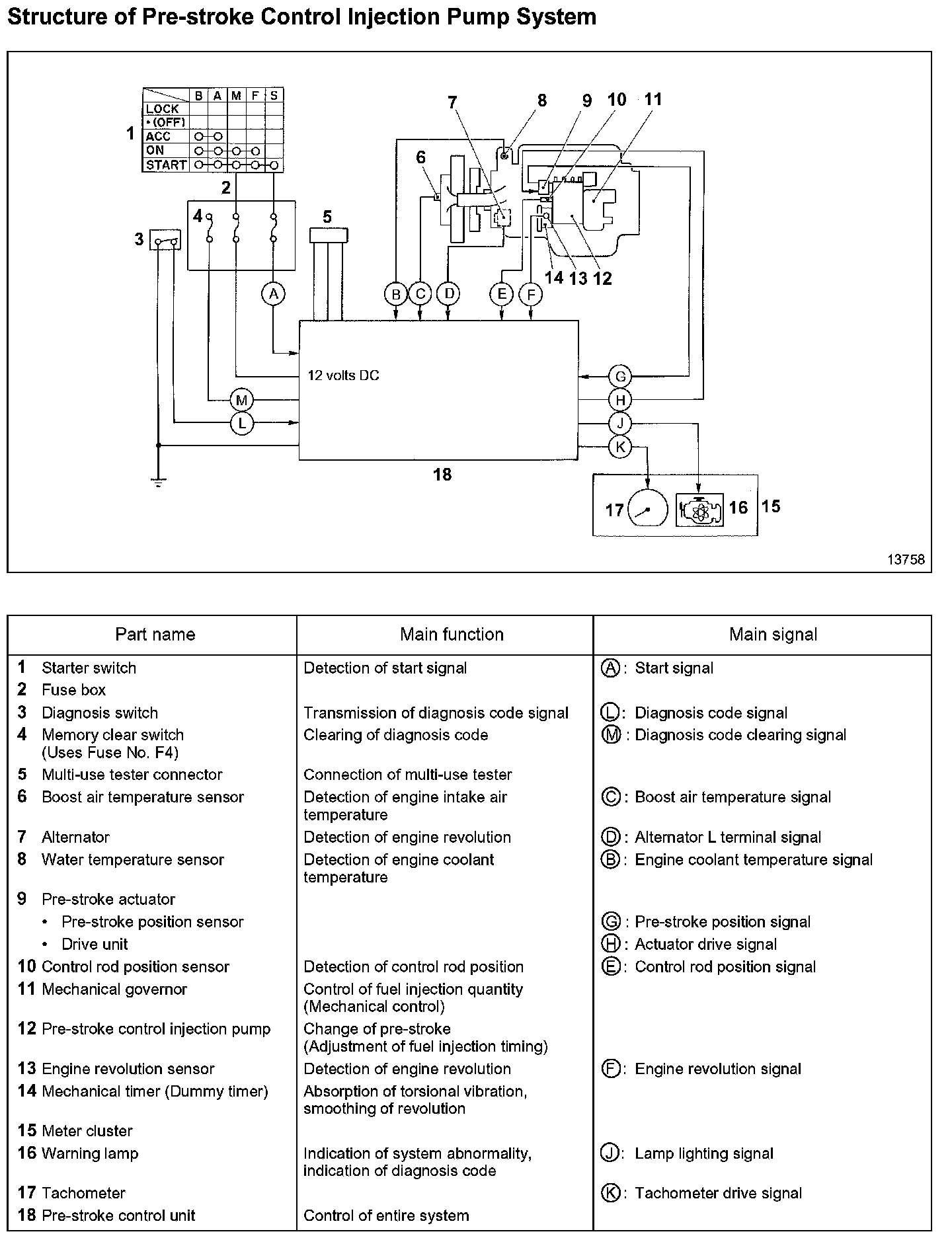
Structure of Pre-stroke Control Injection Pump System







- The pre-stroke control injection pump system uses, in the injection pump body, electronically controlled pre-stroke control injection pump 12, mechanical governor 11, and mechanical timer 14.
- The lifting speed of the plunger in the injection pump varies with the engine revolution. Because of this, the pressure in the injection pipe also changes.
- This change of pressure in the injection pipe means the appropriate state of fuel injection and air/fuel mixture from the injection nozzle is no longer obtainable.
- In low- and medium-range engine revolution, the amount of pre-stroke is made larger so that the fuel is injected at the point the plunger lifting speed increases during the second half of cam lift.
- On the other hand, in high-range engine revolution, the amount of pre-stroke is made smaller so that the fuel is injected while the plunger lifting speed remains low during the first half of cam lift. This prevents the pressure in the injection pipe from becoming excessively high.
- Because of this variation in the amount of pre-stroke, pre-stroke control injection pump 12 can obtain the appropriate injection state and air/fuel mixture for combustion.
- Thus, engine torque is larger than engines that use a normal injection pump. Also, the exhaust gas emission is cleaner.
- Control is achieved by making the pre-stroke adjustable in conjunction with the drive of pre-stroke actuator 9, which is mounted on the rear of the injection pump body. This pre-stroke actuator is activated by commands received from prestroke control unit 18, which processes data signals received from the various sensors installed on the engine and vehicle body.

This system also has a trouble diagnosis function and a fail-safe function. The following table shows control items.











- Pre-stroke control







- Control by Pre-stroke Control Unit 18
- The control unit commands the system while the engine is running, and selects the maximum value of the desired prestroke value based on data signals received from the basic map, coolant temperature correction map, and boost air temperature correction map.
- After the maximum value has been selected, the limit map selects and processes the minimum value so that the desired pre-stroke value does not exceed the maximum value.
- The desired pre-stroke value is further determined by the pre-stroke position learning function. This corrects any deviation in positional adjustment by the pre-stroke position sensor and any deviation by the injection pump, correcting the output voltage of the pre-stroke position sensor.
- The pre-stroke thus determined is converted into continuous analog signals by the Digital/Analog converter and transmitted through the servo circuit and drive circuit to actuate the drive unit. The drive unit moves the timing sleeve position to change the pre-stroke.
- Control at the time of engine start up is handled by the start map.

- Control by Pre-stroke Position Sensor (built in pre-stroke actuator 9)
- The pre-stroke position sensor monitors the operating condition of the drive unit by feeding back signals to pre-stroke control unit 18 and judging whether the pre-stroke is controlled in accordance with the desired value by noting the timing sleeve position.
- When pre-stroke control unit 18 receives the feedback signals, it computes the actual measured value of the timing sleeve position, and if there is any difference between the desired and actual values, it issues a correction command.
- This operation is repeated to constantly maintain the timing sleeve position at the desired position, thus determining the final pre-stroke.

- Trouble diagnosis function, fail-safe function







- The trouble diagnosis function detects and diagnoses troubles reported by the various sensors and the pre-stroke actuator, while the engine is running. If any trouble occurs, this function warns the driver by lighting warning lamp and at the same time stores the trouble point in memory as a diagnosis code.
- The fail-safe function is put into operation simultaneously and the trouble is treated accordingly in the backup mode.
- In the backup mode, the pre-stroke control starts when trouble occurs. If the trouble does not affect the operation of the engine, fixed data from the backup mode is used to treat the trouble. If the trouble dangerously affects the operation of the engine, the pre-stroke control stops.
- If the function goes into backup mode, the function stays in that mode until the starter switch is set to LOCK. When a normal signal is returned, control of the system returns and warning lamp goes off.
- There are two kinds of diagnosis code, current and previous.
- Current diagnosis code: Indicates data when the engine has been running with the starter switch set to ON since the abnormality occurred.
- Previous diagnosis code: Indicates previous data when the engine was stopped with the starter switch set to ACC or LOCK after the abnormality occurred.

Table of diagnosis codes







It is possible to run the vehicle even if the pre-stroke control develops an abnormality. However, do not run the vehicle for a long period of time, run it only for the time necessary to obtain repairs.

Pre-stroke Control Unit







- The pre-stroke control unit monitors and computes data signals received from the various sensors and, using its internal computer, converts the computed results into control signals (pre-stroke actuator drive signals).
- These signals operate the various instruments to control the system.










Engine Revolution Sensor







- Engine revolution sensor 1 is a pick-up type that detects the revolution of the injection pump and converts the revolution value into an electric signal
- This electric signal is transmitted to the pre-stroke control unit as the engine revolution signal, which is used as the correction value by the control unit to determine the desired pre-stroke position value.

Water Temperature Sensor







- Water temperature sensor 1 is a thermistor type that converts the coolant temperature into an electric signal.
- This electric signal is transmitted to the pre-stroke control unit as the engine coolant temperature signal, which is used as the correction value by the control unit to determine the desired pre-stroke position value.

Boost Air Temperature Sensor







Boost air temperature sensor 1 is a thermistor type that converts the intake air temperature, immediately after its passage through the intercooler, into an electric signal.
- This electric signal is transmitted to the pre-stroke control unit as the boost air temperature signal, which is used as the correction value by the control unit to determine the desired pre-stroke position value.

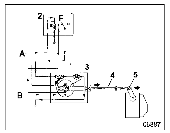
Control Rod Position Sensor







- Control rod position sensor 1 is a resistor type that converts the amount of movement of the control rod into an electric signal.
- This electric signal is transmitted to the pre-stroke control unit as the control rod position signal, which is used as the correction value by the control unit to determine the desired pre-stroke position value.

Pre-stroke Position Sensor
Refer to Structure of Pre-stroke Control Injection Pump System

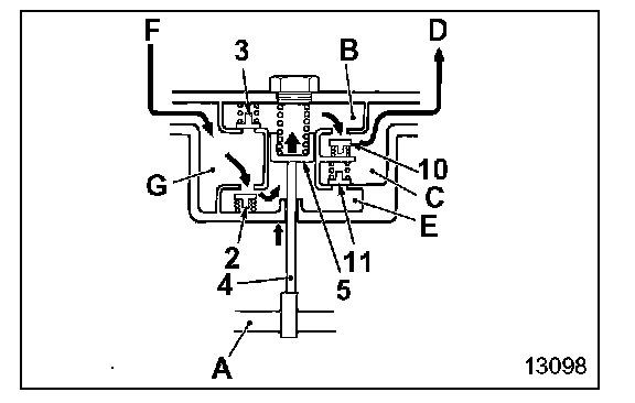
Injection Pump Body






- The injection pump has a variable pre-stroke mechanism.
- Because of the variation in the amount of pre-stroke, the appropriate injection state and air/fuel mixture for combustion can be obtained, thus the engine torque is larger than when a normal injection pump is used and the exhaust gas emission is cleaner.







Pre-stroke
Pre-stroke is stroke E whose range is from the bottom dead point of plunger 4 to the starting point of pressurized delivery of fuel, at which point suction port G is closed by timing sleeve 13. An ordinary injection pump has a fixed stroke length.







Pre-stroke variable mechanism
- In a conventional injection pump, plunger barrel 12 is fixed. In the prestroke control injection pump system, vertically movable timing sleeve 13 is fitted in the fixed plunger barrel.
- Timing rod 14, pin 6 and drive unit 17 are installed to operate timing sleeve 13.
- The operation of drive unit 17 rotates timing rod 14, causing pin 6 to move timing sleeve 13 vertically.
- As timing sleeve 13 is fitted with fuel exhaust port H, the pre-stroke changes in accordance with the movement of the timing sleeve.







Pressurized fuel delivery
- When suction port G opens as plunger 4 moves down from the top dead point, fuel is delivered into pressure chamber M by both the negative pressure caused by the downward movement of the plunger and the pressure of the fuel itself delivered by the feed pump.
- When the lift of plunger 4 is low enough, the pressure in pressure chamber M does not increase as the fuel in the pressure chamber flows via suction port G into fuel reservoir N, even if the plunger lifts.
- As plunger 4 lifts further and suction port G is closed by timing sleeve 13, pressurization of the fuel starts. The pressure increases as the plunger lifts further, making the injection pump start pressurized fuel delivery.
- When indent F on plunger 4 meets exhaust port H of timing sleeve 13, the fuel in pressure chamber M is pushed back to fuel reservoir N, stopping pressurized fuel delivery.
- Adjustment of the fuel quantity to be injected is made by changing the relative meeting position of exhaust port H of timing sleeve 13 and indent F, by the rotation of plunger 4.







Fuel injection timing and fuel injection characteristics
- The pre-stroke changes according to changes in the position of timing sleeve 13, whereby the fuel injection timing can be advanced or retarded.
- By making the pre-stroke smaller, suction port G of plunger 4 closes early, making the fuel injection timing quicker accordingly.
- By making the pre-stroke larger, suction port G of plunger 4 closes late, making the fuel injection timing slower accordingly. The quick response of the fuel injection timing improves engine start �up performance at low temperatures.







Delivery valve
- Delivery valve 10 keeps residual pressure R in the injection pipe at a certain level throughout the entire engine revolution range preventing cavitation and allowing high-pressure injection.
- When the fuel pressure on plunger 4 side, as the plunger is lifted, overcomes the combined force of residual pressure R in the injection pipe and the repercussive force of delivery valve spring 7 of the plunger, delivery valve 10 is pushed up and pressurized fuel delivery starts.
- Fuel in the injection pipe returns quickly to plunger 4 side the moment pressurized delivery from the plunger ends, and the delivery valve is closed.
- The excess fuel is returned slowly through orifice S, reducing the pressure in the injection pipe.
- When the repercussive force of spring 9 in delivery valve 10 equalizes with the pressure in the injection pipe, ball 8 closes orifice S and residual pressure R in the injection pipe is kept at a specified level.

Governor







The governor is a mechanical type that uses centrifugal force generated by flyweights 9, its characteristics are between those of a minimum/maximum speed governor and those of an all-speed governor. Because there is no repercussive force from governor spring 6 or control lever 1, when the accelerator pedal is depressed, the repercussive force transmitted to the accelerator pedal, via the control lever, is quite light, making accelerator pedal operation easy.

Boost Compensator







Boost compensator 1 is a device that automatically adjusts the quantity of fuel to be injected to suit the increase in the intake air mass delivered into the engine cylinders by the turbocharger.

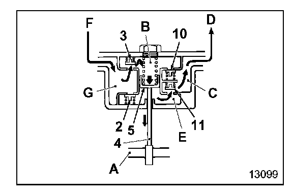
Feed Pump







- The feed pump is a double-action type pump which, with four check valves operating, sucks and discharges fuel during both strokes of pistons 5.
- Push rod 4 makes contact with the injection pump camshaft directly, moving piston 5.
- Priming pump 13 can be manually operated, when the injection pump is not operating, to suck up fuel and thus can be used for air bleeding.
- Gauze filter 8 eliminates large foreign particles from the fuel sucked up from the fuel tank to prevent clogging of the feed pump. This gauze filter must be cleaned with gas oil periodically.







The rotation of injection pump camshaft A, pushes up push rod 4 and piston 5, and the pressure in inner chamber B increases. This closes check valve 3, and check valve 10 opens to let the fuel in inner chamber B flow through outer chamber C to fuel filter D.
When the pressure in inner chamber E decreases, check valve 11 closes, and check valve 2 opens to let fuel flow from fuel tank F through outer chamber G to inner chamber E.







When injection pump camshaft A rotates further, it pushes down push rod 4 and piston 5, and the pressure in inner chamber E increases. This closes check valve 2, and check valve 11 opens to let the fuel in inner chamber E flow through outer chamber C to fuel filter D.
When the pressure in inner chamber B decreases, check valve 10 closes, and check valve 3 opens to let fuel from fuel tank F flow through outer chamber G to inner chamber B.

Injection Nozzle







- As the pressure of the fuel delivered from the injection pump overcomes the repercussive force of spring 2, needle valve 4 is pushed up to allow the fuel to spray out the opening at the tip of the nozzle.
- Injection pressure can be adjusted by increasing or decreasing the number of washers 1.