Operation CHARM: Car repair manuals for everyone.
Manuals through 2025 now available!

Our trusted friends have launched a new website named LEMON, which has newer manuals. It also contains all the CHARM manuals.

LEMON is the spiritual successor to CHARM, I recommend you try it!

Link: lemon-manuals.la or lemon-manuals.org.ua

(Some people have issue connecting. LEMON is investigating. For now, use Firefox or change your DNS server)

Or, hide this message: temporarily or permanently

Ignition Control Module: Testing and Inspection

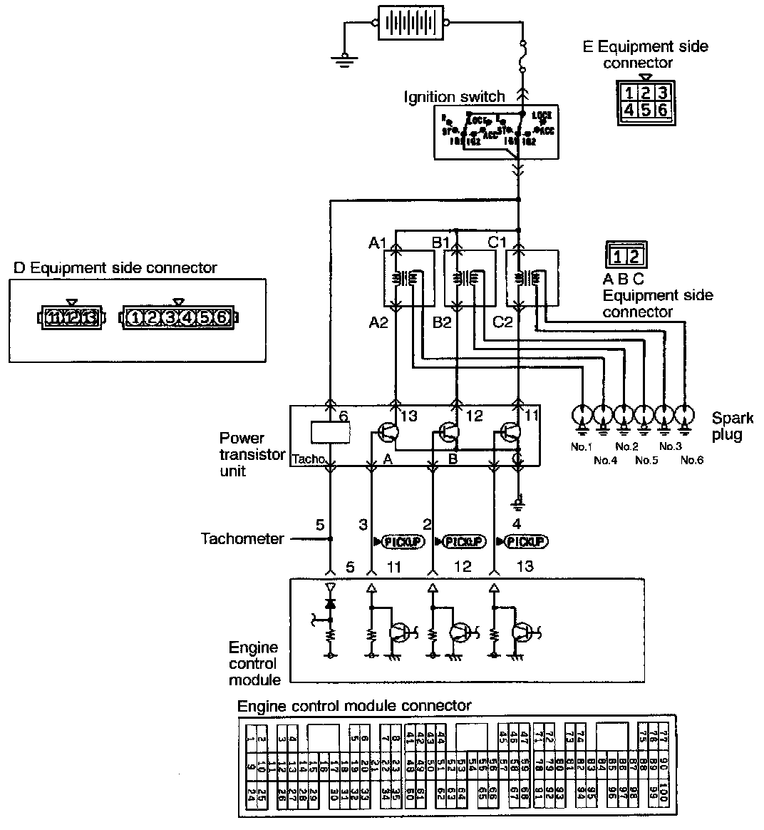
IGNITION COIL AND IGNITION POWER TRANSISTOR







OPERATION
- When the ignition power transistor unit A is turned on by the signal from the engine control module, primary current flows to the ignition coil A. When the ignition power transistor unit A is turned off, the primary current is shut off and a high voltage is induced in the secondary coil A, causing the ignition plugs of No.1 and No.4 cylinders to spark. When the ignition power transistor unit B is turned oft, the ignition plugs of No.2 and No.5 cylinder spark. In addition, when the ignition power transistor unit C is turned off, the ignition plugs of No.3 and No.6 cylinders spark.
- When the engine control module turns off the transistor in the unit, the battery positive voltage in the unit is applied to the ignition power transistor unit to turn it on. When the engine control module turns on the transistor in the unit, the ignition power transistor unit is turned off.

INSPECTION
Using Scan Tool














Wave Pattern Inspection Using an Analyzer
- Ignition coil primary signal
Refer to Ignition System.
- Ignition power transistor control signal

Measurement method
1. Disconnect the connector of the power transistor and connect the special tool (test harness: MB991348) across the disconnected connector parts.
2. Sequentially connect the special patterns pickup of the analyzer to each of terminal (1) (No.3 - No.6), terminal (2) (No.2 - No.5) and terminal (3) (No.1 - No.4) of the ignition power transistor unit connector.

Alternative method (when test harness is not available)
Connect the analyzer special patterns pickup to ECM terminals (10), (11) and (23) for the ignition power transistor.

Standard wave pattern




Observation conditions




Standard wave pattern

Wave pattern observation points




Point: Condition of wave pattern build-up and maximum voltage (Refer to abnormal wave pattern examples 1 and 2.)

Examples of abnormal wave patterns




- Example 1
Wave pattern during engine cranking

Cause of problem
Open circuit in ignition primary circuit

Wave pattern characteristics
Top-right part of the build-up section cannot be seen, and voltage value is approximately 2 V too low.




- Example 2
Wave pattern during engine cranking

Cause of problem
Malfunction of ignition power transistor

Wave pattern characteristics
Power voltage results when the ignition power transistor is on.

HARNESS INSPECTION




STEP 1. Check for continuity between the ignition coil and the ignition switch-IG.
- Ignition switch connector: Disconnected
- Ignition coil connector: Disconnected

NOTE: Touch the ohmmeter problems to both ends of the harness.

OK: GO TO STEP 2
NG: Repair the harnesses. (A1 - E2, B1 - E2, C1 - E2)




STEP 2. Check for continuity between the ignition power transistor unit and the ignition coil.
- Ignition coil connector: Disconnected
- Ignition power transistor connector: Disconnected
OK: GO TO STEP 3
NG: Repair the harnesses. (A1- D6, B1- D6, C1- D6)




STEP 3. Measure the power supply voltage of the ignition coil.
- Ignition power transistor: Disconnected
- Ignition switch: ON
Voltage (V): Battery positive voltage
OK: GO TO STEP 4
NG: Repair the harnesses. (D11, D12, D13 - Ignition coil)




STEP 4. Check for an open circuit or a short-circuit to ground between the ignition power transistor and the engine control module.
- Ignition power transistor connector: Disconnected
- Engine control module connector: Disconnected
OK: GO TO STEP 5
NG: Repair the harnesses. (D1 - 13, D2 - 12, D3 - 11, D5 - 5)




STEP 5. Check for continuity in the ground circuit of the ignition power transistor.
- Ignition power transistor connector: Disconnected
OK: GO TO STEP 6
NG: Repair the harnesses. (D4 - Ground)




STEP 6. Measure the ignition power transistor control signal voltage.
- Ignition power transistor connector: Disconnected
- Ignition switch: START
Voltage (V): 0.5 - 4.0
OK: STOP
NG: Repair the harnesses. (D1- 13, D2 - 12, D3 - 11)

IGNITION COIL AND IGNITION POWER TRANSISTOR CHECK
Refer to Ignition System.