Operation CHARM: Car repair manuals for everyone.
Manuals through 2025 now available!

Our trusted friends have launched a new website named LEMON, which has newer manuals. It also contains all the CHARM manuals.

LEMON is the spiritual successor to CHARM, I recommend you try it!

Link: lemon-manuals.la or lemon-manuals.org.ua

(Some people have issue connecting. LEMON is investigating. For now, use Firefox or change your DNS server)

Or, hide this message: temporarily or permanently

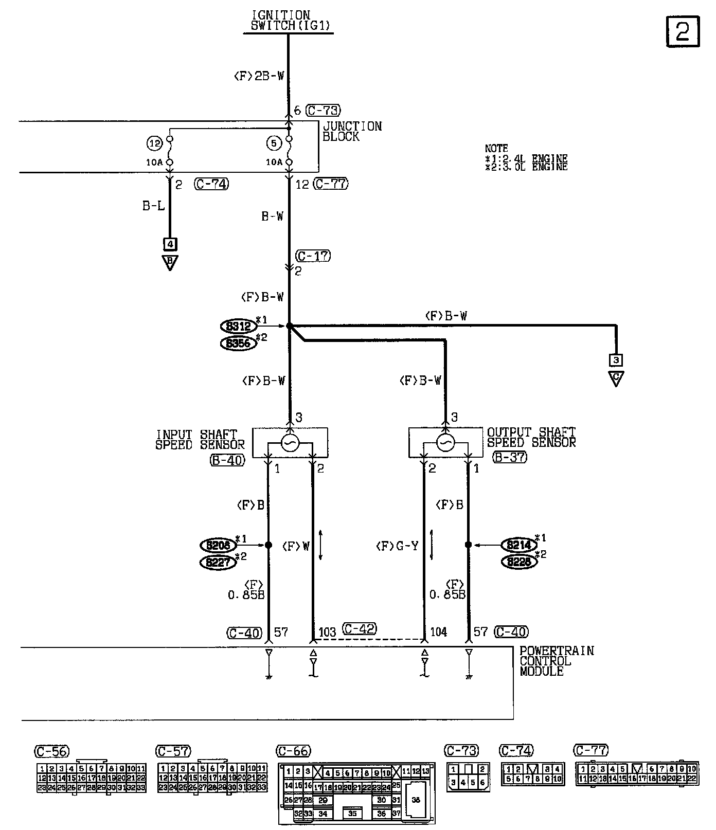
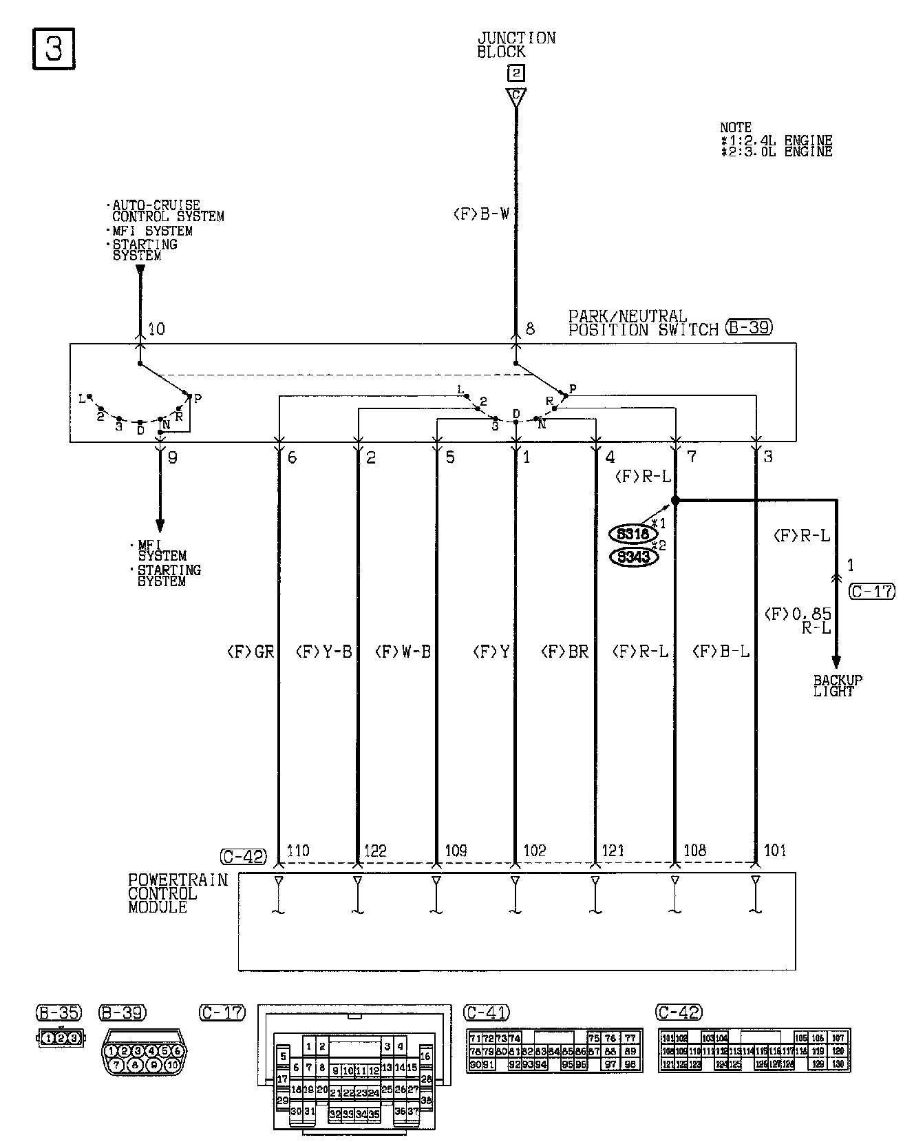
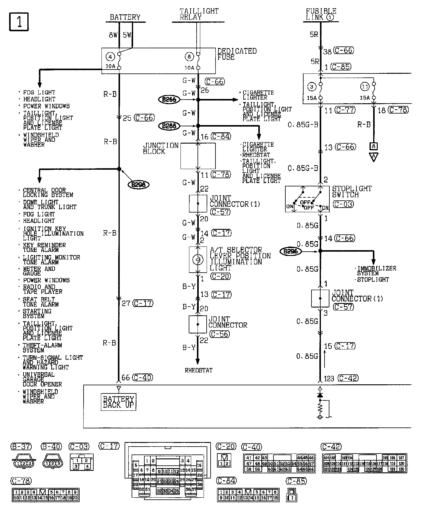
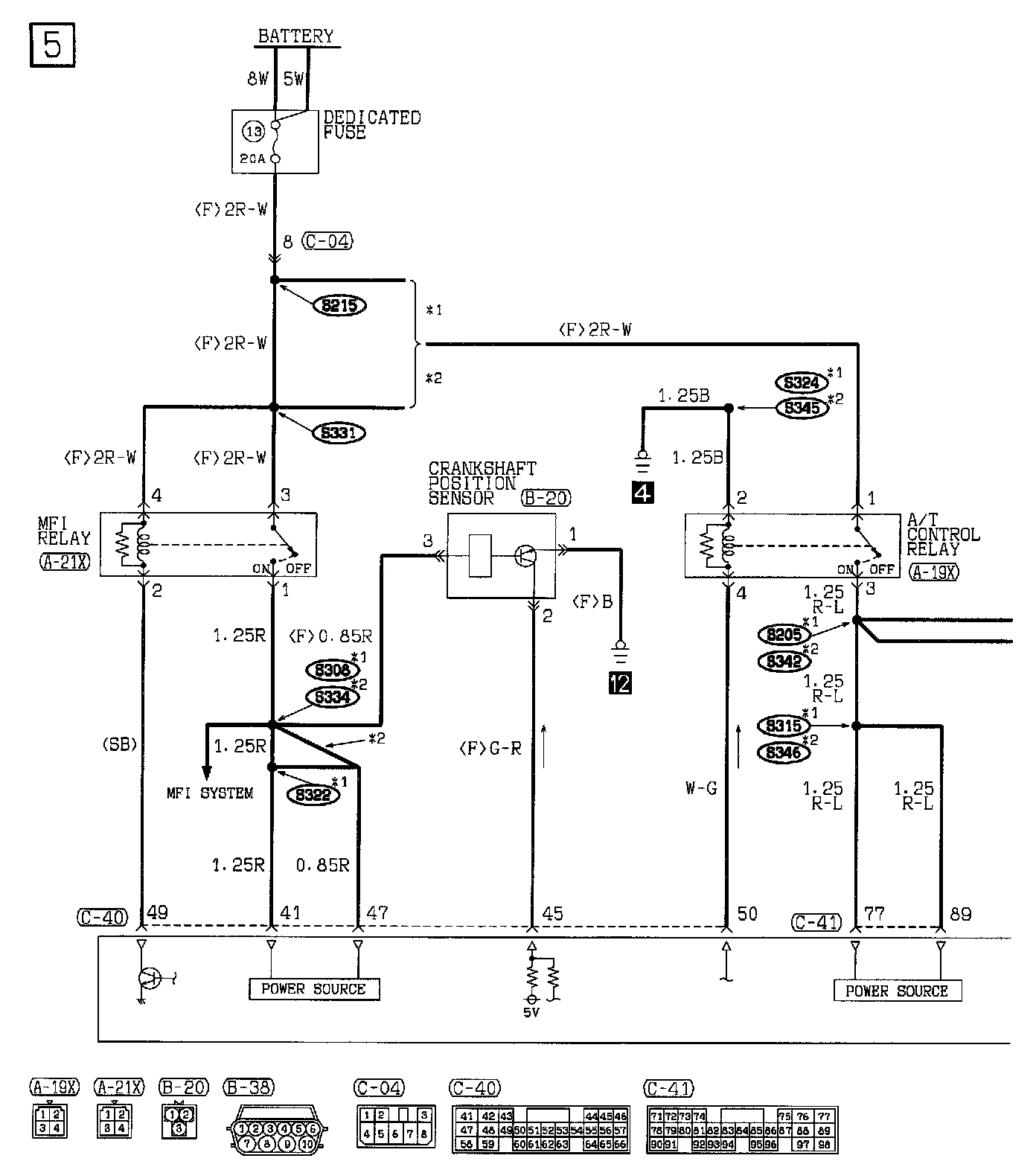
Electrical Diagrams




A/T Selector Lever Position Illumination Light
Dedicated Fuse
Joint Connector (1)
Junction Block
Stoplight Switch
Powertrain Control Module
Battery Back Up




Input Shaft Speed Sensor
Junction Block
Output Shaft Speed Sensor
Powertrain Control Module




Park/Neutral Position Switch
Powertrain Control Module




Powertrain Control Module
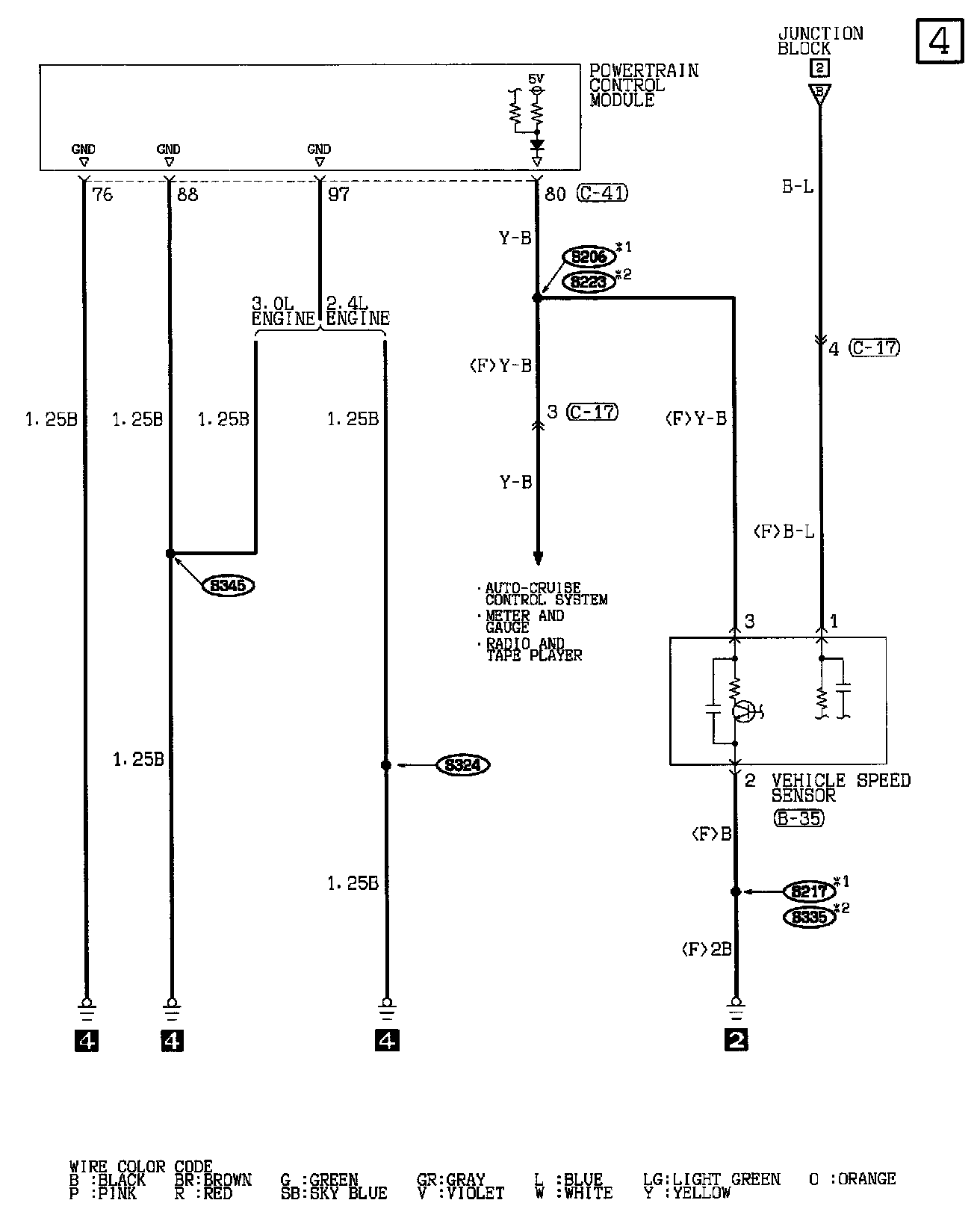
Vehicle Speed Sensor




A/T Control Relay
Crankshaft Position Sensor
Dedicated Fuse
MFI Relay




A/T Control Solenoid Valve Assembly
A/T Fluid Temperature Sensor
Powertrain Control Module




Auto-Cruise Control ECU
Powertrain Control Module
Throttle Position Sensor




Data Link Connector
Joint Connector (1)