Operation CHARM: Car repair manuals for everyone.
Manuals through 2025 now available!

Our trusted friends have launched a new website named LEMON, which has newer manuals. It also contains all the CHARM manuals.

LEMON is the spiritual successor to CHARM, I recommend you try it!

Link: lemon-manuals.la or lemon-manuals.org.ua

(Some people have issue connecting. LEMON is investigating. For now, use Firefox or change your DNS server)

Or, hide this message: temporarily or permanently

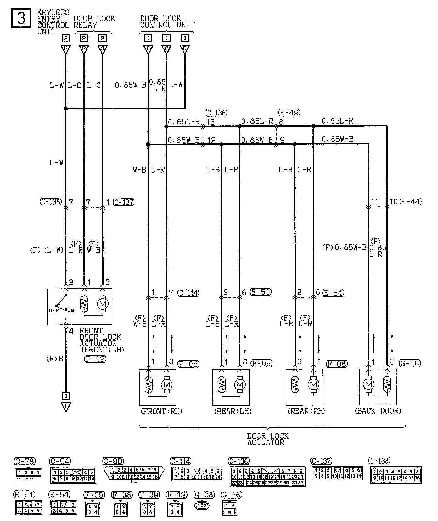
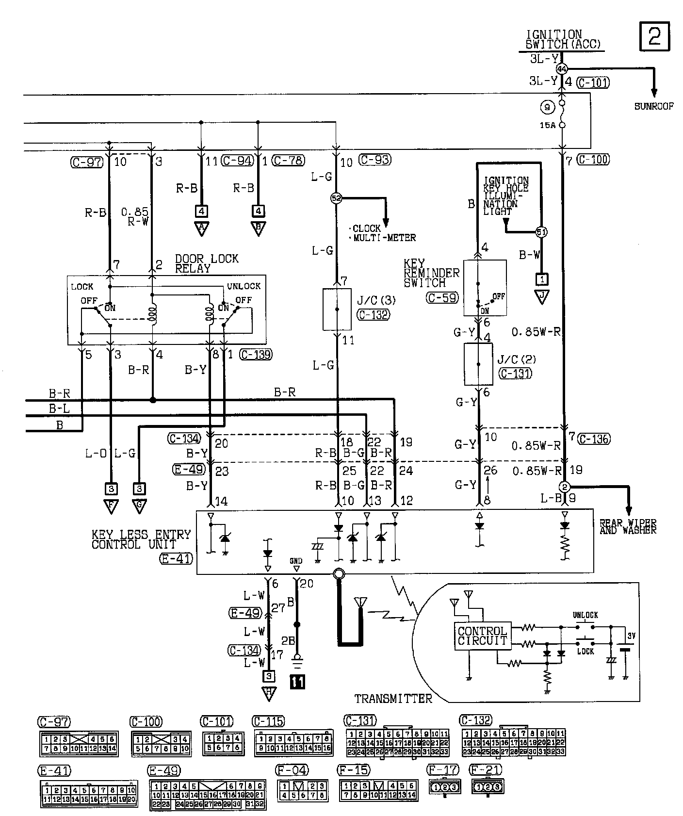
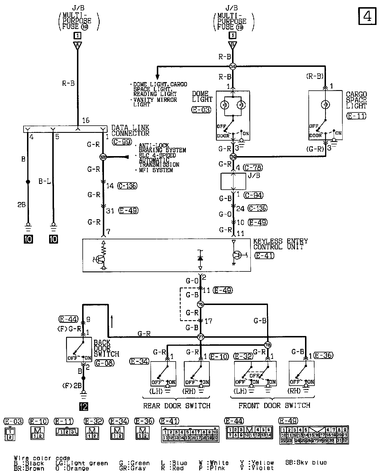
Vehicles With Keyless Entry System




Door Lock Control Unit
Door Lock Switch (LH & RH)
Front Door Actuator (Front : LH)
IOD or Storage Connector
J/B
Key Switch (RH & LH)
Key Reminder Switch




Door Lock Relay
J/B
J/C (2, 3)
Key Reminder Switch
Keyless Entry Control Unit
Transmitter




Door Lock Actuator (Rear : LH & RH)
Door Lock Actuator (Front : RH)
Front Door Lock Actuator (Front : LH)




Back Door Switch
Cargo Space Light
Data Link Connector
Dome Light
Front Door Switch (LH & RH)
Keyless Entry Control Unit
Rear Door Switch (LH & RH)