Operation CHARM: Car repair manuals for everyone.
Manuals through 2025 now available!

Our trusted friends have launched a new website named LEMON, which has newer manuals. It also contains all the CHARM manuals.

LEMON is the spiritual successor to CHARM, I recommend you try it!

Link: lemon-manuals.la or lemon-manuals.org.ua

(Some people have issue connecting. LEMON is investigating. For now, use Firefox or change your DNS server)

Or, hide this message: temporarily or permanently

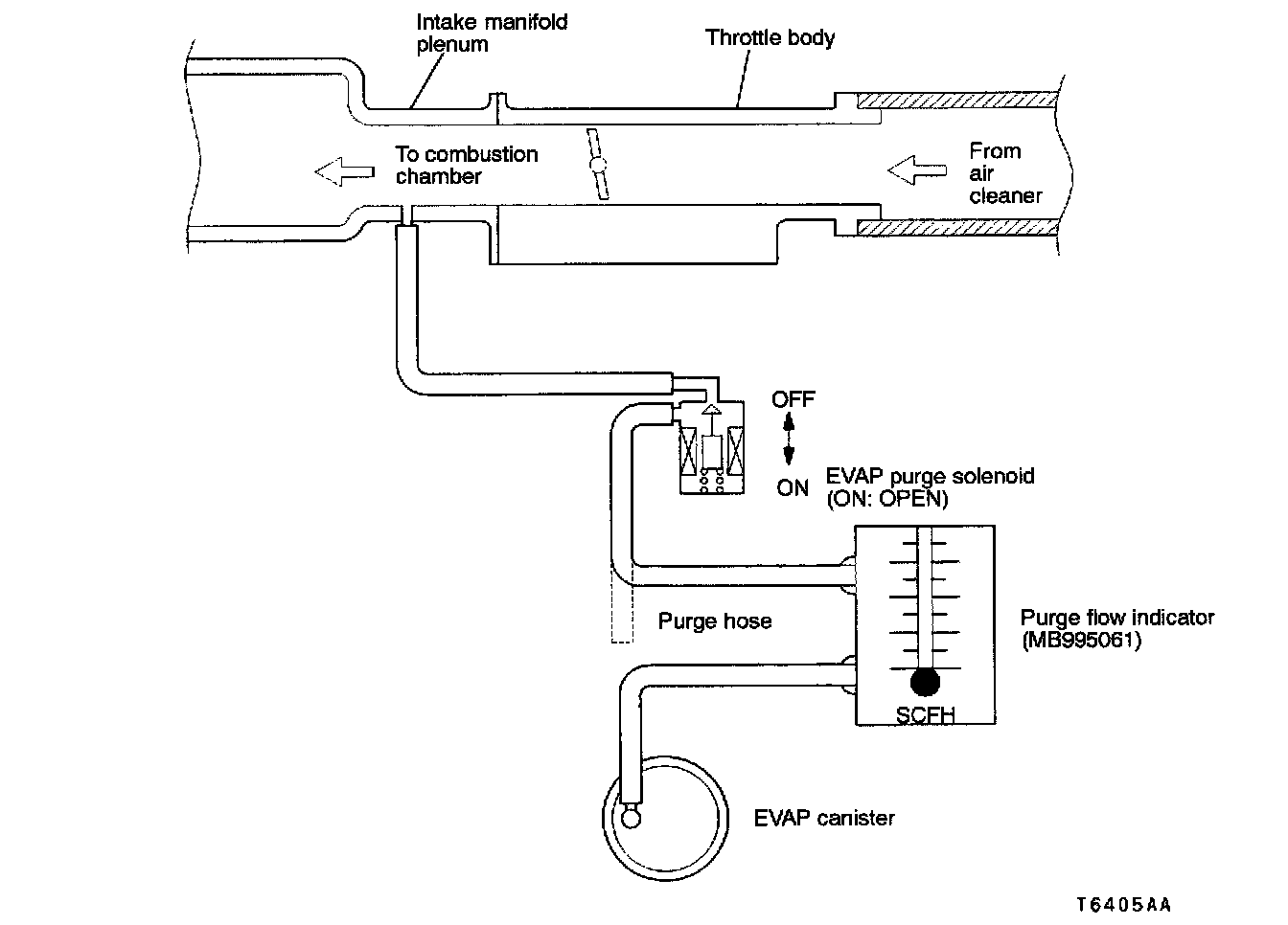
Purge Control System

PURGE CONTROL SYSTEM CHECK (PURGE FLOW CHECK):




1. Disconnect the purge hose from the evaporative emission (EVAP) canister, and connect the the special tool (purge flow indicator) between the EVAP canister and the purge hose.
2. Before inspection and adjustment, set the vehicle in the following conditions:

- Engine coolant temperature: 80 - 95° C (176 - 203°F)
- Lights, cooling fan and accessories: OFF
- Transmission: P range

3. Run the engine at idle for more than four minutes.
4. Race the engine suddenly several times, and check the purge flow amount.

Standard value: 20 cu.cm/sec (2.5 SCFH) or more

5. If the purge flow amount is less than the standard value, disconnect the vacuum hose from the EVAP canister and carry out the check again.

If the purge flow amount is less than the standard value, check the evaporative emission purge solenoid, vacuum port and vacuum hose for clogging.

If the purge flow amount meets the standard value, the EVAP canister should be replaced.