Operation CHARM
: Car repair manuals for everyone.
Home
>>
Mitsubishi
>>
2001
>>
Eclipse Spyder GT V6-3.0L SOHC
>>
Repair and Diagnosis
>>
Specifications
>>
Mechanical Specifications
>>
Automatic Transmission/Transaxle
>>
System Specifications
>>
Service Specifications
Manuals through 2025 now available!
Our trusted friends have launched a new website named LEMON, which has newer manuals. It also contains all the CHARM manuals.
LEMON is the spiritual successor to CHARM, I recommend you try it!
Link:
lemon-manuals.la
or
lemon-manuals.org.ua
(Some people have issue connecting. LEMON is investigating. For now, use Firefox or change your DNS server)
Or, hide this message:
temporarily
or
permanently
Service Specifications
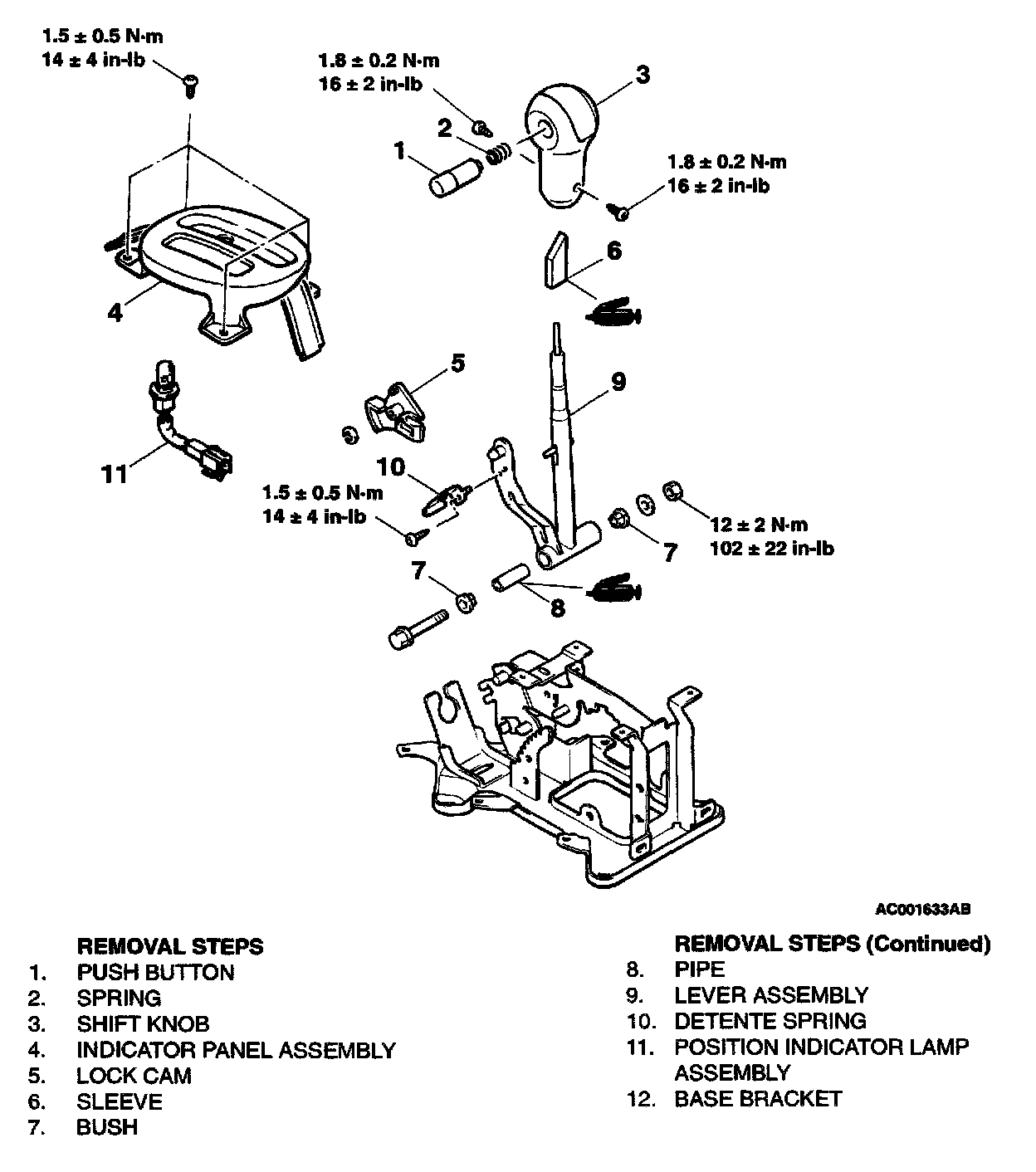
TRANSAXLE CONTROL
Removal And Installation
Disassembly And Reassembly
A/T KEY INTERLOCK AND SHIFT LOCK MECHANISMS
TRANSAXLE ASSEMBLY
GENERAL SPECIFICATIONS
FASTENER TIGHTENING SPECIFICATIONS
SERVICE SPECIFICATIONS