Operation CHARM: Car repair manuals for everyone.
Manuals through 2025 now available!

Our trusted friends have launched a new website named LEMON, which has newer manuals. It also contains all the CHARM manuals.

LEMON is the spiritual successor to CHARM, I recommend you try it!

Link: lemon-manuals.la or lemon-manuals.org.ua

(Some people have issue connecting. LEMON is investigating. For now, use Firefox or change your DNS server)

Or, hide this message: temporarily or permanently

Vehicle Lifting: Service and Repair

WRECKER TOWING RECOMMENDATION
FRONT TOWING PICKUP





CAUTION:
- The vehicle must not be towed by placing only its front wheels on a rolling dolly, because to do so will result in deterioration of the viscous coupling and in the viscous coupling causing the vehicle to jump forward suddenly.
- If this vehicle is towed, use flat bed equipment

REAR TOWING PICKUP





CAUTION:
- The vehicle must not be towed by placing only the rear wheels on a rolling dolly, because to do so will result in deterioration of the viscous coupling causing the vehicle to jump forward suddenly.
- If this vehicle is towed, use flat bed equipment.

SAFETY PRECAUTIONS
The following precautions should be taken when towing the vehicle:
1. DO NOT LIFT OR TOW THE VEHICLE BY ATTACHING TO OR WRAPPING AROUND THE BUMPER
2. Any loose, protruding, or damaged parts such as hoods, doors, fenders, trim, etc. should be secured or removed prior to moving the vehicle
3. Refrain from going under a vehicle when it is lifted by the towing equipment, unless the vehicle is adequately supported by safety stands
4. Never allow passengers to ride in a towed vehicle
5. State and local rules and regulations must be followed when towing a vehicle

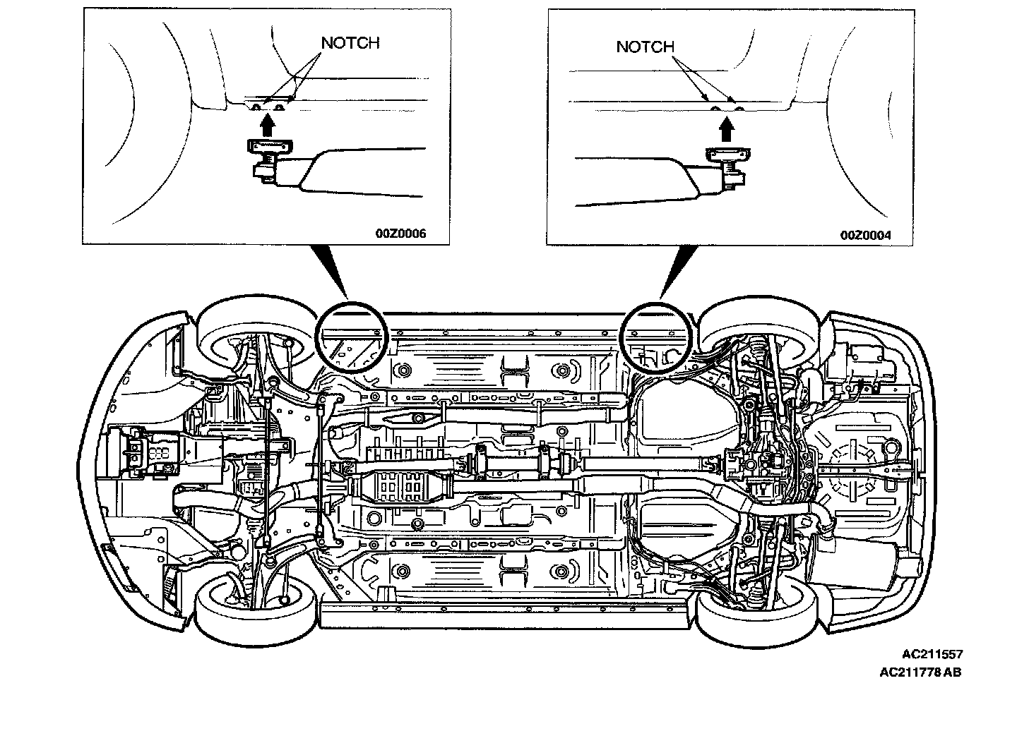
LIFTING, JACKING SUPPORT LOCATION
FLOOR JACK





CAUTION:
- Never support any point other than the specified one, or that point will be damaged.
- For lifting, put rubber or similar material between the side sill and rigid rack, or the side sill area will be damaged.

POST TYPE





Special care should be taken when raising the vehicle on a frame contact type hoist. The hoist must be equipped with the proper adapters in order to support the vehicle at the proper locations.

CAUTION: When service procedures require removing rear suspension, fuel tank and spare tire, place additional weight on rear end of vehicle or anchor vehicle to hoist to prevent tipping when the location of the center of gravity changes.