Operation CHARM: Car repair manuals for everyone.
Manuals through 2025 now available!

Our trusted friends have launched a new website named LEMON, which has newer manuals. It also contains all the CHARM manuals.

LEMON is the spiritual successor to CHARM, I recommend you try it!

Link: lemon-manuals.la or lemon-manuals.org.ua

(Some people have issue connecting. LEMON is investigating. For now, use Firefox or change your DNS server)

Or, hide this message: temporarily or permanently

Inspection Procedure 33

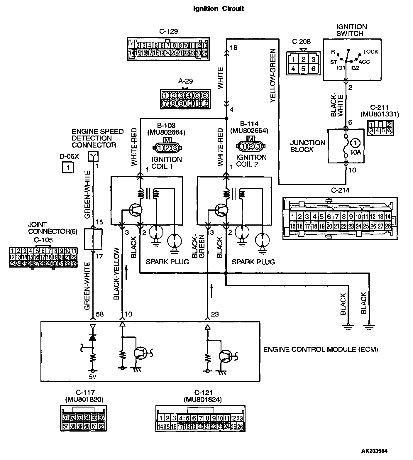
IGNITION CIRCUIT SYSTEM

Ignition Circuit Part 1:




Ignition Circuit Part 2:






CIRCUIT OPERATION
- The ignition coil is energized by Battery positive voltage from the ignition switch.
- When the ECM turns off its internal power transistor, battery positive voltage is applied to the ignition power transistor (terminal No. 3) inside the ignition coil, causing the ignition power transistor to be turned on.
- If the ignition power transistor is turned on, the primary circuit of the ignition coil is energized by grounding the ignition coil through terminal No. 2, causing the primary current to flow to the ignition coil.

TROUBLESHOOTING HINTS (THE MOST LIKELY CAUSES FOR THIS CASE:)
- Malfunction of the ignition coil.
- Malfunction of the ignition power transistor.
- Improper connector contact, open circuit or short-circuited harness wire.
- Malfunction of the ECM.

DIAGNOSIS

STEP 1. Check the ignition coil.
Refer to Ignition System - On-vehicle service - Ignition Coil Check.

Q: Are there any abnormalities?

YES: Go to Step 2.

NO: Replace the ignition coil. Then confirm that the malfunction symptom is eliminated.




STEP 2. Check harness connectors B-103, B-114 at ignition coil for damage.

Q: Is the harness connector in good condition?

YES: Go to Step 3.

NO: Repair or replace it. Refer to Harness Connector Inspection. Then confirm that the malfunction symptom is eliminated.

STEP 3. Measure the power supply voltage at ignition coil connectors B-103, B-114.




1. Disconnect the connectors B-103, B-114 and measure at the harness side.
2. Turn the ignition switch to the "ON" position.




3. Measure the voltage between terminal No. 1 and ground.
- Voltage should measure battery positive voltage.

4. Turn the ignition switch to the "LOCK" (OFF) position.

Q: Is battery positive voltage (approximately 12 volts) present?

YES: Go to Step 4.

NO: Check the connectors A-29, C-129, C-211 and C-214 at the intermediate connectors for damage, and repair or replace as required. Refer to Harness Connector Inspection. If the intermediate connectors are in good condition, repair harness wire between ignition switch connector C-208 (terminal No. 2) and ignition coil connectors B-103, B-114 (terminal No. 1) because of an open circuit. Then confirm that the malfunction symptom is eliminated.

STEP 4. Check the circuit at ignition coil harness side connectors B-103, B-114.




1. Disconnect the connectors B-103, B-114 and measure at the harness side.
2. Engine cranking.




3. Measure the voltage between terminal No. 3 and ground.
- Voltage should measure 0.3 and 3.0 volts.

4. Turn the ignition switch to the "LOCK" (OFF) position.

Q: Is the measured voltage between 0.3 and 3.0 volts?

YES: Go to Step 7.

NO: Go to Step 5.




STEP 5. Check connector C-121 at ECM for damage.

Q: Is the connector in good condition?

YES: Go to Step 6.

NO: Repair or replace it. Refer to Harness Connector Inspection. Then confirm that the malfunction symptom is eliminated.

STEP 6. Check for open circuit and short circuit to ground between ignition coil connector and ECM connector.







a. Check the harness wire between ignition coil connector B-103 (terminal No. 3) and ECM connector C-121 (terminal No. 10) at ignition coil 1.
b. Check the harness wire between ignition coil connector B-114 (terminal No. 3) and ECM connector C-121 (terminal No. 23) at ignition coil 2.

Q: Is the harness wire in good condition?

YES: Replace the ECM. Then confirm that the malfunction symptom is eliminated.

NO: Repair it. Then confirm that the malfunction symptom is eliminated.

STEP 7. Check for harness damage between ignition coil connector and ECM connector.







a. Check the harness wire between ignition coil connector B-103 (terminal No. 3) and ECM connector C-121 (terminal No. 10) at ignition coil 1.
b. Check the harness wire between ignition coil connector B-114 (terminal No. 3) and ECM connector C-121 (terminal No. 23) at ignition coil 2.

Q: Is the harness wire in good condition?

YES: Go to Step 8.

NO: Repair it. Then confirm that the malfunction symptom is eliminated.

STEP 8. Check for continuity at ignition coil harness side connectors B-103, B-114.




1. Disconnect the connectors B-103, B-114 and measure at the harness side.




2. Check for continuity between terminal No. 2 and ground.
- Should be less than 2 Ohms.

Q: Does continuity exist?

YES: Go to Step 9.

NO: Repair the harness wire between ignition coil connectors B-103, B-114 (terminal No. 2) and ground because of open circuit or harness damage. Then confirm that the malfunction symptom is eliminated.







STEP 9. Check connector B-06X at engine speed detection and connector C-117 at ECM.

Q:
Is the connector in good condition?

YES: Go to Step 10.

NO: Repair or replace it. Refer to Harness Connector Inspection. Then confirm that the malfunction symptom is eliminated.







STEP 10. Check for open circuit and short circuit to ground and harness damage between engine speed detection connector B-06X and ECM connector C-117 (terminal No. 58).

Q: Is the harness wire in good condition?

YES: Check the connector C-105 at intermediate connectors for damage, and repair or replace as required. Refer to Harness Connector Inspection. If intermediate connector is in good condition, replace the ECM. Then confirm that the malfunction symptom is eliminated.

NO: Repair it. Then confirm that the malfunction symptom is eliminated.