Operation CHARM: Car repair manuals for everyone.
Manuals through 2025 now available!

Our trusted friends have launched a new website named LEMON, which has newer manuals. It also contains all the CHARM manuals.

LEMON is the spiritual successor to CHARM, I recommend you try it!

Link: lemon-manuals.la or lemon-manuals.org.ua

(Some people have issue connecting. LEMON is investigating. For now, use Firefox or change your DNS server)

Or, hide this message: temporarily or permanently

Windshield Wiper and Washer Control Function

WINDSHIELD WIPER AND WASHER




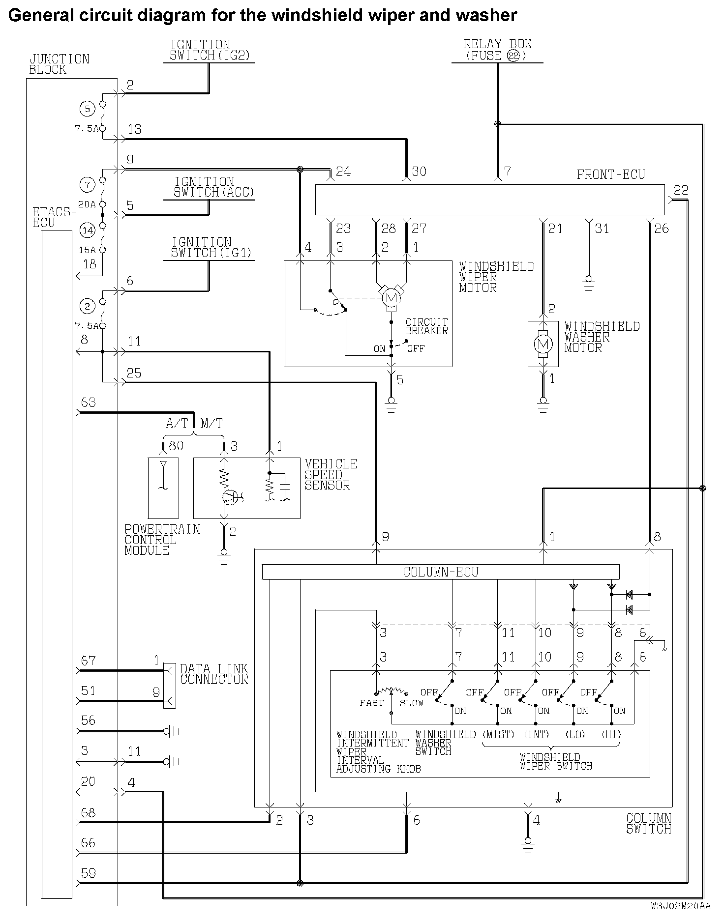
GENERAL DESCRIPTION CONCERNING THE WINDSHIELD WIPER AND WASHER
The above ECUs affect the functions and control of the windshield wiper and washer.

WINDSHIELD WIPER AND WASHER CONTROL FUNCTION




Intermittent control (Vehicle speed-dependent variable type)
The ETACS-ECU calculates the intermittent time according to the vehicle speed calculated from the windshield wiper intermittent time adjusting knob and vehicle speed signal (ECM or PCM ,) and sends it to the front ECU as SWS data.

NOTE: The vehicle speed-dependent function can be disabled by the adjustment procedures of SWS function.




The front-ECU determines the intermittent time T1 from the input SWS data signal, and turns ON the windshield wiper drive signal. When the wiper is at the STOP position, the windshield wiper auto-stop signal goes OFF to turn OFF the windshield wipe drive signal. After the intermittent time T1 seconds from when the windshield wiper drive signal turned ON, the windshield wiper drive signal is turned ON again and the above operation is repeated.




Mist wiper control
When the ignition switch is at the ACC or ON position, if the windshield mist
wiper switch of the column switch is turned ON, the front-ECU turns ON the windshield wiper drive signal. At the same time, the wiper speed switching relay is turned ON (HIGH-SPEED). While the windshield mist wiper switch is ON, the windshield wiper will operate at high speed. Then, if the windshield mist wiper switch is turned off, the wiper operates at low speed until it stops at the predetermined park position.

When the windshield mist switch is turned on briefly, the wiper operates at low speed once.

At the point the windshield mist switch is turned ON, if the windshield wiper has been operating intermittently, the same operations as the above will be performed while the windshield mist wiper switch is ON. After the windshield mist wiper switch goes OFF, the intermittent operations will be set again T1 seconds after the windshield wiper auto-stop signal is turned ON last.




Low speed wiper, high speed wiper control
When the ignition switch is at the ACC or ON position, if the windshield low speed wiper switch of the column switch is turned ON, the front-ECU turns ON the windshield wiper drive signal, turns OFF (LOW) the windshield wiper speed switching relay, and operates the windshield wiper at low speed. Next, when the windshield high speed wiper switch is turned ON, the windshield wiper drive signal is turned ON, the windshield wiper speed switching relay is turned ON (HIGH), and the windshield wiper is operated at high speed.




Washer control
When the ignition switch is at the ACC or ON position, if the windshield washer switch of the column switch is turned ON, the front-ECU turns ON the windshield washer relay. The windshield wiper drive signal is turned ON in 0.3 seconds until 3 seconds after the windshield washer switch goes OFF to operate the windshield wiper continuously. When the windshield washer switch is turned ON, if the windshield wiper is operating intermittently, intermittent operations will be continued after continuous operations.

NOTE: The wiper drive signal output time varies according to the conditions. Refer to the table for details.


General Circuit Diagram For The Windshield Wiper And Washer:





General Circuit Diagram For The Windshield Wiper And Washer