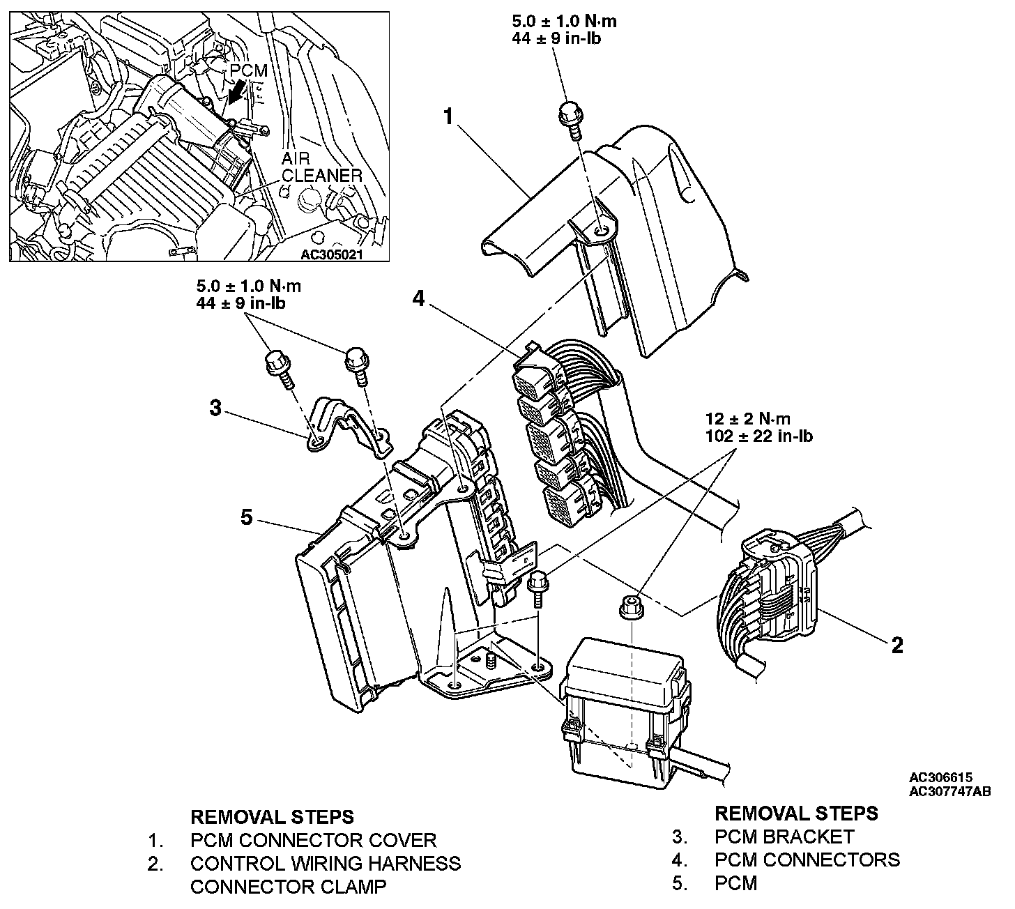
Engine Control Module: Service and Repair
The content of this article/images reflect the changes called out by TSB - 04-13-001Note:
The ETV must be initialized after performing any of the following operations:
^ Throttle body installation, removal, or replacement
^ Throttle body cleaning
^ PCM removal, installation, or replacement
^ Battery cable disconnect and reconnect
^ PCM reprogramming
To initialize the ETV, turn the ignition switch to the ON position (do not start engine), then turn it off. Keep it off for at least 10 seconds before starting the engine.