Operation CHARM: Car repair manuals for everyone.
Manuals through 2025 now available!

Our trusted friends have launched a new website named LEMON, which has newer manuals. It also contains all the CHARM manuals.

LEMON is the spiritual successor to CHARM, I recommend you try it!

Link: lemon-manuals.la or lemon-manuals.org.ua

(Some people have issue connecting. LEMON is investigating. For now, use Firefox or change your DNS server)

Or, hide this message: temporarily or permanently

Emission Control Systems: Service and Repair

Vacuum Hose Routing:




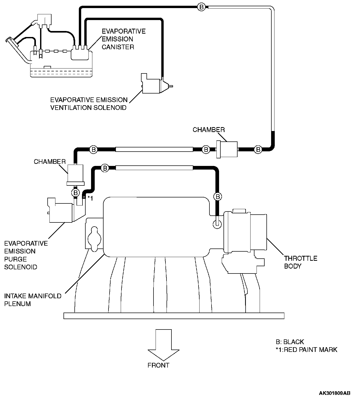
Vacuum Circuit Diagram:






VACUUM HOSE INSTALLATION
1. When connecting the vacuum hoses, they should be securely inserted onto the nipples.
2. Connect the hoses correctly, using the VACUUM HOSE ROUTING diagram as a guide.

VACUUM HOSE CHECK
1. Using the VACUUM HOSE ROUTING diagram as a guide, check that the vacuum hoses are correctly connected.
2. Check the connection of the vacuum hoses, (removed, loose, etc.) and confirm that there are no sharp bends or damage.