Operation CHARM: Car repair manuals for everyone.
Manuals through 2025 now available!

Our trusted friends have launched a new website named LEMON, which has newer manuals. It also contains all the CHARM manuals.

LEMON is the spiritual successor to CHARM, I recommend you try it!

Link: lemon-manuals.la or lemon-manuals.org.ua

(Some people have issue connecting. LEMON is investigating. For now, use Firefox or change your DNS server)

Or, hide this message: temporarily or permanently

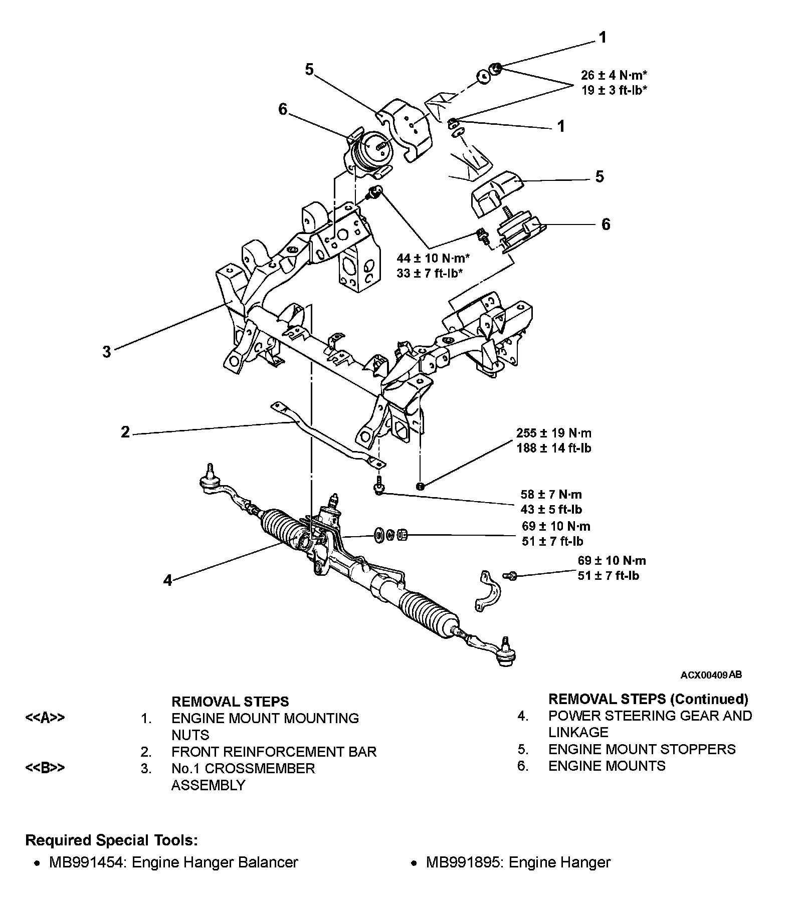
Front Cross-Member: Service and Repair

No.1 CROSSMEMBER









REMOVAL AND INSTALLATION

CAUTION:
^ Indicates parts which should be temporarily tightened, and then fully tightened with the vehicle on the ground in the unladen condition.
^ For vehicles with SRS, before removal of steering gear box, refer to SRS system, center the front wheels and remove the ignition key. Failure to do so may damage the SRS clock spring and render the SRS system inoperative, risking serious injury.

REMOVAL SERVICE POINT
[[A]] ENGINE MOUNT MOUNTING NUTS REMOVAL














1. Install the bolt to the "C" part on the headlight support panel.
2. Set special tools MB991895 and MB991454 to the front fender mounting bolts (A and B) and the oil reservoir bracket mounting bolts (C and D). Then remove the engine mount mounting nuts while supporting the engine and transmission assembly.

[[B]] No. 1 CROSSMEMBER ASSEMBLY REMOVAL





Use the transmission jack to support the No.1 crossmember and remove the front frame.