Operation CHARM: Car repair manuals for everyone.
Manuals through 2025 now available!

Our trusted friends have launched a new website named LEMON, which has newer manuals. It also contains all the CHARM manuals.

LEMON is the spiritual successor to CHARM, I recommend you try it!

Link: lemon-manuals.la or lemon-manuals.org.ua

(Some people have issue connecting. LEMON is investigating. For now, use Firefox or change your DNS server)

Or, hide this message: temporarily or permanently

Engine Control Module: Service and Repair

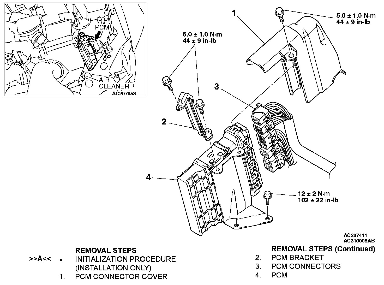
POWERTRAIN CONTROL MODULE (PCM)

REMOVAL AND INSTALLATION

Removal Steps 1-4:






CAUTION: Do not replace the PCM and the ETACS-ECU simultaneously. Always replace either one of the ECUs first, and register the encrypted code (Refer to Encrypted Code Registration Criteria Table). Then, replace the other ECU.

INSTALLATION SERVICE POINT

>>A<< INITIALIZATION PROCEDURE

Turn the ignition switch on then off, and keep it off for at least 10 seconds.