Operation CHARM: Car repair manuals for everyone.
Manuals through 2025 now available!

Our trusted friends have launched a new website named LEMON, which has newer manuals. It also contains all the CHARM manuals.

LEMON is the spiritual successor to CHARM, I recommend you try it!

Link: lemon-manuals.la or lemon-manuals.org.ua

(Some people have issue connecting. LEMON is investigating. For now, use Firefox or change your DNS server)

Or, hide this message: temporarily or permanently

Inspection Procedure 31

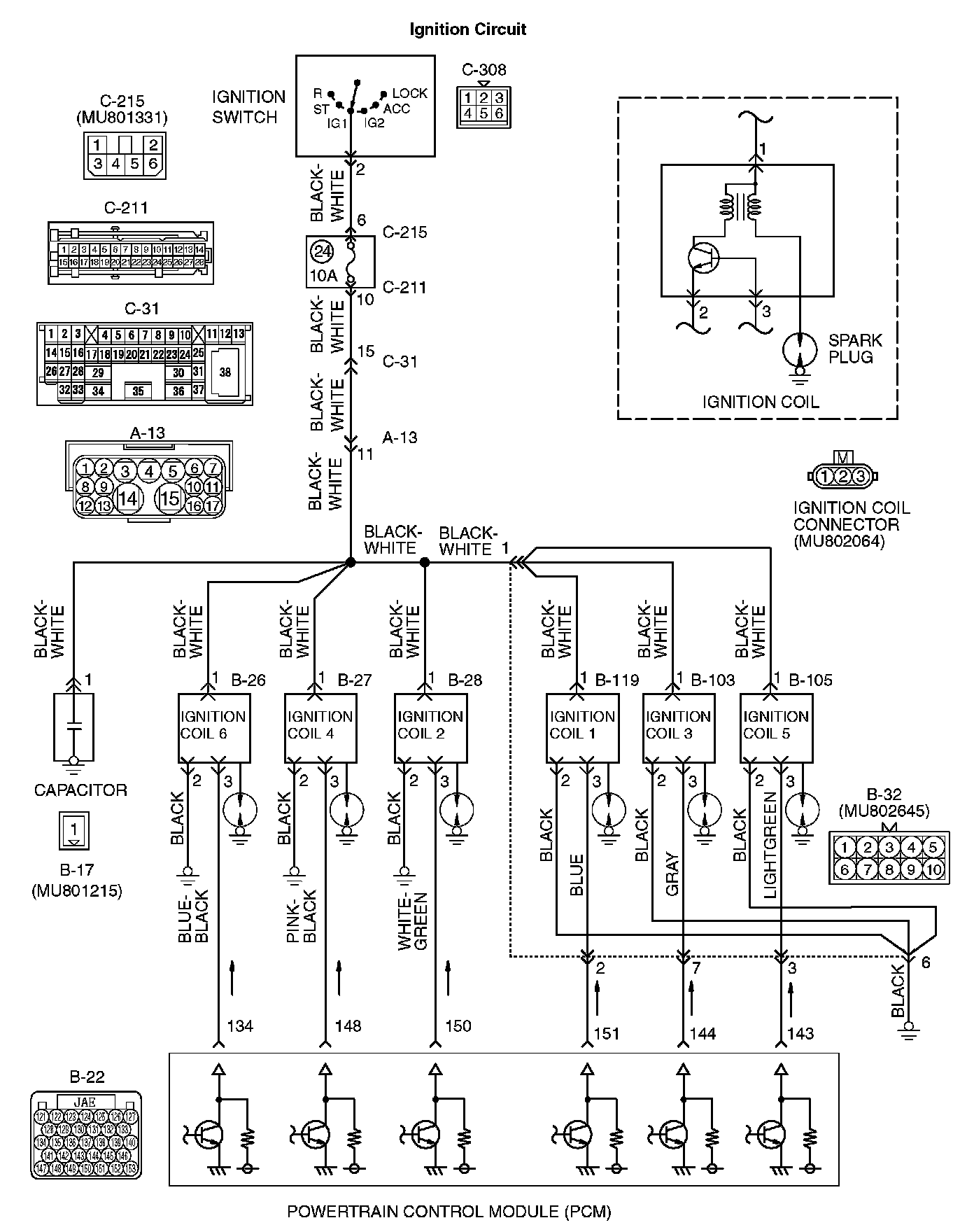
INSPECTION PROCEDURE 31: Ignition Circuit System.

Ignition Circuit Part 1:




Ignition Circuit Part 2:






CIRCUIT OPERATION
- The ignition coil is energized by battery positive voltage from the ignition switch.
- When the PCM turns off its internal power transistor, battery positive voltage is applied to the ignition power transistor (terminal No. 3) inside the ignition coil, causing the ignition power transistor to be turned on.
- If the ignition power transistor is turned on, the primary circuit of the ignition coil is energized by grounding the ignition coil through terminal No. 2, causing the primary current to flow to the ignition coil.

TROUBLESHOOTING HINTS (The most likely causes for this case:)
- Malfunction of the ignition coil.
- Malfunction of the ignition power transistor.
- Improper connector contact, open circuit or short-circuit harness wire.
- Malfunction of the PCM.

DIAGNOSIS

STEP 1. Check the ignition coil.
1. Remove the intake manifold.
2. Refer to Ignition System - On-vehicle service - Ignition Coil Check in ignition coil.

Q: Are there any abnormalities?

YES: Replace the ignition coil. Then confirm that the malfunction symptom is eliminated.

NO: Go to Step 2.




STEP 2. Check harness connectors B-26, B-27, B-28, B-103, B-105, B-119 at ignition coil for damage.

Q: Is the harness connector in good condition?

YES: Go to Step 3.

NO: Repair or replace it. Then confirm that the malfunction symptom is eliminated.

STEP 3. Measure the power supply voltage at ignition coil connectors B-26, B-27, B-28, B-103, B-105, B-119.




1. Disconnect the connector B-26, B-27, B-28, B-103, B-105, B-119 and measure at the harness side.




2. Turn the ignition switch to the "ON" position.
3. Measure the voltage between terminal No. 1 and ground.
- Voltage should be battery positive voltage.

4. Turn the ignition switch to the "LOCK" (OFF) position.

Q: Is battery positive voltage (approximately 12 volts) present?

YES: Go to Step 5.

NO: Go to Step 4.







STEP 4. Check for open circuit between ignition switch connector C-308 (terminal No. 2) and ignition coil connectors B-26, B-27, B-28, B-103, B-105, B-119 (terminal No. 1).

NOTE: Check harness after checking intermediate connectors A-13, B-32, C-31, C-211, C-215 and C-308. If intermediate connectors are damaged, repair or replace them. Then confirm that the malfunction symptom is eliminated.

Q: Is the harness wire in good condition?

YES: Repair harness wire between ignition switch connector C-308 (terminal No. 2) and capacitor connector B-17 (terminal No. 1) because of short circuit to ground. Then confirm that the malfunction symptom is eliminated.

NO: Repair it. Then confirm that the malfunction symptom is eliminated.

STEP 5. Check the circuit at ignition coil harness side connectors B-26, B-27, B-28, B-103, B-105, B-119.




1. Disconnect the connectors B-26, B-27, B-28, B-103, B-105, B-119 and measure at the harness side.
2. Crank the engine.




3. Measure the voltage between terminal No. 3 and ground.

NOTE: The average voltage through an analog voltmeter is described in this service manual (because the average voltage is too stable to be shown on a digital voltmeter).
- Voltage should be 0.3 and 3.0 volts.

4. Turn the ignition switch to the "LOCK" (OFF) position.

Q: Is the measured voltage between 0.3 and 3.0 volts ?

YES: Go to Step 8.

NO: Go to Step 6.




STEP 6. Check harness connector B-22 at PCM for damage.

Q: Is the harness connector in good condition?

YES: Go to Step 7.

NO: Repair or replace it. Then confirm that the malfunction symptom is eliminated.







STEP 7. Check for open circuit and short circuit to ground between ignition coil connector and PCM connector.

NOTE: Check harness after checking intermediate connector B-32. If intermediate connector is damaged, repair or replace it. Then confirm that the malfunction symptom is eliminated.

a. Check the harness wire between ignition coil connector B-119 (terminal No. 3) and PCM connector B-22 (terminal No. 151) at ignition coil 1.
b. Check the harness wire between ignition coil connector B-28 (terminal No. 3) and PCM connector B-22 (terminal No. 150) at ignition coil 2.
c. Check the harness wire between ignition coil connector B-103 (terminal No. 3) and PCM connector B-22 (terminal No. 144) at ignition coil 3.
d. Check the harness wire between ignition coil connector B-27 (terminal No. 3) and PCM connector B-22 (terminal No. 148) at ignition coil 4.
e. Check the harness wire between ignition coil connector B-105 (terminal No. 3) and PCM connector B-22 (terminal No. 143) at ignition coil 5.
f. Check the harness wire between ignition coil connector B-26 (terminal No. 3) and PCM connector B-22 (terminal No. 134) at ignition coil 6.

Q: Is the harness wire in good condition?

YES: Replace the PCM. Then confirm that the malfunction symptom is eliminated.

NO: Repair it. Then confirm that the malfunction symptom is eliminated.







STEP 8. Check for harness damage between ignition coil connector and PCM connector.

NOTE: Check harness after checking intermediate connector B-32. If intermediate connector is damaged, repair or replace it. Then confirm that the malfunction symptom is eliminated.

a. Check the harness wire between ignition coil connector B-119 (terminal No. 3) and PCM connector B-22 (terminal No. 151) at ignition coil 1.
b. Check the harness wire between ignition coil connector B-28 (terminal No. 3) and PCM connector B-22 (terminal No. 150) at ignition coil 2.
c. Check the harness wire between ignition coil connector B-103 (terminal No. 3) and PCM connector B-22 (terminal No. 144) at ignition coil 3.
d. Check the harness wire between ignition coil connector B-27 (terminal No. 3) and PCM connector B-22 (terminal No. 148) at ignition coil 4.
e. Check the harness wire between ignition coil connector B-105 (terminal No. 3) and PCM connector B-22 (terminal No. 143) at ignition coil 5.
f. Check the harness wire between ignition coil connector B-26 (terminal No. 3) and PCM connector B-22 (terminal No. 134) at ignition coil 6.

Q: Is the harness wire in good condition?

YES: Replace the PCM. Then confirm that the malfunction symptom is eliminated.

NO: Repair it. Then confirm that the malfunction symptom is eliminated.