Operation CHARM: Car repair manuals for everyone.
Manuals through 2025 now available!

Our trusted friends have launched a new website named LEMON, which has newer manuals. It also contains all the CHARM manuals.

LEMON is the spiritual successor to CHARM, I recommend you try it!

Link: lemon-manuals.la or lemon-manuals.org.ua

(Some people have issue connecting. LEMON is investigating. For now, use Firefox or change your DNS server)

Or, hide this message: temporarily or permanently

Inspection Procedure 30

Ignition Switch-ST System and Transmission Range Switch System

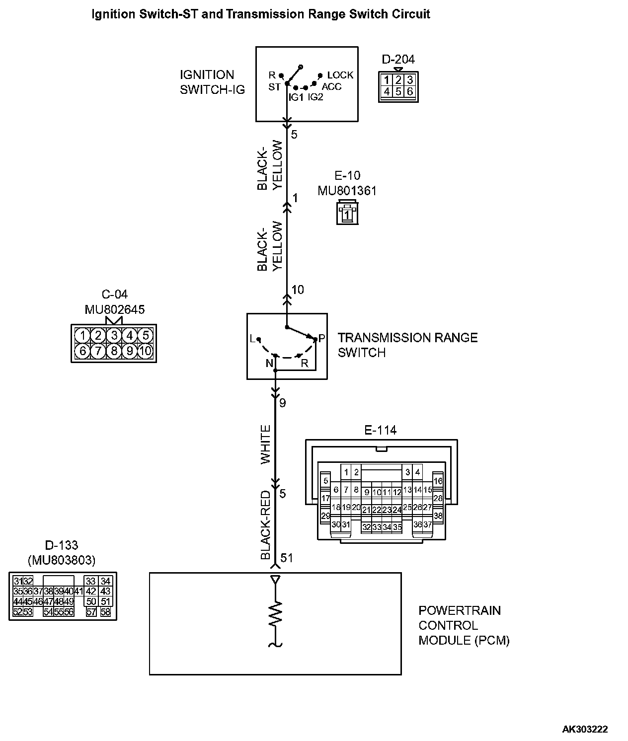
Ignition Switch-ST And Transmission Range Switch Circuit Part 1:




Ignition Switch-ST And Transmission Range Switch Circuit Part 2:






COMMENT
- If the selector lever is moved to "P" or "N" range and the ignition switch is turned to "START" position, a battery positive voltage is supplied to PCM (terminal No.51) through the ignition switch and transmission range switch. Because of this, the PCM detects that the engine is cranking.
- The transmission range switch detects the transmission range (P, N or other ranges) and converts it to a voltage signal (high or low). Then the transmission range switch sends that signal to the PCM.

If the selector lever is moved to "P" or "N" range with the ignition switch turned on (except "START" position), continuity will exist between the PCM and ground through the transmission range switch and starter motor. The terminal voltage of the PCM will become low. If the selector lever is moved to the other ranges, continuity will be lost between the PCM and ground. The terminal voltage of the PCM will become high.

TROUBLESHOOTING HINTS (The most likely caused for this code to be set are:)
- Malfunction of the ignition switch.
- Malfunction of the transmission range switch.
- Improper connector contact, open circuit or shorted harness wire.
- Malfunction of the PCM.

DIAGNOSIS




STEP 1. Check connector C-04 at transmission range switch for damage.

Q: Is the connector in good condition?

YES: Go to Step 2.

NO: Repair or replace it. Refer to Harness Connector Inspection. Then confirm that the malfunction symptom is eliminated.

STEP 2. Check the transmission range switch.
Refer to On-vehicle Service - Essential Service -Transmission Range Switch Continuity Check.

Q: Are there any abnormalities?

YES: Repair or replace it. Then confirm that the malfunctions symptom is eliminated.

NO: Go to Step 3.

STEP 3. Measure the power supply voltage at transmission range switch connector C-04.




1. Disconnect the connector C-04 and measure at the harness side.
2. Turn the ignition switch to the "START" position.




3. Measure the voltage between terminal No.10 and ground.
- Voltage should be battery positive voltage.

4. Turn the ignition switch to the "LOCK" (OFF) position.

Q: Is battery positive voltage (approximately 12 volts) present?

YES: Go to Step 4.

NO: Check connector E-10 at intermediate connector for damage, and repair or replace as required. Refer to Harness Connector Inspection. If intermediate connector is in good condition, repair harness wire between ignition switch connector D-204 (terminal No.5) and transmission range switch connector C-04 (terminal No.10) because of open circuit. Then confirm that the malfunction symptom is eliminated.




STEP 4. Check connector D-133 at PCM for damage.

Q: Is the connector in good condition?

YES: Go to Step 5.

NO: Repair or replace it. Refer to Harness Connector Inspection. Then confirm that the malfunction symptom is eliminated.







STEP 5. Check for open circuit and short circuit to ground and harness damage between transmission range switch connector C-04 (terminal No.9) and PCM connector D-133 (terminal No.51).

NOTE: Check harness after checking intermediate connector E-114. If intermediate connector E-114 is damaged, repair or replace it. Refer to Harness Connector Inspection.

Q: Is the harness wire in good condition?

YES: Replace the PCM. Then confirm that the malfunction symptom is eliminated.

NO: Repair it. Then confirm that the malfunction symptom is eliminated.