Operation CHARM: Car repair manuals for everyone.
Manuals through 2025 now available!

Our trusted friends have launched a new website named LEMON, which has newer manuals. It also contains all the CHARM manuals.

LEMON is the spiritual successor to CHARM, I recommend you try it!

Link: lemon-manuals.la or lemon-manuals.org.ua

(Some people have issue connecting. LEMON is investigating. For now, use Firefox or change your DNS server)

Or, hide this message: temporarily or permanently

Battery Cable: Service and Repair

BATTERY CABLES

REMOVAL

NEGATIVE




1. Turn the ignition switch to the Off position. Be certain that all electrical accessories are turned off.
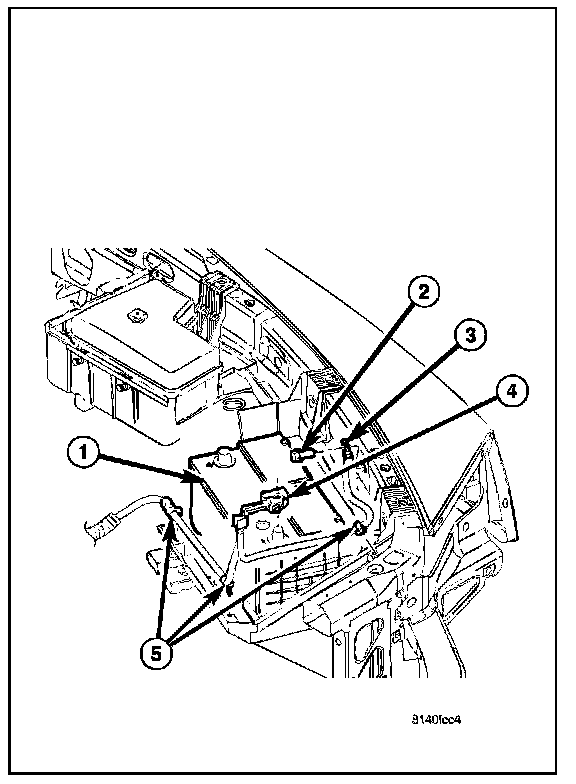
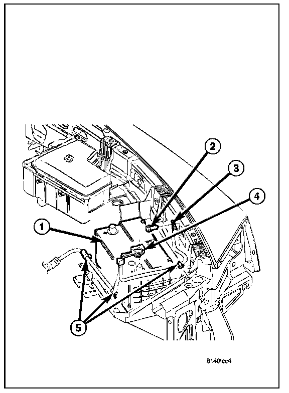
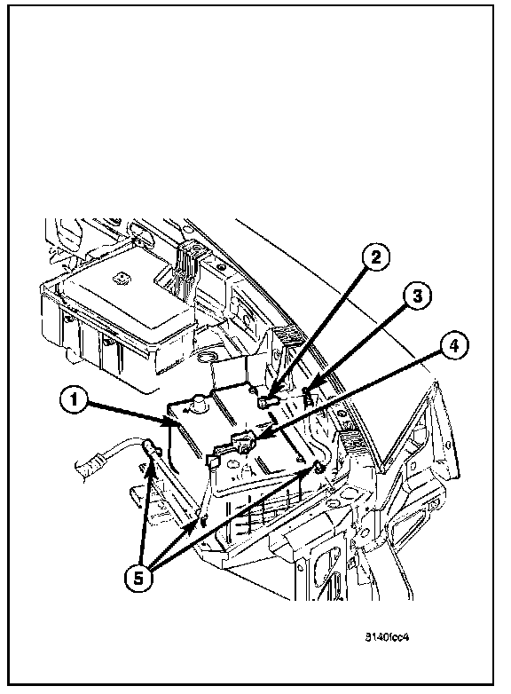
2. Disconnect and isolate the battery negative cable terminal clamp (4).
3. Remove the bolt (2) securing the negative cable eyelet (3) to the left front fender.




4. One at a time, trace the battery cable retaining pushpins (5) , fasteners and routing clips until the cable is free from the vehicle.
5. Raise the vehicle on a hoist.
6. Remove the bolt (3) securing the negative cable (1) to the engine (2).
7. Separate the cable from the engine harness conduit.
8. Remove the battery negative cable from the vehicle.

POSITIVE




1. Turn the ignition switch to the Off position. Be certain that all electrical accessories are turned off.
2. Disconnect and isolate the battery negative cable.




3. Loosen the band clamp (2) on the air inlet tube (1) and remove the bolts (3) from the air intake resonator (4). Remove the resonator from the vehicle.
4. Disconnect the battery positive cable terminal clamp (8).
5. Remove the nut (5) securing the cable to the Integrated Power Module (IPM) (7) stud (6).




6. Lift the terminal cap and remove the nut (3) securing the cable (4) to the alternator.
7. Disconnect the starter solenoid wire harness connector (1).




8. Disconnect the battery cable retaining pushpin (5) securing the cable to the left frame rail (4).
9. Raise the vehicle on a hoist.
10. Remove the nut (2) securing the cable (1) to the starter solenoid (3).
11. Disconnect the battery cable retaining pushpin (6) securing the cable to the engine block.
12. Lower the vehicle.
13. Remove the battery positive cable from the vehicle.

INSTALLATION

NEGATIVE




1. Position the battery negative cable (4) in the vehicle and into the engine harness conduit.
2. One at a time, install the battery cable retaining pushpins (5) , fasteners and routing clips until the cable is secure in the vehicle.




3. Install the bolt (2) securing the negative cable eyelet (3) to the left front fender. Tighten the bolt to 20 Nm (15 ft. lbs.).
4. Raise the vehicle on a hoist.




5. Install the bolt (3) securing the negative cable (1) to the engine block (2). Tighten the bolt to 16.5 Nm (145 in. lbs.).
6. Lower the vehicle.
7. Connect the battery negative cable terminal clamp (4). Tighten the battery terminal clamp pinch-bolt hex nut to 5 Nm (45 in. lbs.).
8. Check the vehicle for normal operation.

POSITIVE




1. Position the battery positive cable (4 and 8) in the vehicle.
2. Install the nut (5) securing the cable to the Integrated Power Module (IPM) (7) stud (6). Tighten the nut to 11.5 Nm (105 in. lbs.).




3. Install the nut (3) securing the cable (4) to the alternator. Tighten the nut to 14 Nm (125 in. lbs.).
4. Install the cable pushpin (5) into the left frame rail (4).




5. Connect the starter solenoid wire harness connector (1).
6. Raise the vehicle on a hoist.
7. Install the nut (2) securing the cable (1) to the starter solenoid (3). Tighten the nut to 13 Nm (115 in. lbs.).
8. Connect the battery cable retaining pushpin (6) securing the cable to the engine block.




9. Lower the vehicle.




10. Connect the battery positive cable terminal clamp (8). Tighten the battery terminal clamp pinch-bolt hex nut to 5 Nm (45 in. lbs.).
11. Position the resonator (4) into the vehicle. Install the bolts (3) into the air intake resonator (4) and tighten the band clamp (2) on the air inlet tube (1).
12. Connect the battery negative cable terminal clamp. Tighten the battery terminal clamp pinch-bolt hex nut to 5 Nm (45 in. lbs.).
13. Check the vehicle for normal operation.