Operation CHARM: Car repair manuals for everyone.
Manuals through 2025 now available!

Our trusted friends have launched a new website named LEMON, which has newer manuals. It also contains all the CHARM manuals.

LEMON is the spiritual successor to CHARM, I recommend you try it!

Link: lemon-manuals.la or lemon-manuals.org.ua

(Some people have issue connecting. LEMON is investigating. For now, use Firefox or change your DNS server)

Or, hide this message: temporarily or permanently

Coolant Temperature Sensor/Switch (For Computer): Service and Repair

SENSOR - ENGINE COOLANT TEMPERATURE

REMOVAL





WARNING: HOT, PRESSURIZED COOLANT CAN CAUSE INJURY BY SCALDING. COOLING SYSTEM MUST BE PARTIALLY DRAINED BEFORE REMOVING THE ENGINE COOLANT TEMPERATURE (ECT) SENSOR.

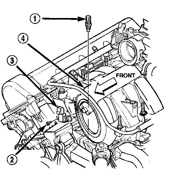
The Engine Coolant Temperature (ECT) sensor (1) on the 4.7L V-8 engine is located near the front of the intake manifold.

1. Partially drain the cooling system.
2. Disconnect the electrical connector from the ECT sensor (1).
3. Remove the sensor (1) from the intake manifold.

INSTALLATION





1. Apply thread sealant to sensor threads.
2. Install ECT sensor (1) to engine.
3. Tighten sensor to 11 Nm (97.3 inch lbs.) torque.
4. Connect electrical connector to sensor (1).
5. Fill cooling system.