Operation CHARM: Car repair manuals for everyone.
Manuals through 2025 now available!

Our trusted friends have launched a new website named LEMON, which has newer manuals. It also contains all the CHARM manuals.

LEMON is the spiritual successor to CHARM, I recommend you try it!

Link: lemon-manuals.la or lemon-manuals.org.ua

(Some people have issue connecting. LEMON is investigating. For now, use Firefox or change your DNS server)

Or, hide this message: temporarily or permanently

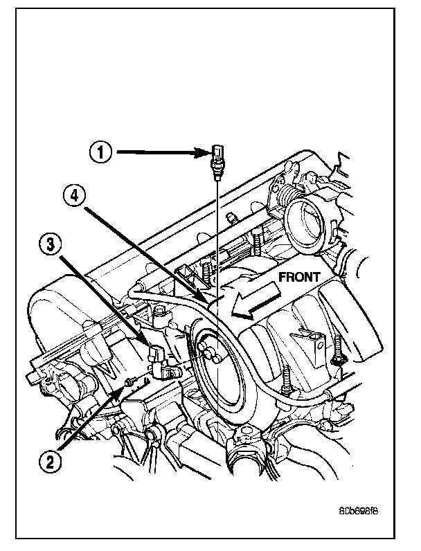
Manifold Pressure/Vacuum Sensor: Service and Repair

SENSOR - MAP

REMOVAL




The MAP sensor (3) is located on the front of the intake manifold. An O-ring seals the sensor to the intake manifold.
1. Disconnect electrical connector at sensor.
2. Clean area around MAP sensor.
3. Remove two sensor mounting bolts (2).
4. Remove MAP sensor from intake manifold.
5. Check condition of sensor O-ring.

INSTALLATION




The MAP sensor (3) is located on the front of the intake manifold. An O-ring the sensor to the intake manifold.
1. Clean MAP sensor mounting hole at intake manifold.
2. Check MAP sensor O-ring seal for cuts or tears.
3. Position sensor into manifold.
4. Install MAP sensor mounting bolts (screws). Refer to Torque Specifications.
5. Connect electrical connector.