Operation CHARM: Car repair manuals for everyone.
Manuals through 2025 now available!

Our trusted friends have launched a new website named LEMON, which has newer manuals. It also contains all the CHARM manuals.

LEMON is the spiritual successor to CHARM, I recommend you try it!

Link: lemon-manuals.la or lemon-manuals.org.ua

(Some people have issue connecting. LEMON is investigating. For now, use Firefox or change your DNS server)

Or, hide this message: temporarily or permanently

Part 2

REAR WIPER AND WASHER

REAR WIPER CONTROL
- Rear wiper activity is prevented by the ETACS-ECU when the glass hatch is open. Rear wiper operation is permitted 3 seconds after the glass hatch is closed.
- The rear wiper is operated twice consecutively by the ETACS-ECU when the rear wiper is switched on if the glass hatch is closed and the ignition is switched to ACC or ON. After that, operation continues at 8-second intervals. If the rear wiper is switched off during the two consecutive operations, operation will be stopped at that moment. During rear wiper operation, the ETACS-ECU operates the rear wiper consecutively when the selector lever is in the "R" position.

REAR WASHER CONTROL
- Rear washer activity is prevented by the ETACS-ECU when the glass hatch is open. Rear wiper operation is permitted 3 seconds after the glass hatch is closed.
- The rear washer is operated by the ETACS-ECU when the rear washer is switched on if the glass hatch is closed and the ignition is switched to ACC or ON. Holding the rear washer switch on for more than 0.3 second will trigger the rear wiper to operate until the rear washer is switched off, at which time it will stop operating after 3 seconds.

SEAT BELT INDICATOR

If any of the following conditions is met with the ignition switch at "ON" or "ST", the ETACS-ECU illuminates, flashes or extinguishes the seat belt indicator by using the driver's seat belt switch signal and the vehicle speed signal sent from the combination meter.
- Illuminates when the ignition switch is at "ON" and the seat belt switch is turned on (the driver's seat belt is unfastened).
- Flashes and illuminates the indicator 12 cycles (after 0.5 seconds) if any of the following conditions is met when sixty seconds or more have elapsed since the ignition switch is turned "ON". One cycle consists of five-second "flashing" and then three-second "illumination".
a. The vehicle speed has reached 8 km/h (5 mph) while the seat belt switch is turned on (driver's seat belt is not fastened) with the ignition switch "ON.
b. The seat belt switch has been turned on (driver's seat belt has not been fastened) for at least ten seconds while the ignition switch has been turned "ON" and the vehicle speed has been 8 km/h 5 mph) or more.

NOTE: Once this timer operation has been activated, it will not be activated again until the vehicle speed reduces to 3 km/h (2 mph) or less even if any of the following conditions is met.

- The indicator stops illuminating if the ignition switch or the seat belt switch is turned off (the driver's seat belt is fastened) while the timer operation is active.

SUNROOF CONTROL

SUNROOF TIMER FUNCTION
The ETACS-ECU enables opening and closing of the sunroof for 30 seconds after the ignition is switched off. During this timed operation, if the driver's or passenger's door is opened, the sunroof timer function is deactivated from that moment.

THEFT-ALARM SYSTEM

THEFT-ALARM SYSTEM OPERATION
When the theft-alarm system has been armed, if a door, liftgate, glass hatch or hood is opened, the horn will sound and headlights flash (high-beam) intermitently for a period of 180 seconds. This system is controlled by the ETACS-ECU. The system is composed of the components described below.

PANIC ALARM FUNCTION
With the theft-alarm function armed, pressing the panic button on the keyless entry system transmitter causes the horn to sound for about 180 seconds in an attempt to prevent theft. The alarm is turned off by pressing any switch on the transmitter.

CONFIGURATION FUNCTION
The following functions can be adjusted by operating he middle-grade multi-center display (if equipped).
- Keyless entry horn answerback function
- Keyless entry hazard light answerback function
- Timed locking mechanism
- Turn-signal light buzzer
- Door ajar warning buzzer
- Rear wiper
- Adjustment of door unlocking operation on keyless entry system
- Vehicle speed-dependent wiper function
- Headlight automatic shutdown function
- The Delay-off time of the dome light
- Interior light automatic shutoff function
- Initialization of above mentioned functions

OPERATION

TONE ALARM FUNCTION

IGNITION KEY REMINDER TONE ALARM FUNCTION
When the driver's door is opened with the ignition key inserted in the ignition key cylinder (ignition switch is in the OFF position,) the tone alarm sounds intermittently to indicate that the ignition key has not been removed.

LIGHT REMINDER TONE ALARM FUNCTION
When the tail light or headlight is the ON, if the ignition key is removed and the driver's door is opened, a tone alarm will sound continuously to warn that the light is illuminated. However, if the tail light or head-light has been turned off by the headlight automatic-shutdown function, the tone alarm will not sound.

SEAT BELT TONE ALARM FUNCTION
If any of the following conditions is met with the ignition switch at "ON" or "ST", the ETACS-ECU sounds the tone alarm by using the driver's seat belt switch signal and the vehicle speed signal sent from the combination meter.
- Sounds the tone alarm for six seconds when the ignition switch is turned "ON" with the seat belt switch on (the driver's seat belt is not fastened). This is called "Timer function".
- Sounds the tone alarm 12 cycles (after 0.5 seconds) if any of the following conditions is met when sixty seconds or more have elapsed since the ignition switch is turned "ON". One cycle consists of five-seconds "on" and then three-seconds "off".

a. The vehicle speed has reached 8 km/h (5 mph) while the seat belt switch is turned on (driver's seat belt is not fastened) with the ignition switch "ON".
b. The seat belt switch has been turned on (driver's seat belt has not been fastened) for at least ten seconds while the ignition switch has been turned "ON" and the vehicle speed has been 8 km/h (5 mph) or more.

NOTE: Once the tone alarm has sounded 12 cycles, it does not sound again until the vehicle speed reduces to 3 km/h (2 mph) or less even if any of the following conditions is met.

- The tone alarm stops sounding if the ignition switch or the seat belt switch is turned off (the driver's seat belt is fastened) while the timer operation is active.

DOOR AJAR WARNING BUZZER
The buzzer is sounded 4 times by the ETACS-ECU to warn the driver if any door (including the tailgate or glass hatch) is open when the ignition is switched to ON and the vehicle speed reaches 8 km/h (5 mph) or faster. The buzzer will continue to sound 4 times even if the ignition, door status, or vehicle speed requirements are changed while the buzzer sounds.

MULTI-CENTER DISPLAY OPERATION TONE
The ETACS-ECU sounds the buzzer when the buzzer signal is sent from the multi center display.

TURN-SIGNAL LIGHT BUZZER
The ETACS-ECU sounds the buzzer in sync with the turn signal lights or hazard warning lights.

WINDSHIELD WIPERS AND WASHERS

LOW SPEED WIPER, HIGH SPEED WIPER CONTROL
- When the ignition switch in at the ACC or ON position, and the windshield low speed wiper switch of the column switch is turned ON, the front-ECU turns ON the windshield wiper drive signal, turns OFF (LO) the windshield wiper speed relay, and operates the windshield wiper at low speed.
- When the windshield high speed wiper switch is turned ON, the windshield wiper drive signal is turned ON, the windshield wiper speed switching relay is turned ON (HI), and the windshield wiper is operated at high speed.

INTERMITTENT CONTROL
ETACS-ECU uses the dial position of the variable intermittent wiper control switch and the vehicle speed signal sent by the combination meter to calculate the interval to be sent to the front-ECU. The front-ECU determines the intermittent time from the input SWS data signal, and turns ON the windshield wiper drive signal. When the wiper is at the STOP position, the windshield wiper auto-stop signal goes OFF to turn OFF the windshield wiper drive signal. After the intermittent time from when the windshield wiper drive signal turned ON, the windshield wiper drive signal is turned ON again and the above operation is repeated.

MIST WIPER CONTROL
When the ignition switch is in the ACC or ON position, and the windshield mist wiper switch of the column switch is turned ON, the front-ECU turns ON the windshield wiper drive signal. At the same time, the wiper speed switching relay is turned ON (HIGH-SPEED). While the windshield mist wiper switch is ON, the windshield wiper will operate at high speed. Then, if the windshield mist wiper switch is turned off, the wiper operates at low speed until it stops at the predetermined park position. When the windshield mist switch is turned on briefly, the wiper operates once at low speed. At the point the windshield mist switch is turned ON, if the windshield wiper has been operating intermittently, the same operations as the above will be performed while the windshield mist wiper switch is ON. After the windshield mist wiper switch goes OFF, the intermittent operations will be set again after the windshield wiper auto-stop signal last is turned ON.

WASHER CONTROL
When the ignition switch is in the ACC or ON position, and the windshield washer switch of the column switch is turned ON, the front-ECU turns ON the windshield washer relay. The windshield wiper drive signal is turned ON in 0.15 seconds until 2 seconds after the windshield washer switch goes OFF to operate the windshield wiper continuously. When the windshield washer switch is turned ON, if the windshield wiper is operating intermittently, intermittent operations will be continued after continuous operations.

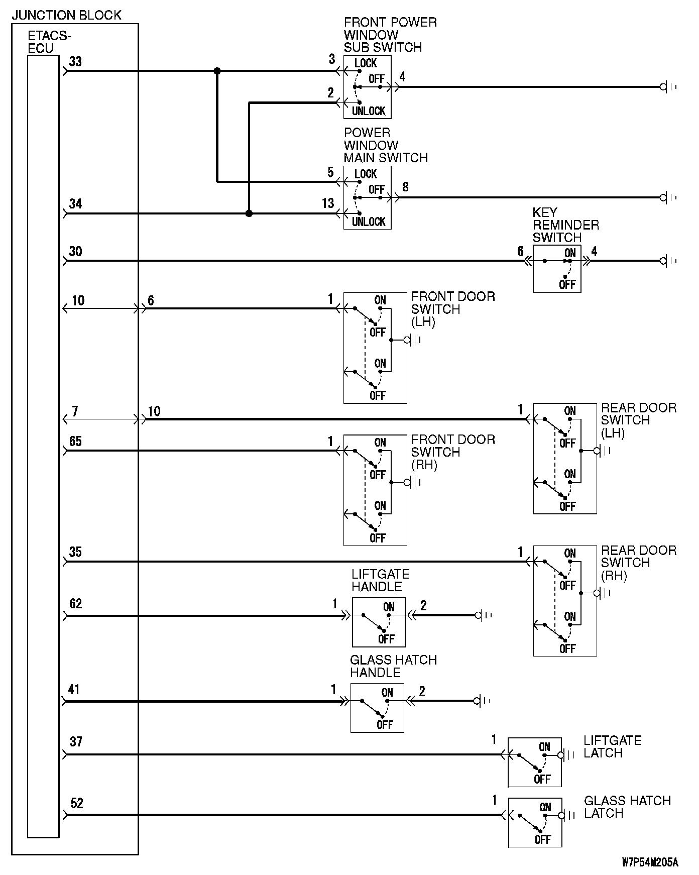
CENTRAL DOOR LOCKING SYSTEM

General Description Concerning Central Door Locking System:




GENERAL DESCRIPTION CONCERNING CENTRAL DOOR LOCKING SYSTEM
The above ECUs affect the functions and control of the central door locking system.

CENTRAL DOOR LOCKING SYSTEM




DOOR UNLOCKING BY OPERATING THE DRIVER'S DOOR LOCK KEY CYLINDER
When the ignition key is inserted in the driver's door lock key cylinder and turned clockwise to unlock the driver's door, the ETACS-ECU operates its door unlock relay and passes a current through the door lock actuator of the driver's door for 0.25 seconds to unlock only the driver's door.
When the ignition key is turned clockwise again, the ETACS-ECU operates its door unlock relay and passes a current through the door lock actuators of all doors and the liftgate for 0.25 seconds and to unlock all doors and the liftgate.

NOTE: Vehicles with a multi-center display (middle grade type) can be customized so that a single unlock operation will unlock all doors.




DOOR LOCKING OR UNLOCKING BY OPERATING THE DRIVER'S OR FRONT PASSENGER'S DOOR LOCK SWITCH
When the door is locked by the driver's or front passenger's door lock switch, the ETACS-ECU operates its door lock relay and passes a current through the door lock actuators of all doors and the liftgate for 0.25 seconds to lock all doors and the liftgate.
When the door is unlocked by the driver's or front passenger's door lock switch, the ETACS-ECU operates its door unlock relay and passes a current through the door lock actuators of all doors and the liftgate for 0.25 seconds to unlock all doors and the liftgate.
When the door is locked and unlocked by the driver's or front passenger's door lock switch consecutively, the ETACS-ECU operates its door lock relay and passes a current through the door lock actuators of all doors and the liftgate for 0.25 seconds to lock all doors and the liftgate. Then, the ETACS-ECU operates its door unlock relay and passes a current through the door lock actuators of all doors and the liftgate for 0.25 seconds to unlock all doors and the liftgate. Due to this, there may be a time lag between the driver's or front passenger's door lock switch actuation and the time when all doors and the liftgate are unlocked.





LIFTGATE AND GLASS HATCH
Glass Hatch Control*1
Activating the glass hatch handle when the liftgate is closed and unlocked*2 and when the liftgate handle is OFF while the vehicle is stopped will activate the glass hatch relay for 0.5 second.

Liftgate Control*1
Activating the liftgate handle when it is unlocked*2 and the glass hatch is closed and when the glass hatch handle is OFF while the vehicle is stopped will activate the liftgate relay for 0.5 second.

NOTE: *1: The liftgate and glass hatch cannot be opened simultaneously.

NOTE: *2: Determination of whether the liftgate is locked or unlocked is performed as follows. (Because it is a dual-mode latch, the logic is based on assumed locked and unlocked states):
- If all door lock actuators are sent unlock currents, the liftgate is unlocked.
- If all door lock actuators are sent lock currents, the liftgate is locked.




FORGOTTEN KEY PREVENTION FUNCTION
If the driver's door is locked while it is open and when the key is still in the ignition key cylinder, approximately 0.3 second later the ETACS-ECU activates the unlock relay output for 0.25 second to prevent the door from being locked with the key inside the vehicle.
In addition, if locking the door was not prevented, a re-try current is sent (an unlock relay output ON is sent for 0.25 second up to 5 times including the first attempt).

NOTE: The dotted line indicates that the system is trying to turn on the unlock relay if the door cannot be unlocked.




IF THE FRONT PASSENGER'S DOOR IS OPEN WHEN IT IS LOCKED WITH THE DRIVER'S DOOR SWITCH
If the passenger's door or driver's door are locked while the passenger's door is open and when the key is still in the ignition key cylinder, approximately 0.3 second later the ETACS-ECU activates the unlock relay output for 0.25 second to prevent the door from being locked with the key inside the vehicle.
In addition, if locking the door was not prevented, a re-try current is sent (an unlock relay output ON is sent for 0.25 second up to 5 times including the first attempt).

NOTE: The dotted line indicates that the system is trying to turn on the unlock relay if the door cannot be unlocked.

General Circuit Diagram For The Central Door Locking System Part 1:




General Circuit Diagram For The Central Door Locking System Part 2:




GENERAL CIRCUIT DIAGRAM FOR THE CENTRAL DOOR LOCKING SYSTEM

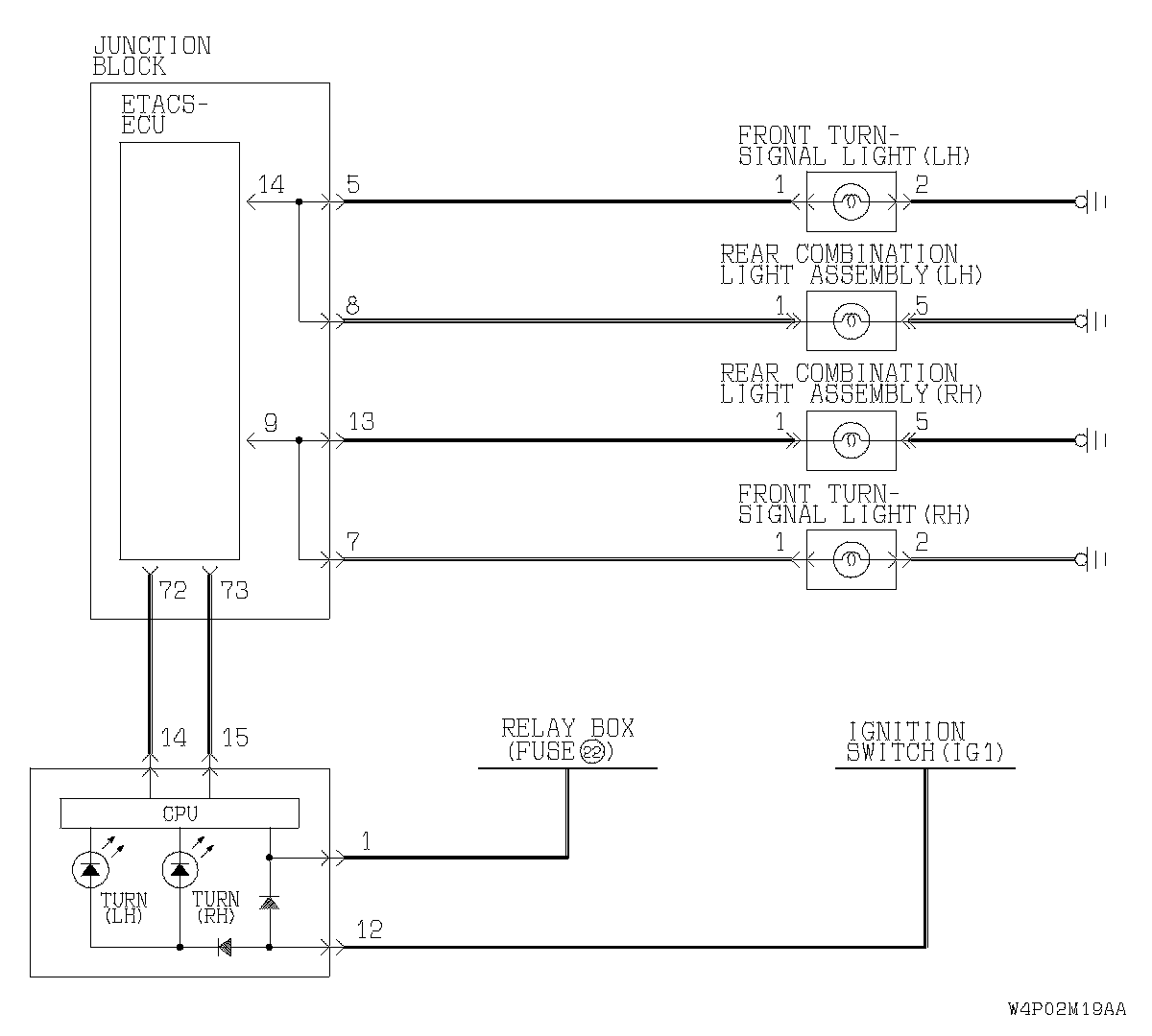
FLASHER TIMER




GENERAL DESCRIPTION CONCERNING THE FLASHER TIMER
The given ECUs affect the functions and control of the flasher timer.

FLASHER TIMER FUNCTION




TURN SIGNAL LIGHT
The turn signal light output (flashing signal) is turned ON when the ignition switch is ON and the turn signal light switch is ON (LH or RH). If the front turn signal light or rear turn signal light bulb has burned out, the flashing speed increases to indicate that the bulb has burned out.

TURN SIGNAL INDICATORS
At the same time that the turn-signal lights are illuminated, the ETACS-ECU sends a signal to illuminate the turn-signal light indicator via the CAN bus line. The combination meter receives the transmitted signal and turns the turn-signal light indicator on and off.




HAZARD WARNING LIGHT
Detects the signal where the hazard warning light switch input changes from OFF to ON, and reverse the flashing state according to this signal. The hazard warning lights toggle on and off whenever the hazard warning light switch is operated.

NOTE: The hazard warning light switch is a push-return type toggle switch.

General Circuit Diagram For The Turn-signal Light And Hazard Light Part 1:




General Circuit Diagram For The Turn-signal Light And Hazard Light Part 2:




GENERAL CIRCUIT DIAGRAM FOR THE TURN SIGNAL LIGHT AND HAZARD LIGHT

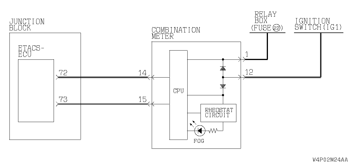
FOG LIGHT




GENERAL DESCRIPTION CONCERNING THE FOG LIGHTS
The given ECUs affect the functions and control of the Fog lights.


Fog Light:




FOGLIGHT
The fog lights will illuminate only when the fog light switch is operated while the low-beam headlights are on. The fog lights will be switched off when any of the following conditions is met. The fog lights will also be switched off automatically by the headlight automatic shutoff function.
- When the high-beam headlights are switched on, the fog lights will be switched off. If the low-beam headlights are switched on again, the fog lights will illuminate again.
- When the headlight switch is turned off while the tail lights are on or the tail lights and headlights are off, the fog lights will be switched off. If the low-beam headlights are switched on again, the fog lights will not illuminate again.

FOGLIGHT INDICATOR
At the same time that the fog lights are illuminated, the ETACS-ECU sends a signal to illuminate the fog light indicator via the CAN bus line. The combination meter receives the transmitted signal and turns the fog light indicator on and off.

General Circuit Diagram For The Fog Lights Part 1:




General Circuit Diagram For The Fog Lights Part 2:




GENERAL CIRCUIT DIAGRAM FOR THE FOGLIGHTS

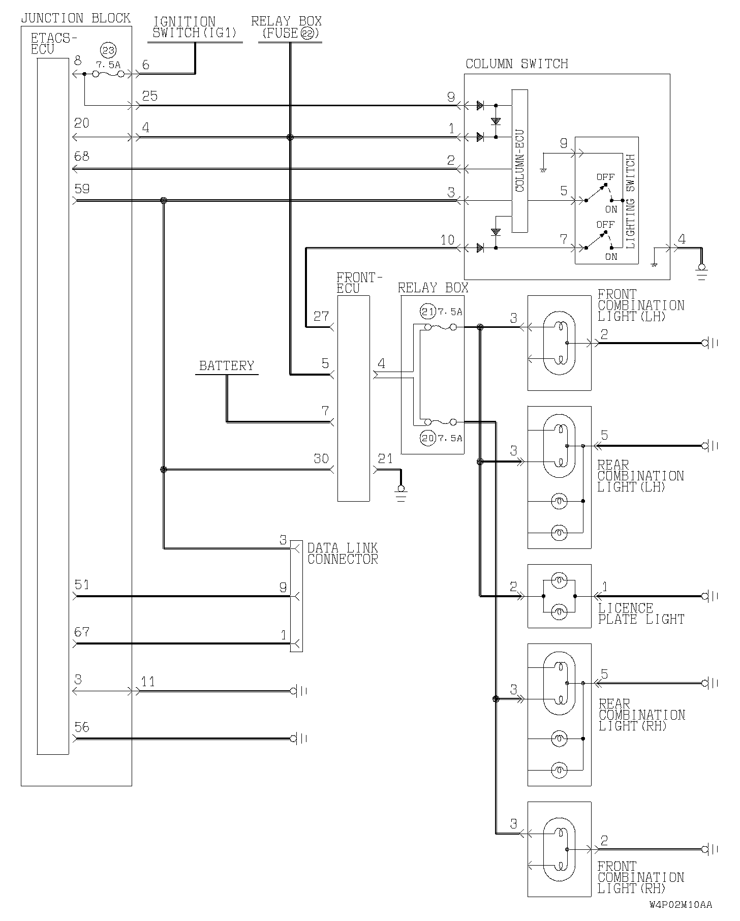
HEADLIGHT AND TAILLIGHT




GENERAL DESCRIPTION CONCERNING THE HEADLIGHT AND TAILLIGHT
The given ECUs affect the functions and control of the headlights and the taillights.

TAILLIGHTS AND HEADLIGHTS ILLUMINATION




TAILLIGHTS
If the column switch sends a taillight switch "ON" signal to the front-ECU, the front-ECU turns on its taillight relay, causing the taillights to illuminate.

NOTE: This description covers the taillights only. In actual driving, the taillights may be turned off due to the headlight automatic shut-off function.

Headlights:




HEADLIGHTS
If the column switch sends a headlight switch "ON" signal to the front-ECU, the front-ECU turns on its headlight relay (LOW), causing the low-beam headlights to illuminate. If the dimmer switch is turned on while the headlight relay (LOW) is on, the front-ECU turns on the headlight relay (HIGH), causing the high-beam headlights to illuminate.

NOTE: This description covers the headlights only. In actual driving, the headlights may be turned off due to the headlight automatic shut-off function. For the details of the headlight automatic shut-off function, refer to HEADLIGHT AUTOMATIC-SHUTDOWN FUNCTION below.

HIGH-BEAM INDICATOR LIGHT
At the same time that the high beams are illuminated, the ETACS-ECU sends a signal to illuminate the high-beam indicator via the CAN bus line. The combination meter receives the transmitted signal and turns the high-beam indicator on and off.




HEADLIGHT AUTOMATIC-SHUTDOWN FUNCTION
Even if the lighting switch (taillights switch or headlight switch) is ON, the headlight (including the taillights) will automatically go off in the following conditions to prevent the battery from discharging as a result of forgetting to turn off lights. If the ignition key is turned from "ON" to "LOCK" (OFF) or "ACC" position with the lighting switch turned ON, and this state continues for three minutes, the light will automatically be turned off. If the driver's seat door is opened during these three minutes, the light will go off one second later.

NOTE: The headlight automatic-shutdown function can be customized on vehicles equipped with a multi-center display (middle grade type).





DIMMER AUTOMATIC RESET FUNCTION
If the headlight switch is turned off while the high-beam headlights are on, the dimmer switch will be reset. Because of this, the headlights will illuminate at low beam the next time that they are turned on. The dimmer switch will be also reset if the dimmer switch is turned on unintentionally while the passing switch is operated.




DAYTIME RUNNING LIGHT FUNCTION
The front-ECU illuminates the low-beam headlights in a reduced brightness when the ignition switch is turned "ON" with the headlight switch is at the "OFF" or "TAIL" position.

General Circuit Diagram For The Taillights:




GENERAL CIRCUIT DIAGRAM FOR THE TAILLIGHTS

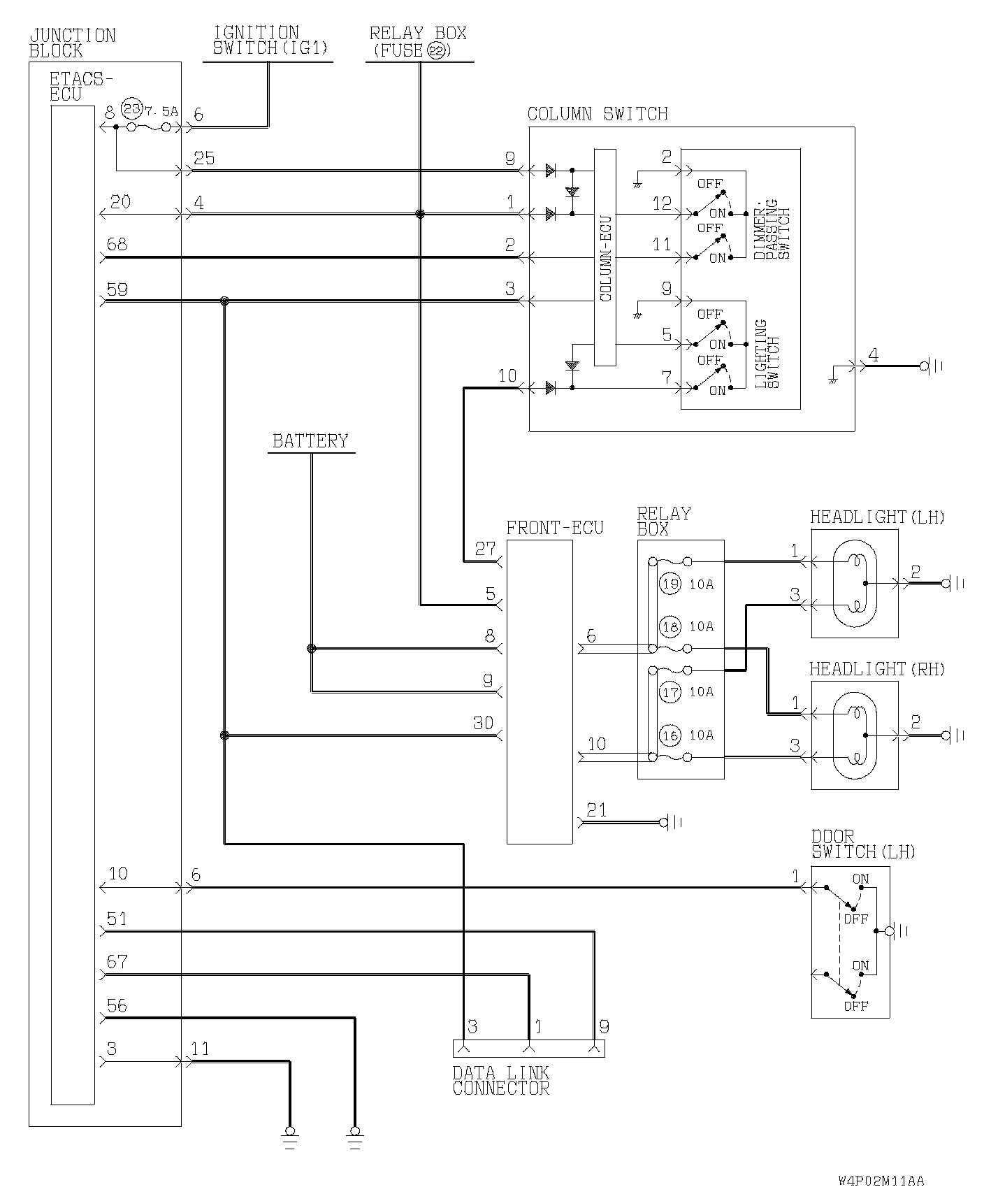
General Circuit Diagram For The Headlights Part 1:




General Circuit Diagram For The Headlights Part 2:




GENERAL CIRCUIT DIAGRAM FOR THE HEADLIGHTS