Operation CHARM: Car repair manuals for everyone.
Manuals through 2025 now available!

Our trusted friends have launched a new website named LEMON, which has newer manuals. It also contains all the CHARM manuals.

LEMON is the spiritual successor to CHARM, I recommend you try it!

Link: lemon-manuals.la or lemon-manuals.org.ua

(Some people have issue connecting. LEMON is investigating. For now, use Firefox or change your DNS server)

Or, hide this message: temporarily or permanently

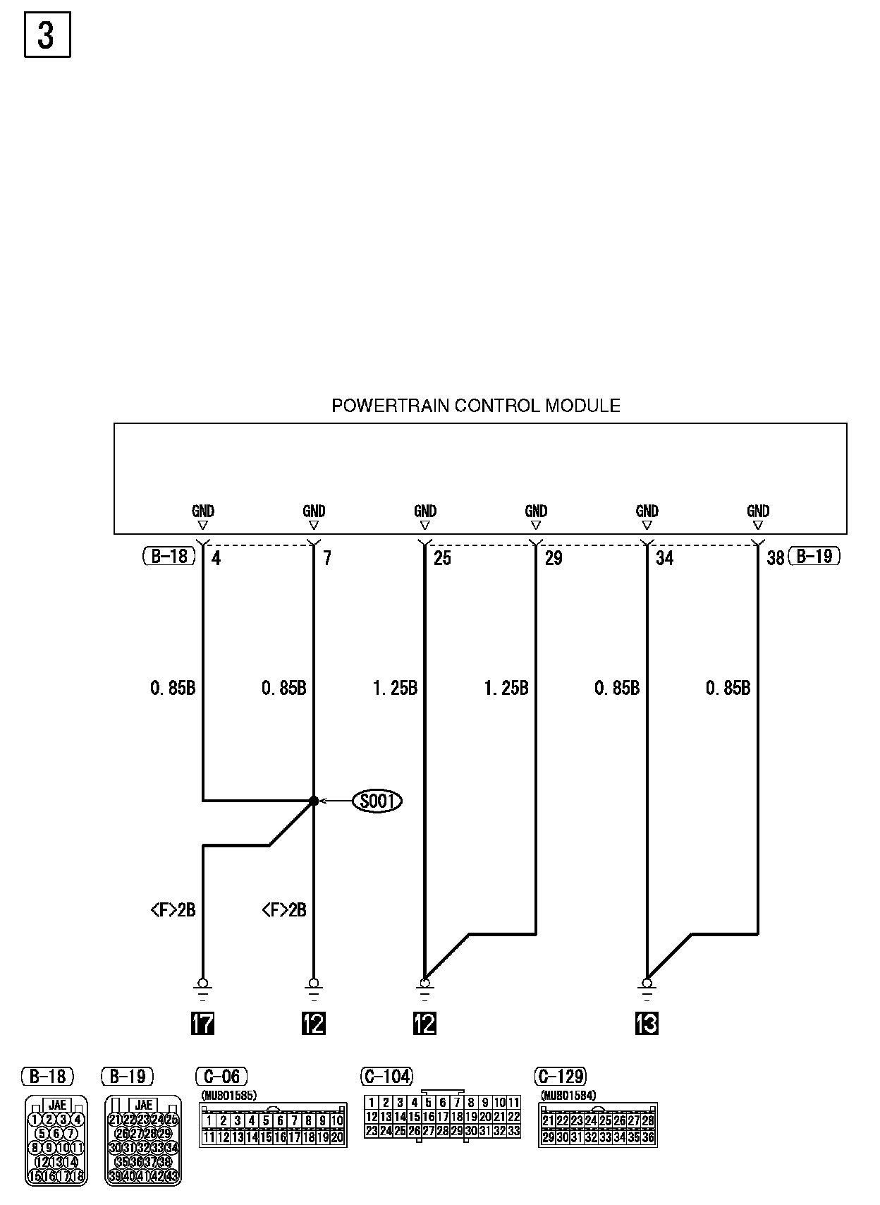
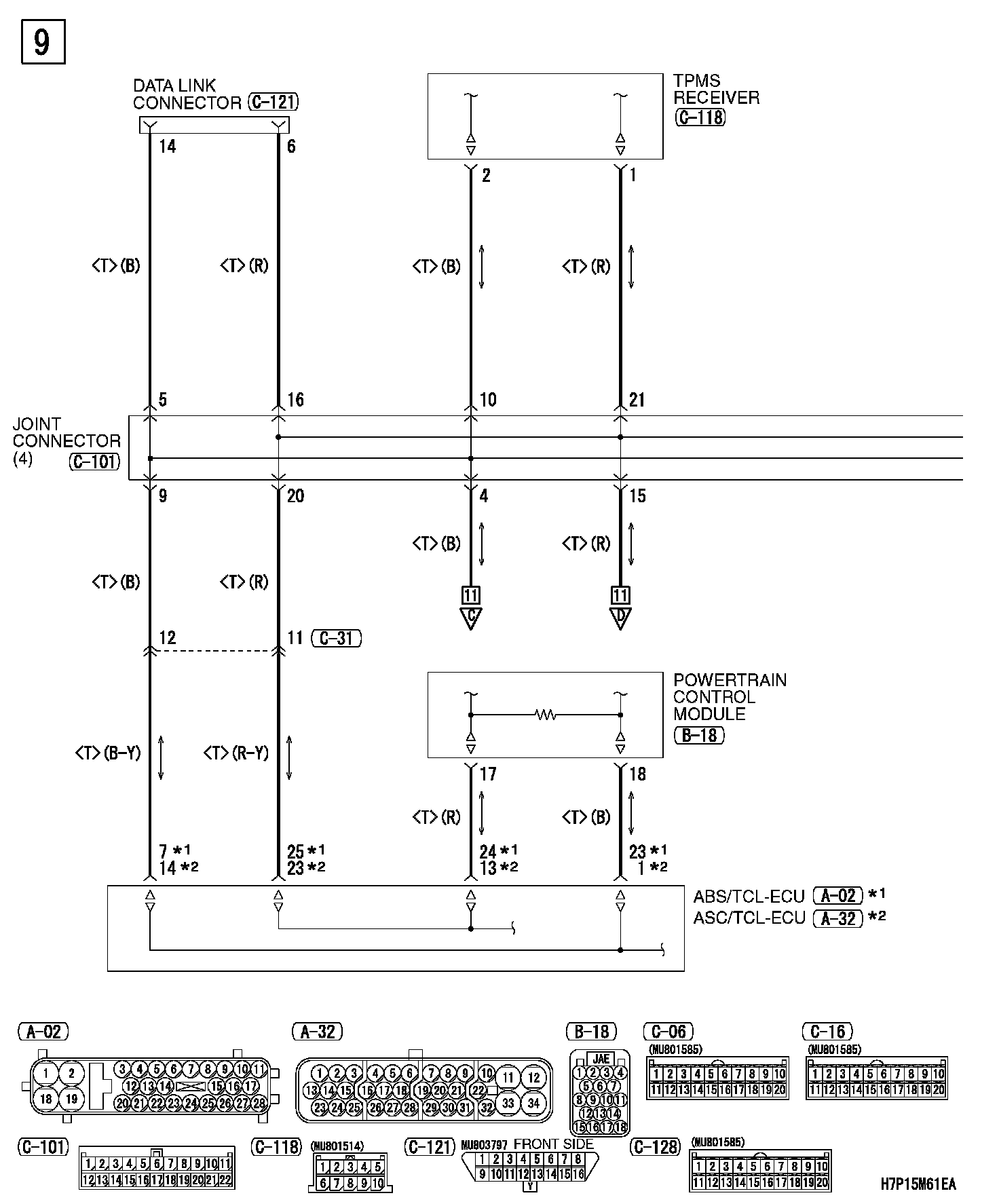
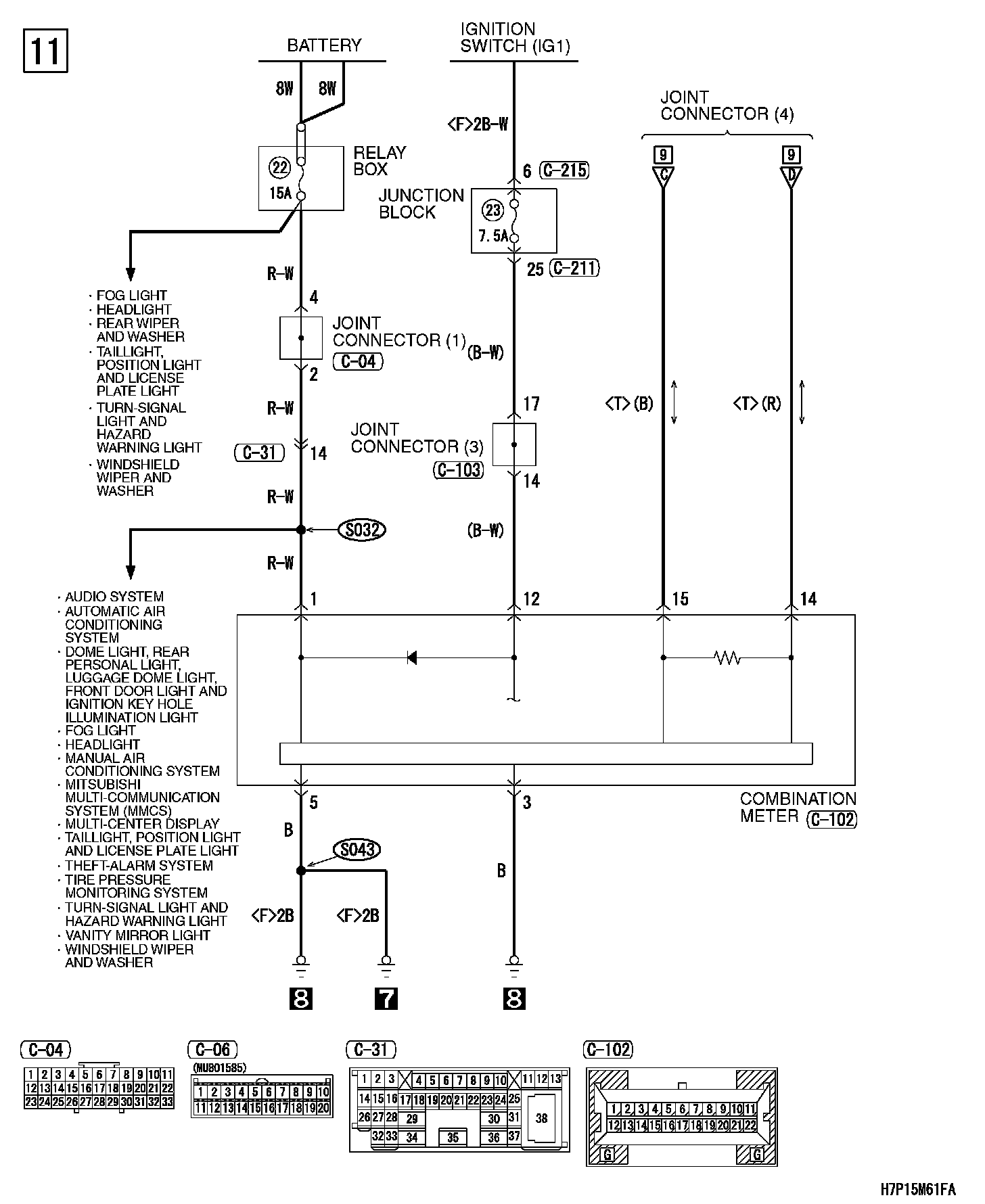
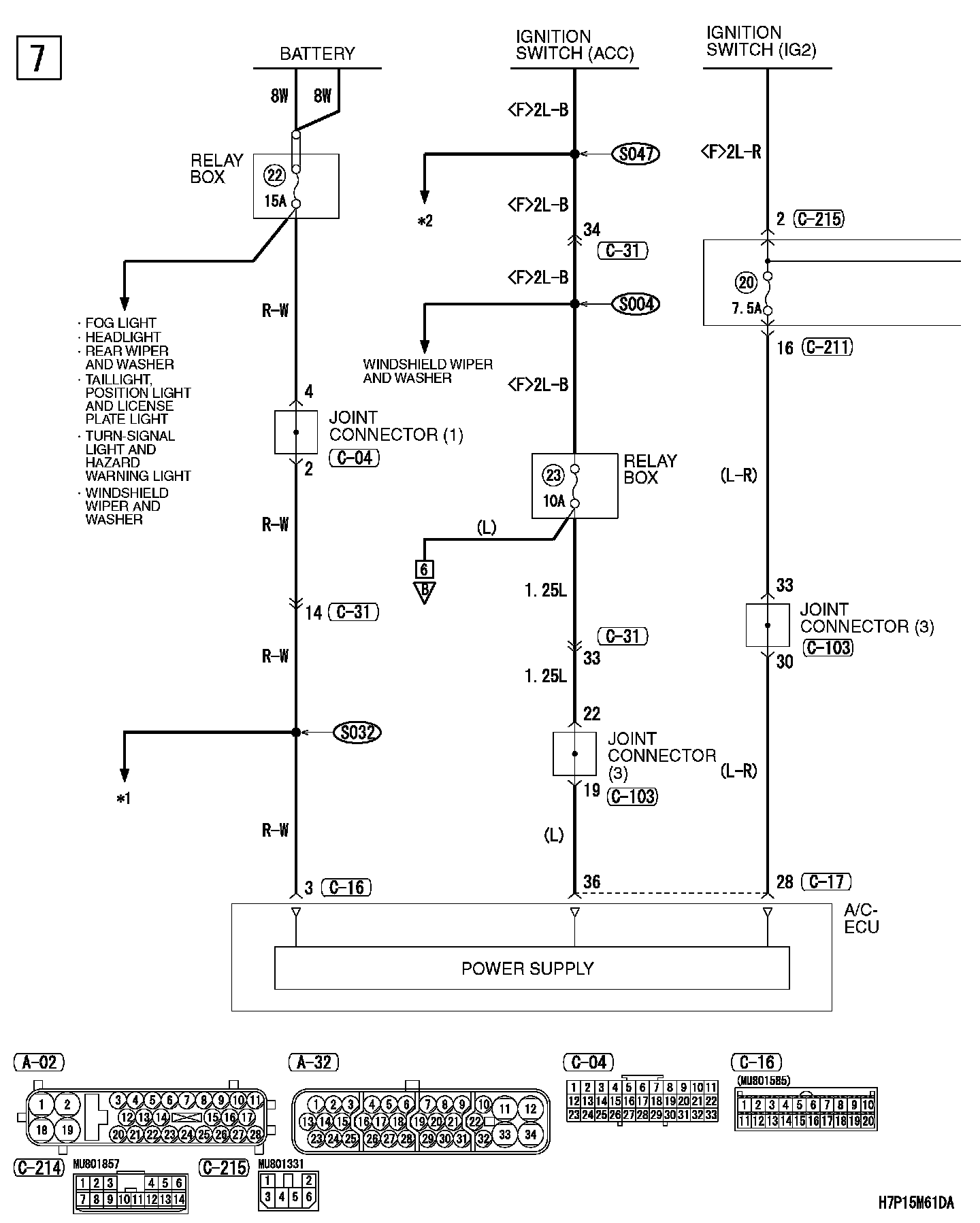
Information Bus

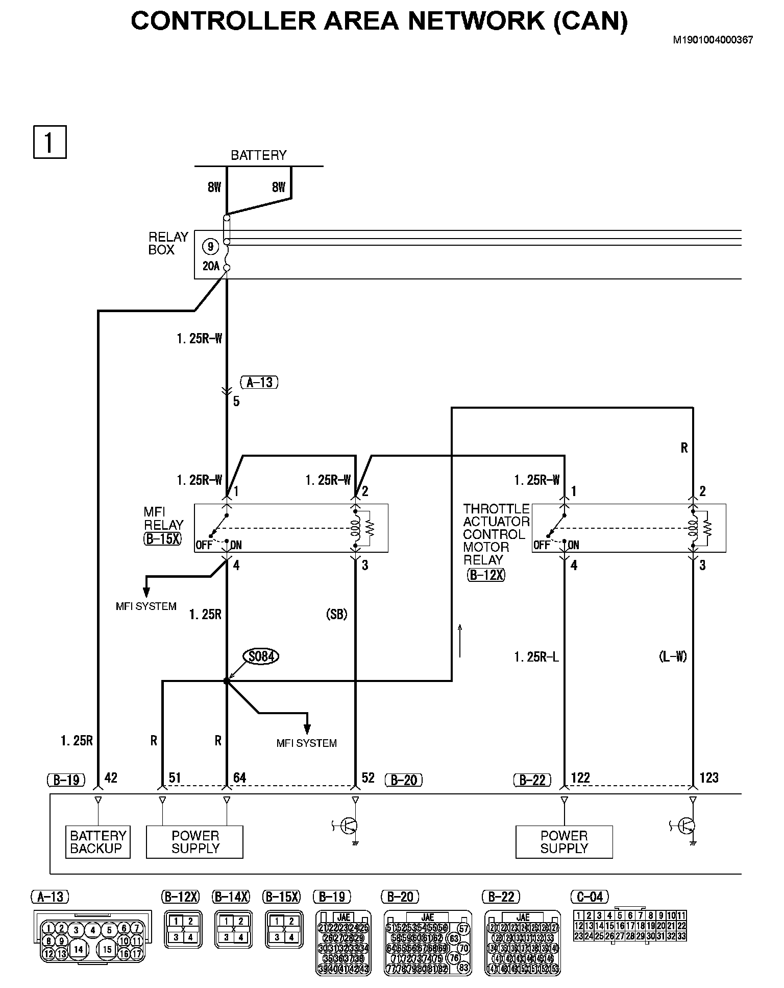
Controller Area Network (CAN) Part 1:




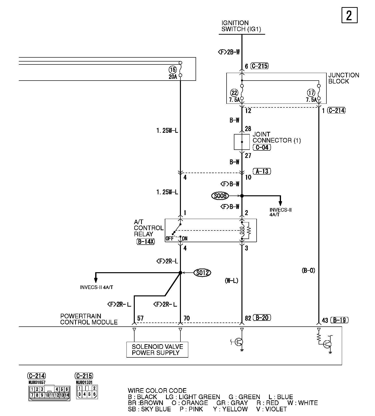
Controller Area Network (CAN) Part 2:




Controller Area Network (CAN) Part 3:




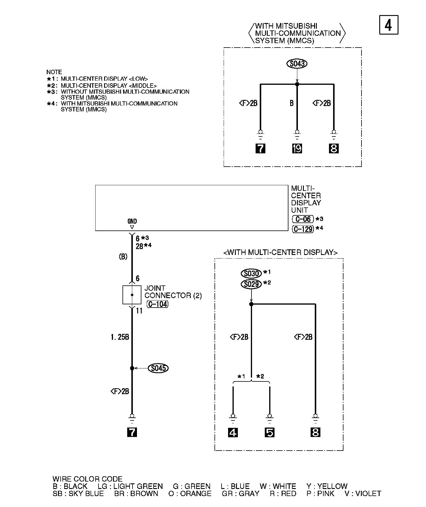
Controller Area Network (CAN) Part 4:




Controller Area Network (CAN) Part 5:




Controller Area Network (CAN) Part 6:




Controller Area Network (CAN) Part 7:




Controller Area Network (CAN) Part 8:




Controller Area Network (CAN) Part 9:




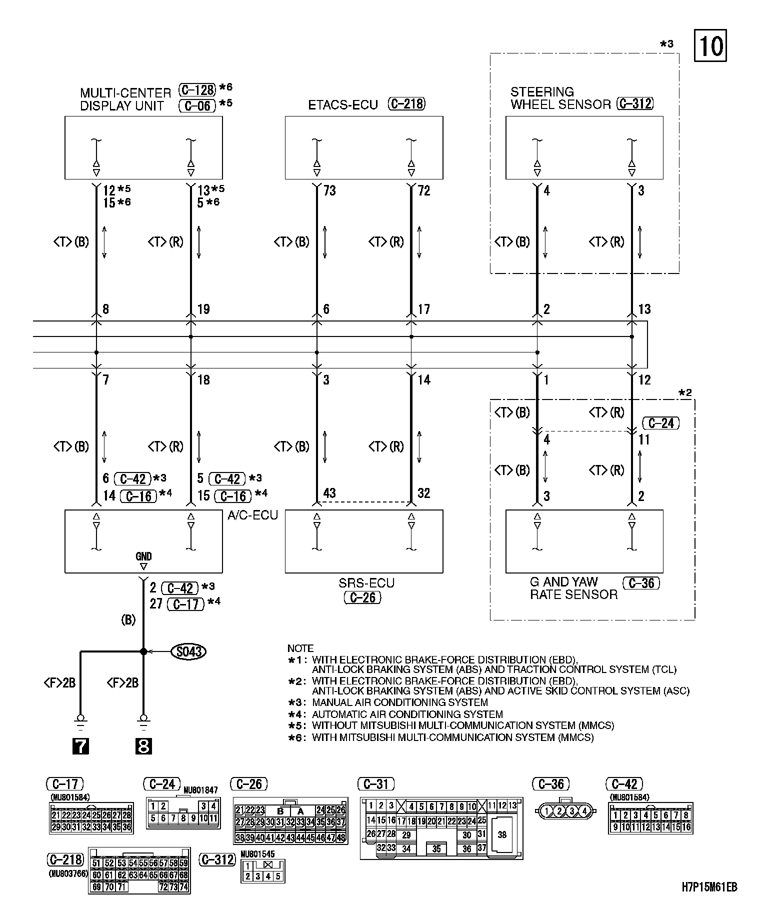
Controller Area Network (CAN) Part 10:




Controller Area Network (CAN) Part 11:




Controller Area Network (CAN) Part 12:






Connector/Component Locations: The locations of connectors and components referred to within these diagrams can be found via the connector number at Vehicle Connector Locations. Connector Locations

Splice Locations: The locations of Splices referred to within these diagrams can be found via the splice number at Vehicle Splice Locations. Splice Locations

Ground Locations: The locations of grounds referred to within these diagrams can be found via the ground number at Vehicle Ground Locations. Ground Locations