Operation CHARM: Car repair manuals for everyone.
Manuals through 2025 now available!

Our trusted friends have launched a new website named LEMON, which has newer manuals. It also contains all the CHARM manuals.

LEMON is the spiritual successor to CHARM, I recommend you try it!

Link: lemon-manuals.la or lemon-manuals.org.ua

(Some people have issue connecting. LEMON is investigating. For now, use Firefox or change your DNS server)

Or, hide this message: temporarily or permanently

Inspection Procedure 28

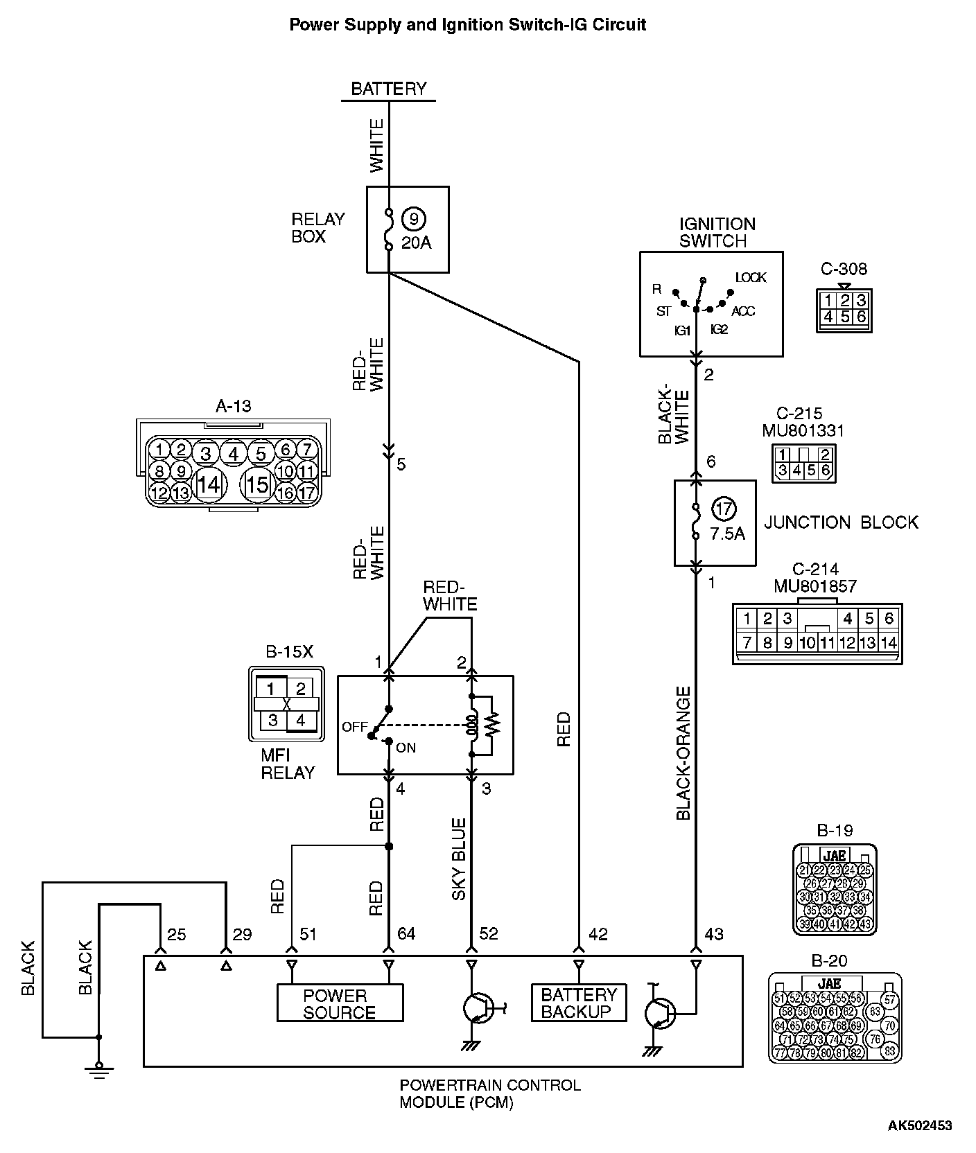
INSPECTION PROCEDURE 28: Power supply system and ignition switch - IG system.

Power Supply And Ignition Switch-IG Circuit Part 1:




Power Supply And Ignition Switch-IG Circuit Part 2:






CIRCUIT OPERATION
- Battery positive voltage is applied to the MFI relay (terminals No. 1, No. 2).
- When the ignition switch is turned to the "ON" position, the battery positive voltage is applied to the PCM (terminal No. 43). When the battery positive voltage is applied, the PCM turns the power transistor in the PCM "ON" and grounds the MFI relay coil. With this, the MFI relay turns "ON" and the battery positive voltage is supplied to the PCM (terminals No. 51, No. 64) from the MFI relay (terminal No. 4).
- A battery positive voltage is constantly supplied to the PCM (terminal No. 42) as the backup power.
- The PCM (terminals No. 25, No. 29) is grounded to the vehicle body.

TROUBLESHOOTING HINTS (The most likely causes for this code to be set are:)
- Malfunction of the ignition switch.
- Malfunction of the MFI relay.
- Improper connector contact, open circuit or short-circuited harness wire.
- Disconnected PCM ground wire.
- Malfunction of the PCM.

DIAGNOSIS




STEP 1. Check harness connector B-15X at MFI relay for damage.

Q: Is the connector in good condition?

YES: Go to Step 2.

NO: Repair or replace it. Refer to Harness Connector Inspection. Then confirm that the malfunction symptom is eliminated.

STEP 2. Check the MFI relay.

CAUTION: Because it is not possible to distinguish the top and the bottom of the MFI relay, inspect it with the triangle mark printed on the relay facing upward.




1. Remove the MFI relay.




2. Check for continuity between the MFI relay terminals No. 2 and No. 3.
- There should be continuity. (approximately 70 Ohms)




3. Use jumper wires to connect MFI relay terminal No. 2 to the positive battery terminal and terminal No. 3 to the negative battery terminal.
4. Check for continuity between the MFI relay terminals No. 1 and No. 4 while connecting and disconnecting the jumper wire at the negative battery terminal.
- Continuity (2 Ohms or less).
- Should be open loop. 5. Install the MFI relay.

Q: Is the measured resistance within the specified range?

YES: Go to Step 3.

NO: Replace the MFI relay. Then confirm that the malfunction symptom is eliminated.

STEP 3. Measure the power supply voltage at MFI relay harness side connector B-15X.




1. Disconnect the connector B-15X and measure at the harness side.




2. Measure the voltage between terminals No. 1, No. 2 and ground.
- Voltage should be battery positive voltage.

Q: Is battery positive voltage (approximately 12 volts) present?

YES: Go to Step 4.

NO: Check harness connector A-13 at intermediate connector for damage, and repair or replace as required. Refer to Harness Connector Inspection. If intermediate connector is in good condition, repair harness wire between fusible link 9. and MFI relay connector B-15X (terminals No. 1, No. 2) because of open circuit. Then confirm that the malfunction symptom is eliminated.




STEP 4. Check harness connector B-19 and B-20 at PCM for damage.

Q: Is the harness connector in good condition?

YES: Go to Step 5.

NO: Repair or replace it. Then confirm that the malfunction symptom is eliminated.

STEP 5. Measure the ignition switch-IG signal voltage at PCM harness side connector B-19.




1. Disconnect the connector B-19 and measure at the harness side.
2. Turn the ignition switch to the "ON" position.




3. Measure the voltage between terminal No. 43 and ground.
- Voltage should be battery positive voltage.

4. Turn the ignition switch to the "LOCK" (OFF) position.

Q: Is battery positive voltage (approximately 12 volts) present?

YES: Go to Step 6.

NO: Check harness connector C-214 and C-215 at intermediate connector for damage, and repair or replace as required. If intermediate connectors are in good condition, repair harness wire between ignition switch connector C-308 (terminal No. 2) and PCM connector B-19 (terminal No. 43) because of open circuit. Then confirm that the malfunction symptom is eliminated.

STEP 6. Measure the backup power supply voltage at PCM harness side connector B-19.




1. Disconnect the connector B-19 and measure at the harness side.




2. Measure the voltage between terminal No. 42 and ground.
- Voltage should be battery positive voltage.

Q: Is battery positive voltage (approximately 12 volts) present?

YES: Go to Step 7.

NO: Repair harness wire between fusible link 9. and PCM connector B-19 (terminal No. 42) because of short circuit. Then confirm that the malfunction symptom is eliminated.

STEP 7. Check for continuity at PCM harness side connector B-19.




1. Disconnect the connector B-19 and measure at the harness side.




2. Check for the continuity between terminals (No. 25, No. 29) and ground.
- Continuity (2 Ohms or less).

Q: Does continuity exist?

YES: Go to Step 8.

NO: Repair harness wire between PCM connector B-19 (terminal No. 25, No. 29) and ground because of open circuit. Then confirm that the malfunction symptom is eliminated.

STEP 8. Measure the power supply voltage at PCM harness side connector B-20.




1. Disconnect the connector B-20 and measure at the harness side.




2. Measure the voltage between terminal No. 52 and ground.
- Voltage should be battery positive voltage.

Q: Is battery positive voltage (approximately 12 volts) present?

YES: Go to Step 9.

NO: Repair harness wire between MFI relay connector B-15X (terminal No. 3) and PCM connector B-20 (terminal No. 52) because of open circuit. Then confirm that the malfunction symptom is eliminated.

STEP 9. Measure the power supply voltage at PCM harness side connector B-20.




1. Disconnect the connector B-20 and measure at the harness side.
2. Using a jumper wire, connect terminal No. 52 to ground.




3. Measure the voltage between terminals (No. 51, No. 64) and ground.
- Voltage should be battery positive voltage.

Q: Is battery positive voltage (approximately 12 volts) present?

YES: Replace the PCM. When the PCM is replaced, register the encrypted code. Refer to Encrypted Code Registration Criteria Table. Then confirm that the malfunction symptom is eliminated.

NO: Repair harness wire between MFI relay connector B-15X (terminal No. 4) and PCM connector B-20 (terminals No. 51, No. 64) because of open circuit. Then confirm that the malfunction symptom is eliminated.