Operation CHARM: Car repair manuals for everyone.
Manuals through 2025 now available!

Our trusted friends have launched a new website named LEMON, which has newer manuals. It also contains all the CHARM manuals.

LEMON is the spiritual successor to CHARM, I recommend you try it!

Link: lemon-manuals.la or lemon-manuals.org.ua

(Some people have issue connecting. LEMON is investigating. For now, use Firefox or change your DNS server)

Or, hide this message: temporarily or permanently

Inspection Procedure 5

°INSPECTION PROCEDURE 5: Cranks, won't start

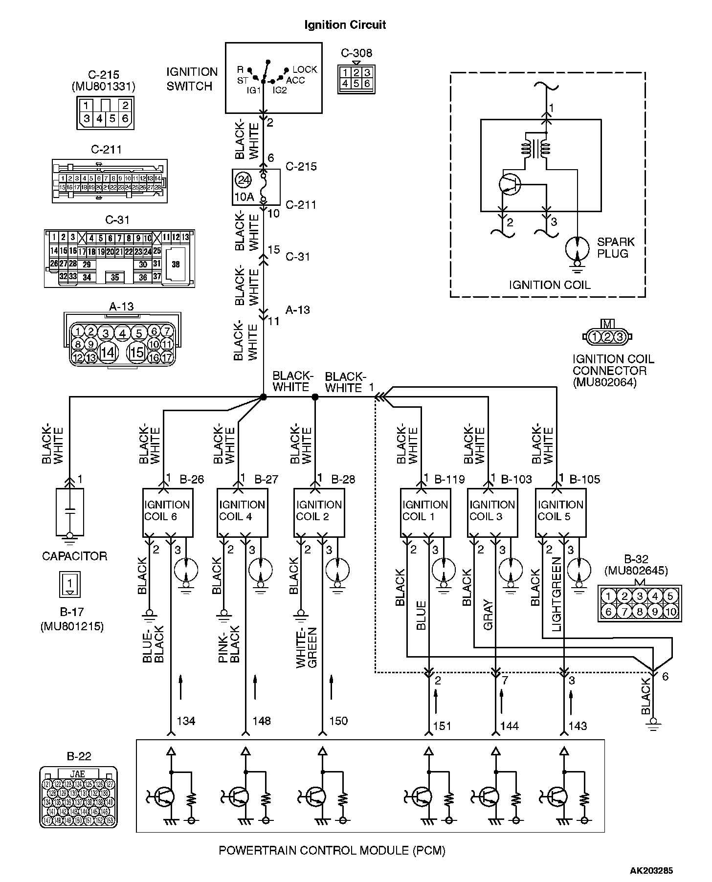
Ignition Circuit Part 1:




Ignition Circuit Part 2:




CRANKS, WON'T START CIRCUIT

CIRCUIT OPERATION
- The ignition coil is energized by battery positive voltage from the ignition switch.
- When the PCM turns off its internal power transistor, battery positive voltage is applied to the ignition power transistor (terminal No. 3) inside the ignition coil, causing the ignition power transistor to be turned on.
- If the ignition power transistor is turned on, the primary circuit of the ignition coil is energized by grounding the ignition coil through terminal No. 2, causing the primary current to flow to the ignition coil.

COMMENT
- In cases such as the above, the cause is probably no spark, fuel delivery, or fuel quality problems. In addition, foreign materials (water, kerosene, etc.) may be mixed with the fuel.

TROUBLESHOOTING HINTS (The most likely causes for this case:)
- Malfunction of the ignition system.
- Malfunction of the fuel pump system.
- Malfunction of the injector system.
- Malfunction of the PCM.
- Contaminated fuel.
- Malfunction of the immobilizer system.

DIAGNOSIS
Required Special Tools:
- MB991958: Scan Tool (M.U.T.-III Sub Assembly)
- MB991824: V.C.I.
- MB991827: USB Cable
- MB991910: Main Harness A

- MB991348: Test Harness Set

STEP 1. Check the battery positive voltage.

1. Measure the battery positive voltage during cranking.
- The voltage should be 8 volts or more.

Q: Is the measured voltage 8 volts or more?

YES: Go to Step 2.

NO: Check the battery. Refer to Battery - Battery Check. Then confirm that the malfunction symptom is eliminated.

STEP 2. Check the timing belt for breaks.

Q: Is the timing belt good condition?

YES: Go to Step 3.

NO: Replace timing belt. Then confirm that the malfunction symptom is eliminated.




STEP 3. Using scan tool MB991958, read the diagnostic trouble code (DTC).

CAUTION: To prevent damage to scan tool MB991958, always turn the ignition switch to the "LOCK" (OFF) position before connecting or disconnecting scan tool MB991958.

1. Connect scan tool MB991958 to the data link connector.
2. Turn the ignition switch to the "ON" position.
3. Read the DTC.
4. Turn the ignition switch to the "LOCK" (OFF) position.

Q: Is DTC set?

YES: Refer to Diagnostic Trouble Code Chart. Diagnostic Trouble Code Descriptions

NO: Go to Step 4.




STEP 4. Using scan tool MB991958, check data list.

CAUTION: To prevent damage to scan tool MB991958, always turn the ignition switch to the "LOCK" (OFF) position before connecting or disconnecting scan tool MB991958.

1. Connect scan tool MB991958 to the data link connector.
2. Turn the ignition switch to the "ON" position.
3. Check the following items in the data List. Refer to Data List Reference Table. Datal List Reference Table
a. Item 1: Power Supply Voltage
b. Item 2: Crankshaft Position Sensor
c. Item 6: Engine Coolant Temperature Sensor

4. Turn the ignition switch to the "LOCK" (OFF) position.




STEP 5. Using scan tool MB991958, check actuator test.

1. Turn the ignition switch to the "ON" position.
2. Check the following items in the actuator test. Refer to Actuator Test Reference Table. Actuator Test Reference Table
a. Item 07: Fuel pump.

3. Turn the ignition switch to the "LOCK" (OFF) position.

Q: Is the actuator operating properly?

YES: Go to Step 6.

NO: Repair or replace it. Then confirm that the malfunction symptom is eliminated.

Q: Are they operating properly?

YES: Go to Step 5.

NO: Repair or replace it. Then confirm that the malfunction symptom is eliminated.




STEP 6. Check the ignition system.

1. Connect the timing light to terminal No. 1 of the ignition coil connector B-26, B-27, B-28, B-103, B-105 or B-119 in order.
2. Crank the engine.
- The timing light flashes.

3. Turn the ignition switch to the "LOCK" (OFF) position.

Q: Does the timing light flash?

YES: Go to Step 7.

NO: Refer to INSPECTION PROCEDURE 31 - Ignition Circuit System. Inspection Procedure 31

STEP 7. Check the ignition timing.

1. Check the ignition timing at cranking.
Standard value: 5 ° BTDC ±3 °

Q: Is the ignition timing normal?

YES: Go to Step 8.

NO: Check that the crankshaft position sensor and timing belt cover are in the correct position. Then confirm that the malfunction symptom is eliminated.

STEP 8. Check the injector.




1. Disconnect the left bank injector connector B-03, B-04, B-29.




2. Measure the resistance between each injector side connector terminal No. 1 and No. 2.
Standard value: 10.5 - 13.5 Ohms [at 20 °C (68 °F)]

Q: Is the measured resistance between 10.5 and 13.5 Ohms [at 20 °C (68 °F)]?

YES: Go to Step 9.

NO: Replace the faulty injector. Then confirm that the malfunction symptom is eliminated.

STEP 9. Check the right bank injector resistance at intermediate connector B-32.




1. Disconnect the intermediate connector B-32.




2. Measure the resistance between each male connector side terminal.
a. Measure the resistance between terminal No. 5 and No. 9 at No. 1 cylinder injector.
b. Measure the resistance between terminal No. 9 and No. 10 at No. 3 cylinder injector.
c. Measure the resistance between terminal No. 4 and No. 9 at No. 5 cylinder injector.
- Resistance should be between 10.5 and 13.5 Ohms [at 20 °C (68 °F)].

Q: Is the measured resistance between 10.5 and 13.5 Ohms [at 20 °C (68 °F)]?

YES: Go to Step 12.

NO: Go to Step 10.

STEP 10. Check the right bank injector.




1. Remove the intake manifold.
2. Disconnect the right bank injector connector, which deviates from the standard value at Step 8.




3. Measure the resistance between injector side connector terminal No. 1 and No. 2.
Standard value: 10.5 - 13.5 Ohms [at 20 °C (68 °F)]

Q: Is the measured resistance between 10.5 and 13.5 Ohms [at 20 °C (68 °F)]?

YES: Go to Step 11.

NO: Replace the injector. Then confirm that the malfunction symptom is eliminated.




STEP 11. Check harness connector B-101 or B-104 or B-118 at right bank injector for damage.

1. Check the injector connector, which deviates from the standard value at Step 9.

Q: Is the harness connector in good condition?

YES: Repair harness wire between injector intermediate connector and right bank injector connector because of harness damage. Then confirm that the malfunction symptom is eliminated.

NO: Repair or replace it. Then confirm that the malfunction symptom is eliminated.




STEP 12. Check harness connector B-32 at intermediate connector for damage.

Q: Is the harness connector in good condition?

YES: Go to Step 13.

NO: Repair or replace it. Then confirm that the malfunction symptom is eliminated.




STEP 13. Check harness connector B-03, B-04, B-29 at left bank injector for damage.

Q: Is the harness connector in good condition?

YES: Go to Step 14.

NO: Repair or replace it. Then confirm that the malfunction symptom is eliminated.




STEP 14. Check harness connector B-22 at PCM for damage.

Q: Is the harness connector in good condition?

YES: Go to Step 15.

NO: Repair or replace it. Then confirm that the malfunction symptom is eliminated.







STEP 15. Check for harness damage between injector connector and PCM connector.

a. Check the harness wire between injector connector B-118 (terminal No. 2) and PCM connector B-22 (terminal No. 153) at No. 1 cylinder injector.
b. Check the harness wire between injector connector B-29 (terminal No. 2) and PCM connector B-22 (terminal No. 146) at No. 2 cylinder injector.
c. Check the harness wire between injector connector B-101 (terminal No. 2) and PCM connector B-22 (terminal No. 140) at No. 3 cylinder injector.
d. Check the harness wire between injector connector B-03 (terminal No. 2) and PCM connector B-22 (terminal No. 139) at No. 4 cylinder injector.
e. Check the harness wire between injector connector B-104 (terminal No. 2) and PCM connector B-22 (terminal No. 133) at No. 5 cylinder injector.
f. Check the harness wire between injector connector B-04 (terminal No. 2) and PCM connector B-22 (terminal No. 127) at No. 6 cylinder injector.

Q: Is the harness wire in good condition?

YES: Check the following items, and repair or replace the defective items.
a. Check the ignition coil and spark plugs
b. Check if the injectors are clogged
c. Check if fuel is contaminated
d. Check compression.

Then confirm that the malfunction symptom is eliminated.

NO: Repair it. Then confirm that the malfunction symptom is eliminated.