Operation CHARM: Car repair manuals for everyone.
Manuals through 2025 now available!

Our trusted friends have launched a new website named LEMON, which has newer manuals. It also contains all the CHARM manuals.

LEMON is the spiritual successor to CHARM, I recommend you try it!

Link: lemon-manuals.la or lemon-manuals.org.ua

(Some people have issue connecting. LEMON is investigating. For now, use Firefox or change your DNS server)

Or, hide this message: temporarily or permanently

Electrical Diagrams

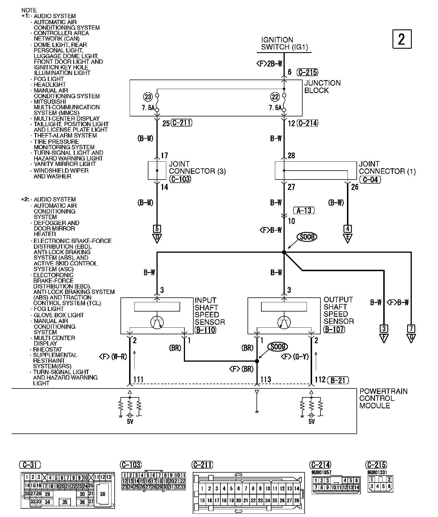
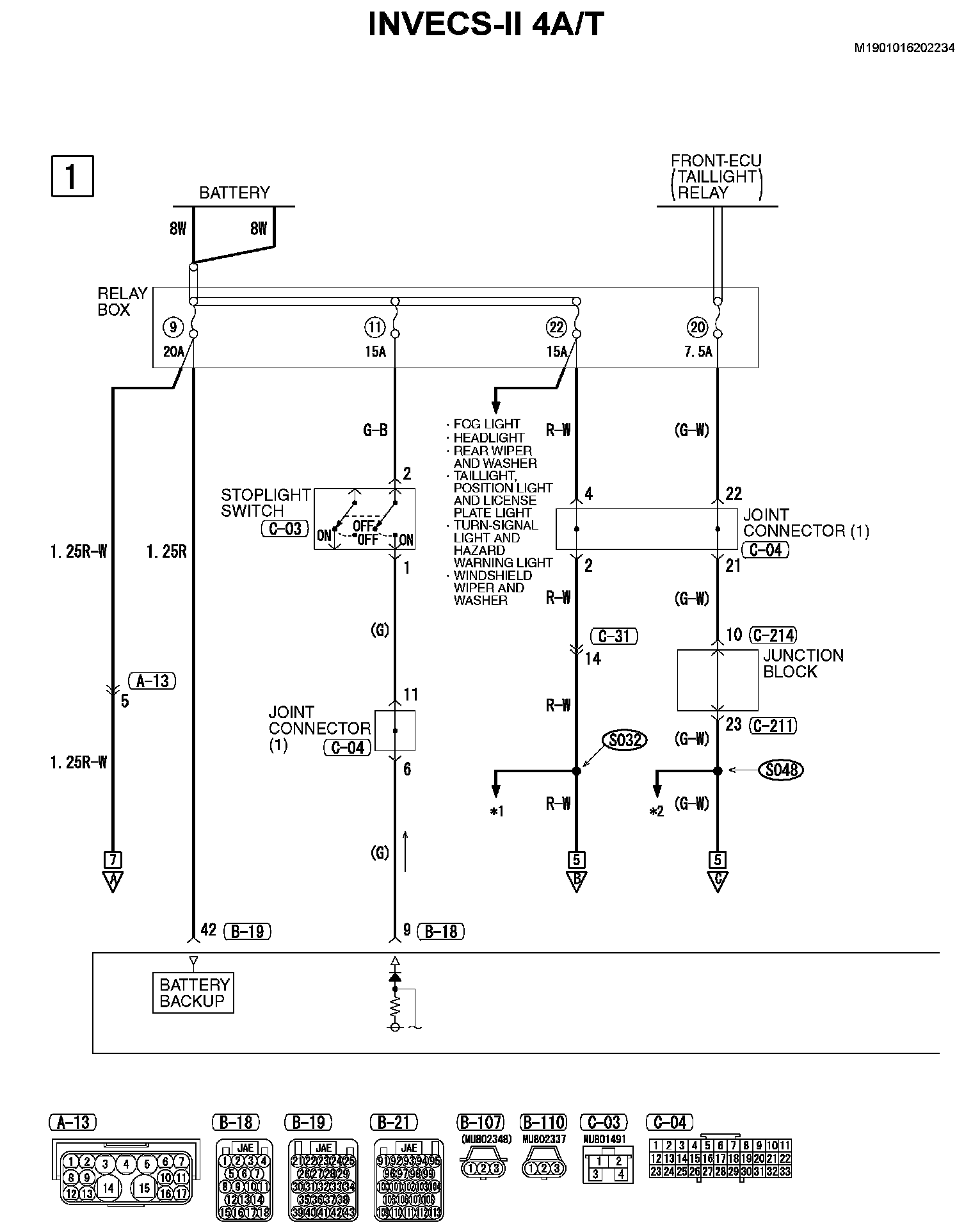
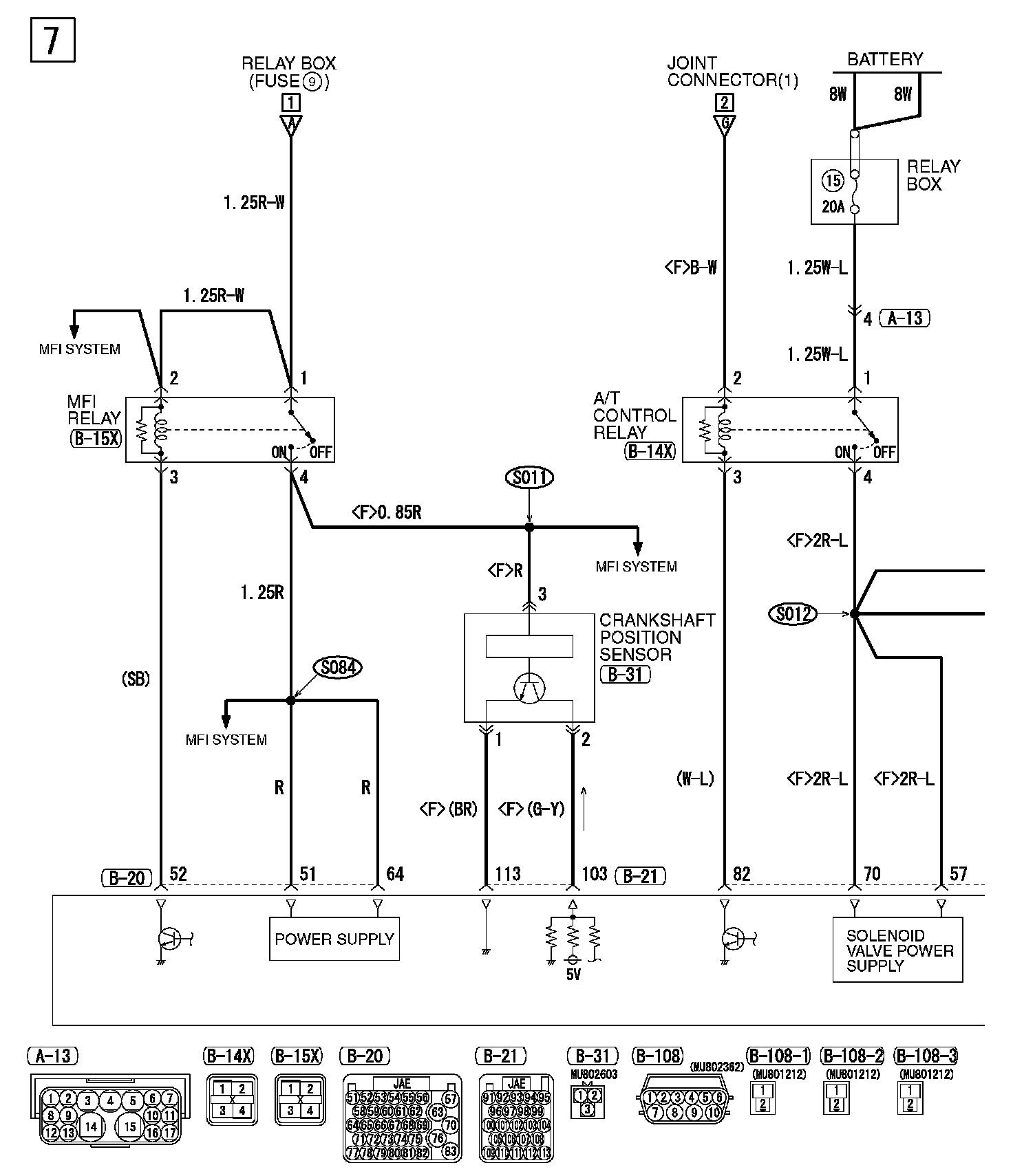
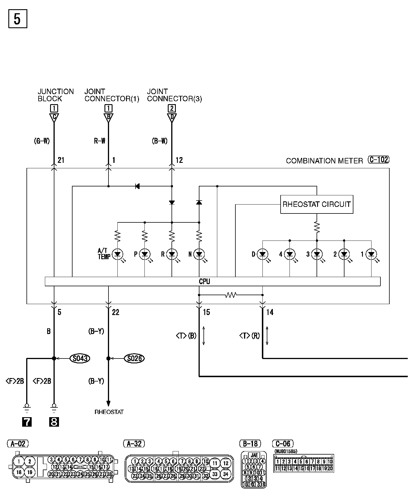
INVECS-II 4A/T Part 1:




INVECS-II 4A/T Part 2:




INVECS-II 4A/T Part 3:




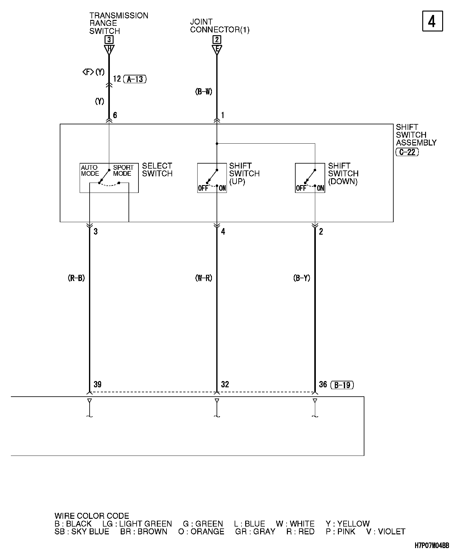
INVECS-II 4A/T Part 4:




INVECS-II 4A/T Part 5:




INVECS-II 4A/T Part 6:




INVECS-II 4A/T Part 7:




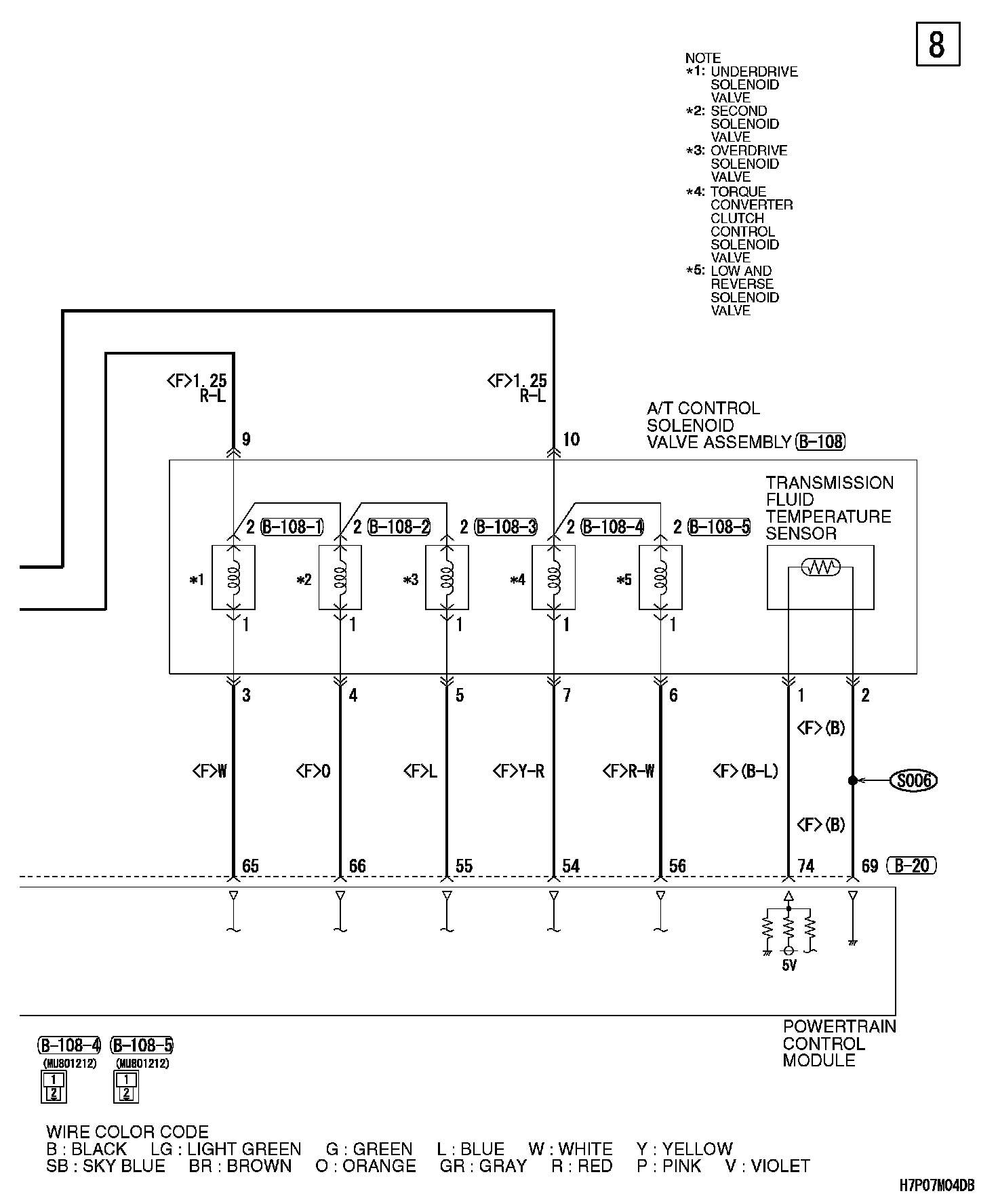
INVECS-II 4A/T Part 8:




INVECS-II 4A/T Part 9:




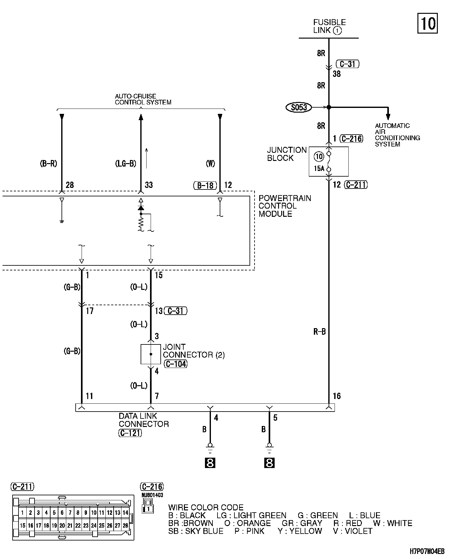
INVECS-II 4A/T Part 10:






Connector/Component Locations: The locations of connectors and components referred to within these diagrams can be found via the connector number at Vehicle Connector Locations. Connector Locations

Splice Locations: The locations of Splices referred to within these diagrams can be found via the splice number at Vehicle Splice Locations. Splice Locations

Ground Locations: The locations of grounds referred to within these diagrams can be found via the ground number at Vehicle Ground Locations. Ground Locations