Operation CHARM: Car repair manuals for everyone.
Manuals through 2025 now available!

Our trusted friends have launched a new website named LEMON, which has newer manuals. It also contains all the CHARM manuals.

LEMON is the spiritual successor to CHARM, I recommend you try it!

Link: lemon-manuals.la or lemon-manuals.org.ua

(Some people have issue connecting. LEMON is investigating. For now, use Firefox or change your DNS server)

Or, hide this message: temporarily or permanently

Heater Core: Service and Repair

CORE - HEATER

REMOVAL

WARNING:
- Disable the airbag system before attempting any steering wheel, steering column, or instrument panel component diagnosis or service. Disconnect and isolate the negative battery (ground) cable, then wait two minutes for the airbag system capacitor to discharge before performing further diagnosis or service. This is the only sure way to disable the airbag system. Failure to take the proper precautions could result in accidental airbag deployment and possible personal injury or death.
- The heater core tubes are not serviced separately from the heater core. The heater core tubes should not be repositioned, loosened or removed from the heater core. Failure to follow this warning could result in a coolant leak and possible personal injury or death.





1. Remove the HVAC housing and place it on a workbench.
2. Disassemble the HVAC housing.

NOTE: If the foam seal around the heater core is deformed or damaged, the seal must be replaced.

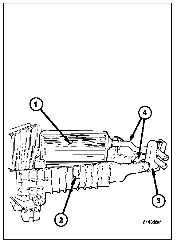
3. Carefully lift the heater core (1) out of the lower half of the HVAC housing (2).

NOTE: If the rubber flange around the heater core tubes is deformed or damaged, the flange must be replaced.

4. If required, remove the rubber flange (3) from around the heater core tubes (4).

INSTALLATION

WARNING: The heater core tubes are not serviced separately from the heater core. The heater core tubes should not be repositioned, loosened or removed from the heater core. Failure to follow this warning could result in a coolant leak and possible personal injury or death.




1. If removed, install the rubber flange (3) over the heater core tubes (4).

NOTE: Make sure that the foam seal and the rubber flange are properly positioned in the HVAC housing.

2. Carefully install the heater core (1) into the lower half of the HVAC housing (2).
3. Assemble the HVAC housing.

NOTE: If the heater core is being replaced, flush the cooling system.

4. Install the HVAC housing.