Operation CHARM: Car repair manuals for everyone.
Manuals through 2025 now available!

Our trusted friends have launched a new website named LEMON, which has newer manuals. It also contains all the CHARM manuals.

LEMON is the spiritual successor to CHARM, I recommend you try it!

Link: lemon-manuals.la or lemon-manuals.org.ua

(Some people have issue connecting. LEMON is investigating. For now, use Firefox or change your DNS server)

Or, hide this message: temporarily or permanently

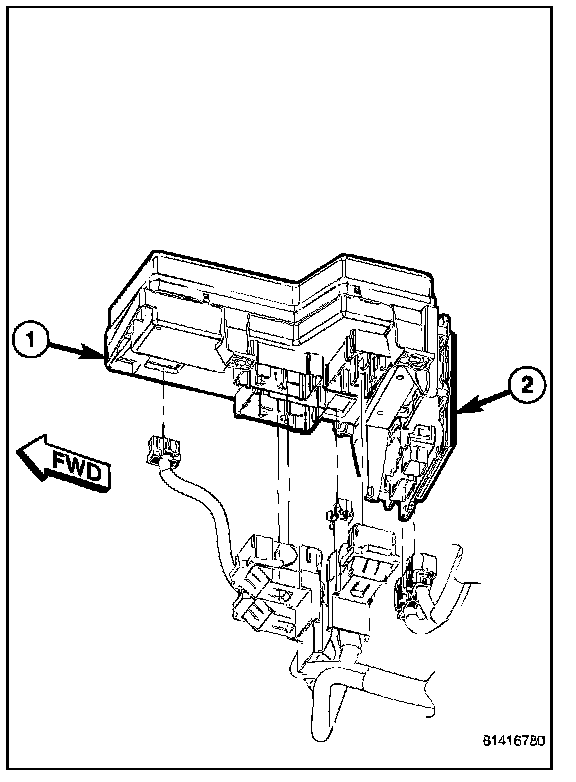
Integrated Power Module

INTEGRATED POWER MODULE

DESCRIPTION






The Integrated Power Module (IPM) is a combination of the Power Distribution Center (PDC) (1) and the Front Control Module (FCM) (2). The PDC mates directly with the FCM to form the IPM. The PDC is a printed circuit board based module that contains fuses and relays, while the FCM contains the electronics controlling the IPM and other functions. The IPM connects directly to the battery positive via a stud located on top of the unit. The ground connection is via electrical connectors. The IPM provides the primary means of voltage distribution and protection for the entire vehicle.






The IPM (2) is located in the engine compartment, next to the battery. It is secured to the battery tray (4) with two locating slots (5) and two pushpin style fasteners (1). The PDC portion of the IPM cannot be repaired and must be replaced if inoperative or damaged.

OPERATION

All of the current from the battery and the generator output enters the integrated power module via a stud on the top of the module. Internal connections of all of the power distribution center circuits is accomplished by a combination of bus bars and a printed circuit board.