Operation CHARM: Car repair manuals for everyone.
Manuals through 2025 now available!

Our trusted friends have launched a new website named LEMON, which has newer manuals. It also contains all the CHARM manuals.

LEMON is the spiritual successor to CHARM, I recommend you try it!

Link: lemon-manuals.la or lemon-manuals.org.ua

(Some people have issue connecting. LEMON is investigating. For now, use Firefox or change your DNS server)

Or, hide this message: temporarily or permanently

Spark Plug: Service and Repair

SPARK PLUG

REMOVAL - EXCEPT 4.7L V-8
Each individual spark plug is located under each ignition coil. Each individual ignition coil must be removed to gain access to each spark plug. Refer to Ignition Coil Removal for procedures.

1. Remove necessary air filter tubing and air intake components at top of engine and at throttle body.
2. Prior to removing ignition coil, spray compressed air around coil base at cylinder head.
3. Prior to removing spark plug, spray compressed air into cylinder head opening. This will help prevent foreign material from entering combustion chamber.
4. Remove spark plug from cylinder head using a quality socket with a rubber or foam insert. Also check condition of ignition coil O-ring and replace as necessary.
5. Inspect spark plug condition.

SPARK PLUG - REMOVAL - 4.7L V-8





CAUTION
This engine uses TWO DIFFERENT types of spark plugs. A total of 16 plugs is used. The plugs are mounted in two rows (banks). The upper row (5) is used on the intake valve side of the cylinder head. The lower row (6) is used on the exhaust valve side of the cylinder head. The upper row (5) uses Bosch Nickel Yttrium plugs #05149050AB. The lower row (6) uses Bosch Iridium plugs #05149888AA. DO NOT INTERCHANGE THESE PLUGS.


CAUTION
Do not attempt to clean any of the spark plugs. Replace only.


1. Remove necessary air filter tubing and air intake components at top of engine and at throttle body.
2. To remove the upper row of plugs (5), each individual ignition coil (2) must first be removed. Refer to Ignition Coil Removal for procedures. Prior to removing ignition coil, spray compressed air around coil base at cylinder head.
3. Prior to removing spark plug, spray compressed air into cylinder head opening. This will help prevent foreign material from entering combustion chamber.

CAUTION
Due to tight clearances between UPPER row of plugs (5) and cylinder head, a conventional deep, thick-wall spark plug socket will not fit. Use a deep, THIN-WALL 5/8" spark plug socket for plug removal and installation.


4. Inspect spark plug condition.

INSTALLATION - EXCEPT 4.7L V-8

CAUTION
Never use a motorized wire wheel brush to clean spark plugs. Metallic deposits will remain on spark plug insulator and will cause plug misfire.


CAUTION
Do not attempt to clean any of the spark plugs. Replace only.


1. To aid in coil installation, apply proper silicone based grease into spark plug end of ignition coil rubber boots. Also apply this grease to the tops of spark plugs.





2. Check and adjust spark plug gap with a gap gauging tool (1). Refer to the Spark Plug Specification section for plug gap.
3. Start the spark plug into the cylinder head by hand to avoid cross threading. Special care should be taken when installing spark plugs into the cylinder head spark plug wells. Be sure the plugs do not drop into the plug wells as electrodes can be damaged.

Always tighten spark plugs to the specified torque. Certain engines use torque sensitive spark plugs. It is a good practice to always tighten spark plugs to a specific torque. Over tightening can cause distortion resulting in a change in the spark plug gap, or a cracked porcelain insulator. Refer to Spark Plug Torque in the Torque Specification section for specifications.

4. Install ignition coil(s). Refer to Ignition Coil Installation for procedures.
5. Install necessary air filter tubing and air intake components to top of engine and to throttle body.

INSTALLATION - 4.7L V-8





CAUTION
This engine uses TWO DIFFERENT types of spark plugs. A total of 16 plugs is used. The plugs are mounted in two rows (banks). The upper row (5) is used on the intake valve side of the cylinder head. The lower row (6) is used on the exhaust valve side of the cylinder head. The upper row (5) uses Bosch Nickel Yttrium plugs #05149050AB. The lower row (6) uses Bosch Iridium plugs #05149888AA. DO NOT INTERCHANGE THESE PLUGS.


CAUTION
Never use a motorized wire wheel brush to clean spark plugs. Metallic deposits will remain on spark plug insulator and will cause plug misfire.


CAUTION
Do not attempt to clean any of the spark plugs. Replace only.


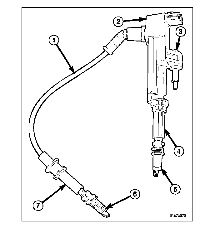
1. To aid in coil installation, apply proper silicone based grease such into spark plug end of rubber boots (4) and (7). Also apply this grease to the tops of spark plugs (5) and (6).





2. Check and adjust spark plug gap with a gap gauging tool (1). Refer to the Spark Plug Specification section for plug gap. Two different gaps are used.
3. Start the spark plug into the cylinder head by hand to avoid cross threading. Special care should be taken when installing spark plugs into the cylinder head spark plug wells. Be sure the plugs do not drop into the plug wells as electrodes can be damaged.

CAUTION
Due to tight clearances between upper row of plugs (5) and cylinder head, a conventional deep, thick-wall spark plug socket will not fit. Use a deep, THIN-WALL 5/8" spark plug socket for plug removal and installation.


Always tighten spark plugs to the specified torque. Certain engines use torque sensitive spark plugs. It is a good practice to always tighten spark plugs to a specific torque. Over tightening can cause distortion resulting in a change in the spark plug gap, or a cracked porcelain insulator. Refer to Spark Plug Torque in the Torque Specification section for specifications.

4. Install ignition coil(s). Refer to Ignition Coil Installation for procedures.
5. Install necessary air filter tubing and air intake components to top of engine and to throttle body.