Operation CHARM: Car repair manuals for everyone.
Manuals through 2025 now available!

Our trusted friends have launched a new website named LEMON, which has newer manuals. It also contains all the CHARM manuals.

LEMON is the spiritual successor to CHARM, I recommend you try it!

Link: lemon-manuals.la or lemon-manuals.org.ua

(Some people have issue connecting. LEMON is investigating. For now, use Firefox or change your DNS server)

Or, hide this message: temporarily or permanently

Inspection Procedure 7

INSPECTION PROCEDURE 7: When "CRUISE" (MAIN) Switch is Turned "ON", "CRUISE" Indicator Light Inside Combination Meter does not Illuminate. (However, Auto-cruise Control System is Normal).

Auto-cruise Control Indicator Light Drive Circuit <ECLIPSE>:




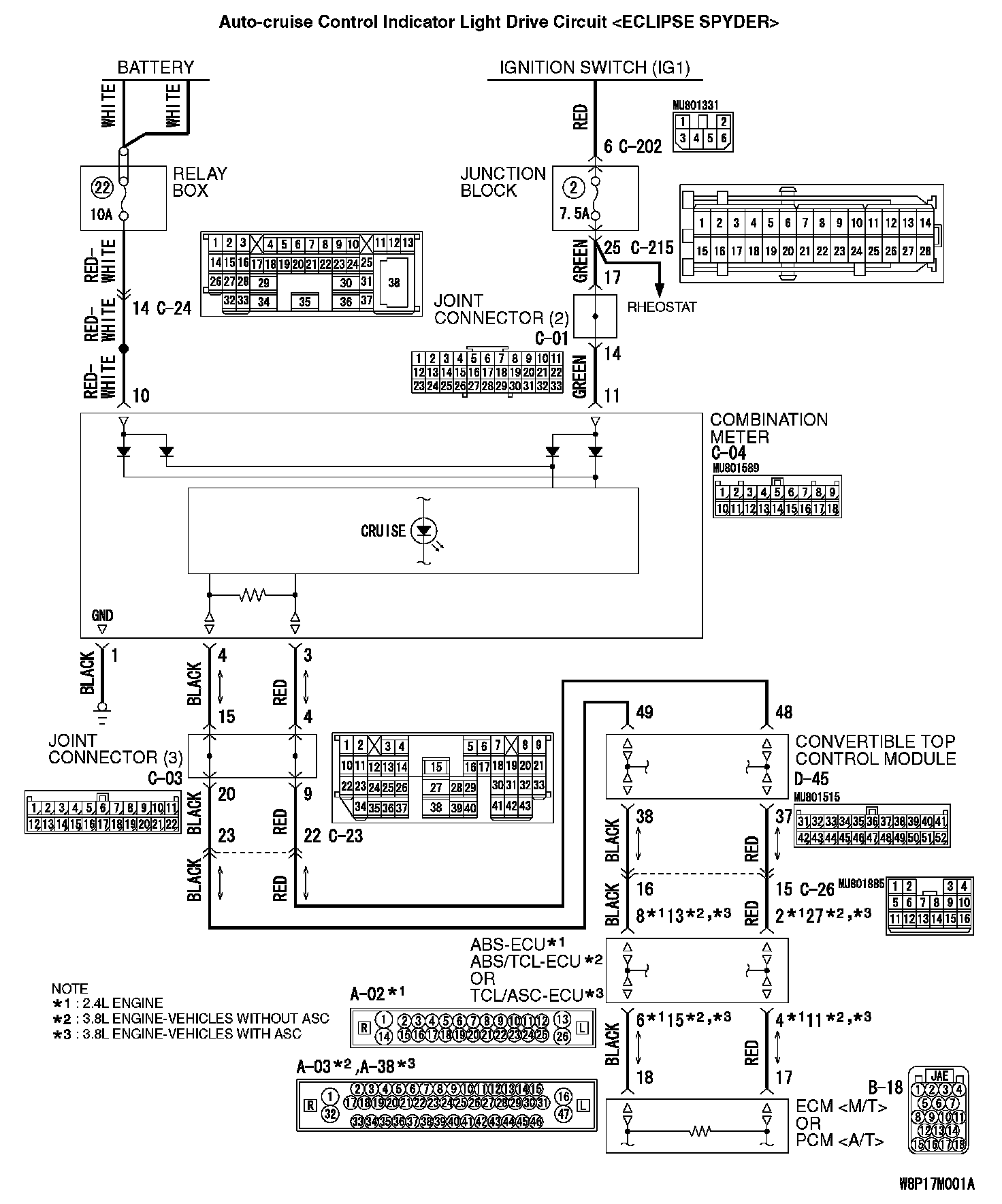
Auto-cruise Control Indicator Light Drive Circuit <ECLIPSE SPYDER> (Part 1):




Auto-cruise Control Indicator Light Drive Circuit <ECLIPSE SPYDER> (Part 2):




Auto-cruise Control Indicator Light Drive Circuit <ECLIPSE SPYDER> (Part 3):






CIRCUIT OPERATION
The ECM [M/T] or PCM [A/T] detects "CRUISE" (MAIN) switch "ON" signal to illuminate the "CRUISE" indicator light on the combination meter.

COMMENT
Connector(s), wiring harness in the CAN bus line between the ECM [M/T] or PCM [A/T] and the combination meter, power supply to the ECM [M/T] or PCM [A/T], the combination meter, the ECM [M/T] or PCM [A/T] may be defective.

TROUBLESHOOTING HINTS
- Malfunction of the combination meter.
- Damaged harness or connector.
- Malfunction of the ECM [M/T] or PCM [A/T].

DIAGNOSIS

Required Special Tools:
- MB991958: Scan Tool (M.U.T.-III Sub Assembly)
- MB991824: V.C.I.
- MB991827: M.U.T.-III USB Cable
- MB991910: M.U.T.-III Main Harness A

STEP 1. Using scan tool MB991958, diagnose the CAN bus line.






CAUTION: To prevent damage to scan tool MB991958, always turn the ignition switch to the "LOCK" (OFF) position before connecting or disconnecting scan tool MB991958.

1. Connect scan tool MB991958 to the data link connector. Scan Tool Connecting
2. Turn the ignition switch to the "ON" position.
3. Diagnose the CAN bus line. How to Diagnose the CAN Bus Line
4. Turn the ignition switch to the "LOCK" (OFF) position.
5. Disconnect scan tool MB991958.

Q: Is the check result satisfactory?

YES : Go to Step 2

NO : Repair the CAN bus lines. Then go to Step 4.

STEP 2. Using scan tool MB991958, read the MFI diagnostic trouble code.






CAUTION: To prevent damage to scan tool MB991958, always turn the ignition switch to the "LOCK" (OFF) position before connecting or disconnecting scan tool MB991958.

1. Connect scan tool MB991958 to the data link connector. Scan Tool Connecting
2. Turn the ignition switch to the "ON" position.
3. Check for MFI system diagnostic trouble code. Refer to Reading and Clearing Diagnostic Trouble Codes. Reading Diagnostic Trouble Codes

4. Turn the ignition switch to the "LOCK" (OFF) position.
5. Disconnect scan tool MB991958.

Q: Is DTC U1108 set?

YES : Refer to Diagnostic Trouble Code Procedures - DTC U1108: Combination Meter-ECU CAN Communication Time Out U1108 Then go to Step 4.

NO : Go to Step 3.

STEP 3. Retest the system.

Q: Does the "CRUISE" indicator light illuminate when the "CRUISE" (MAIN) switch is turned "ON"?

YES : It can be assumed that this malfunction is intermittent.

NO : Replace the ECM [M/T] or PCM [A/T]. Then go to Step 4.

STEP 4. Retest the system.

Q: Does the "CRUISE" indicator light illuminate when the "CRUISE" (MAIN) switch is turned "ON"?

YES : The procedure is complete.

NO : Return to Step 1.