Operation CHARM: Car repair manuals for everyone.
Manuals through 2025 now available!

Our trusted friends have launched a new website named LEMON, which has newer manuals. It also contains all the CHARM manuals.

LEMON is the spiritual successor to CHARM, I recommend you try it!

Link: lemon-manuals.la or lemon-manuals.org.ua

(Some people have issue connecting. LEMON is investigating. For now, use Firefox or change your DNS server)

Or, hide this message: temporarily or permanently

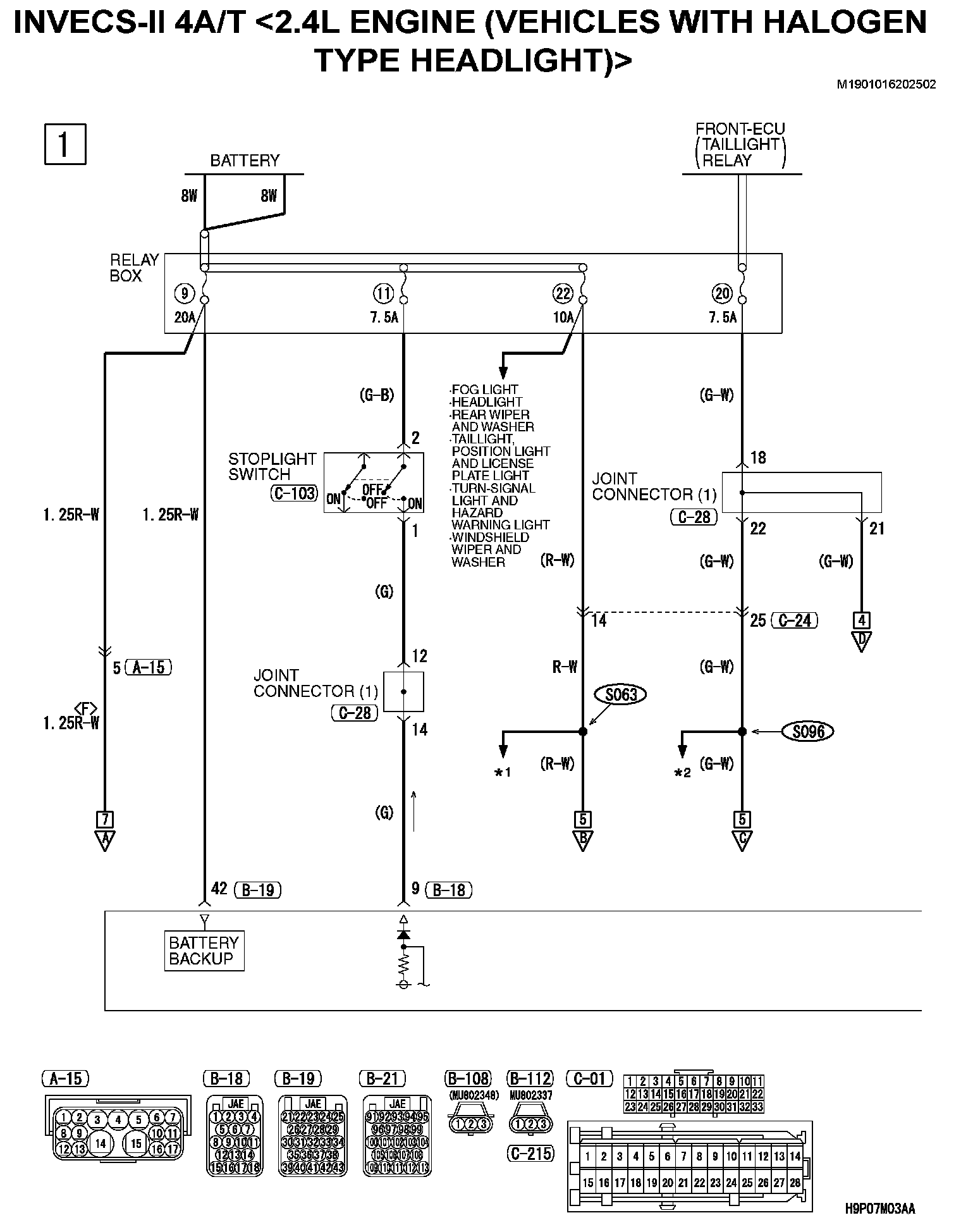
Vehicles With Halogen Type Headlight

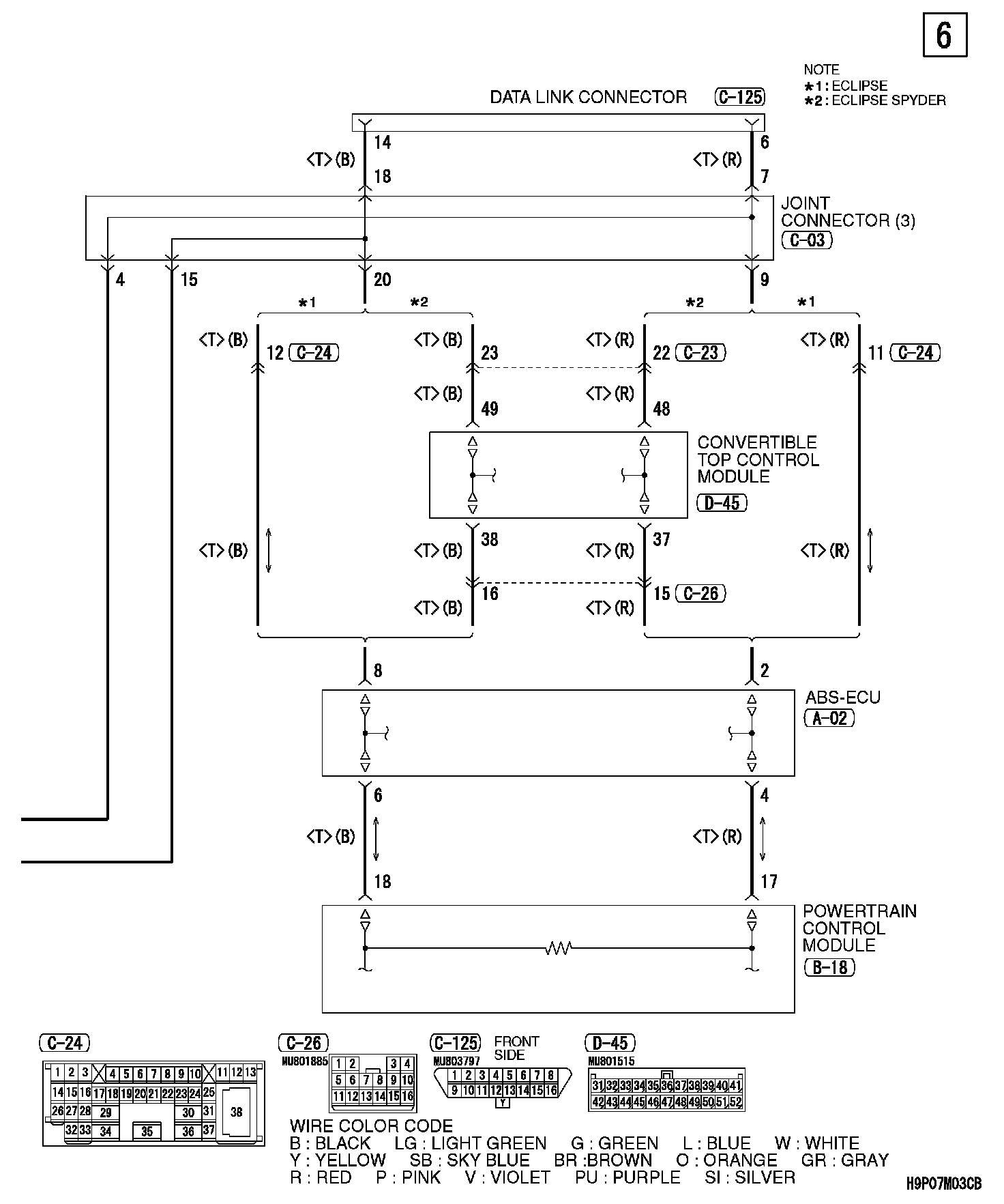
INVECS-II 4A/T [Vehicles With Halogen Type Headlight] (Part 1):




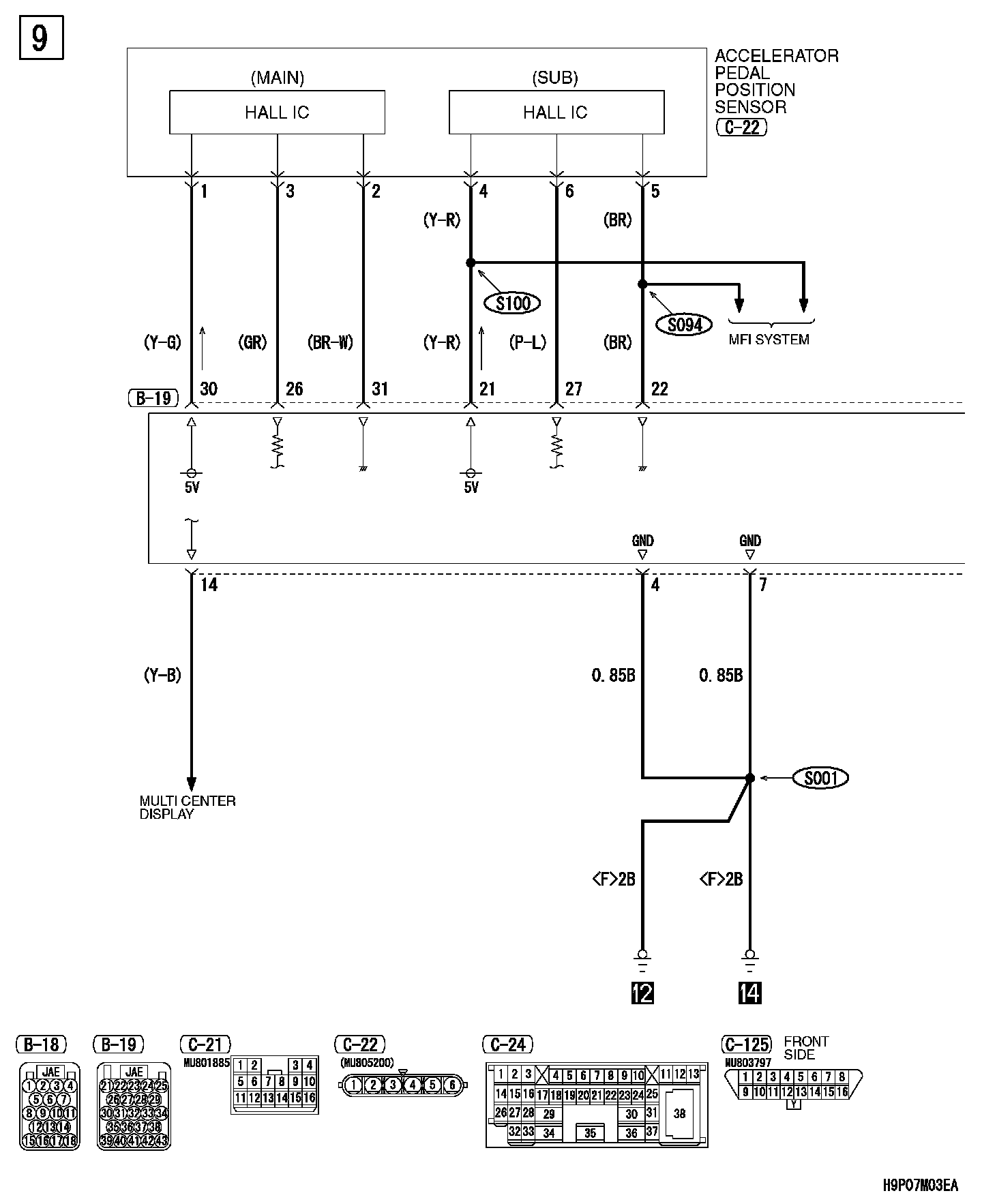
INVECS-II 4A/T [Vehicles With Halogen Type Headlight] (Part 2):




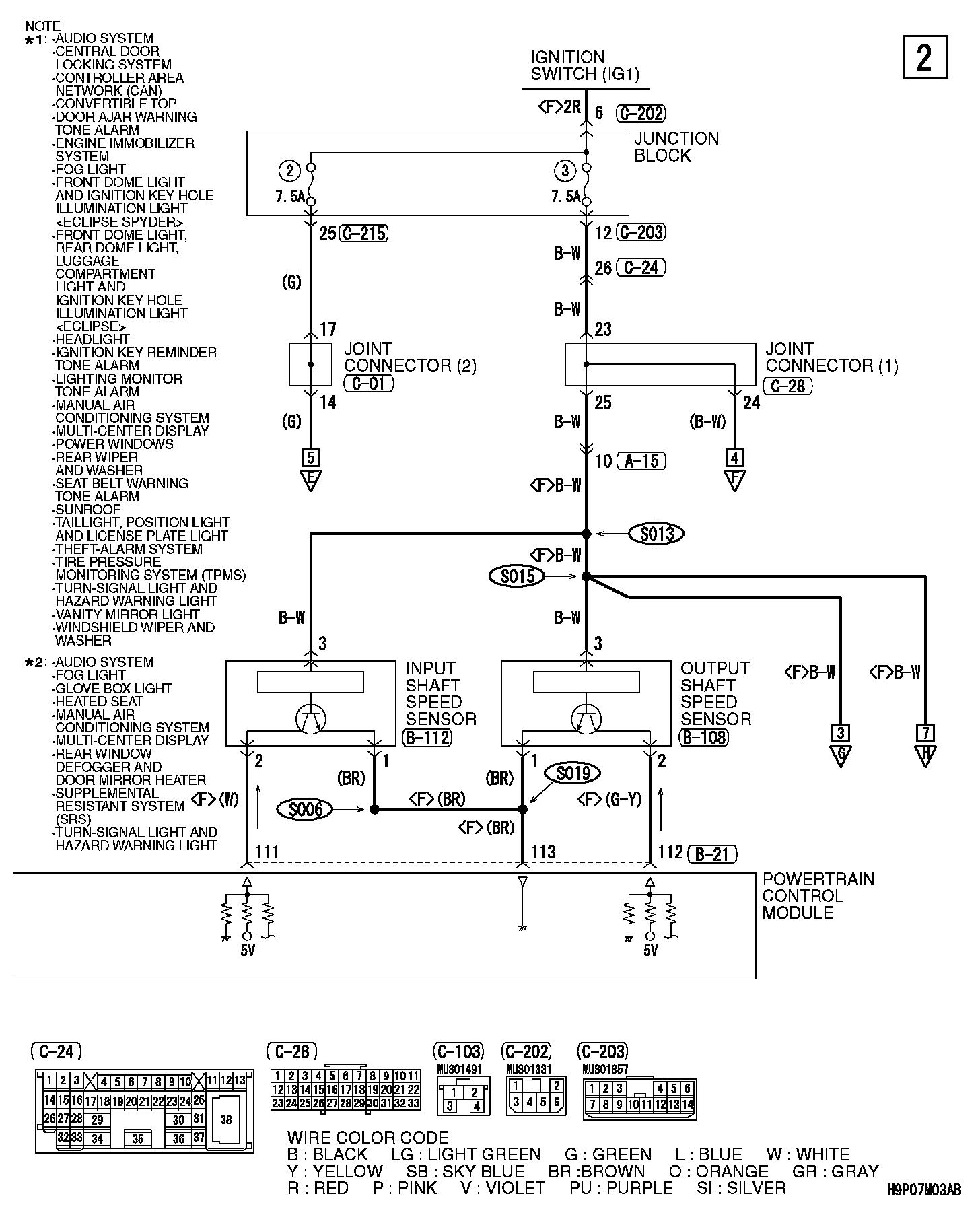
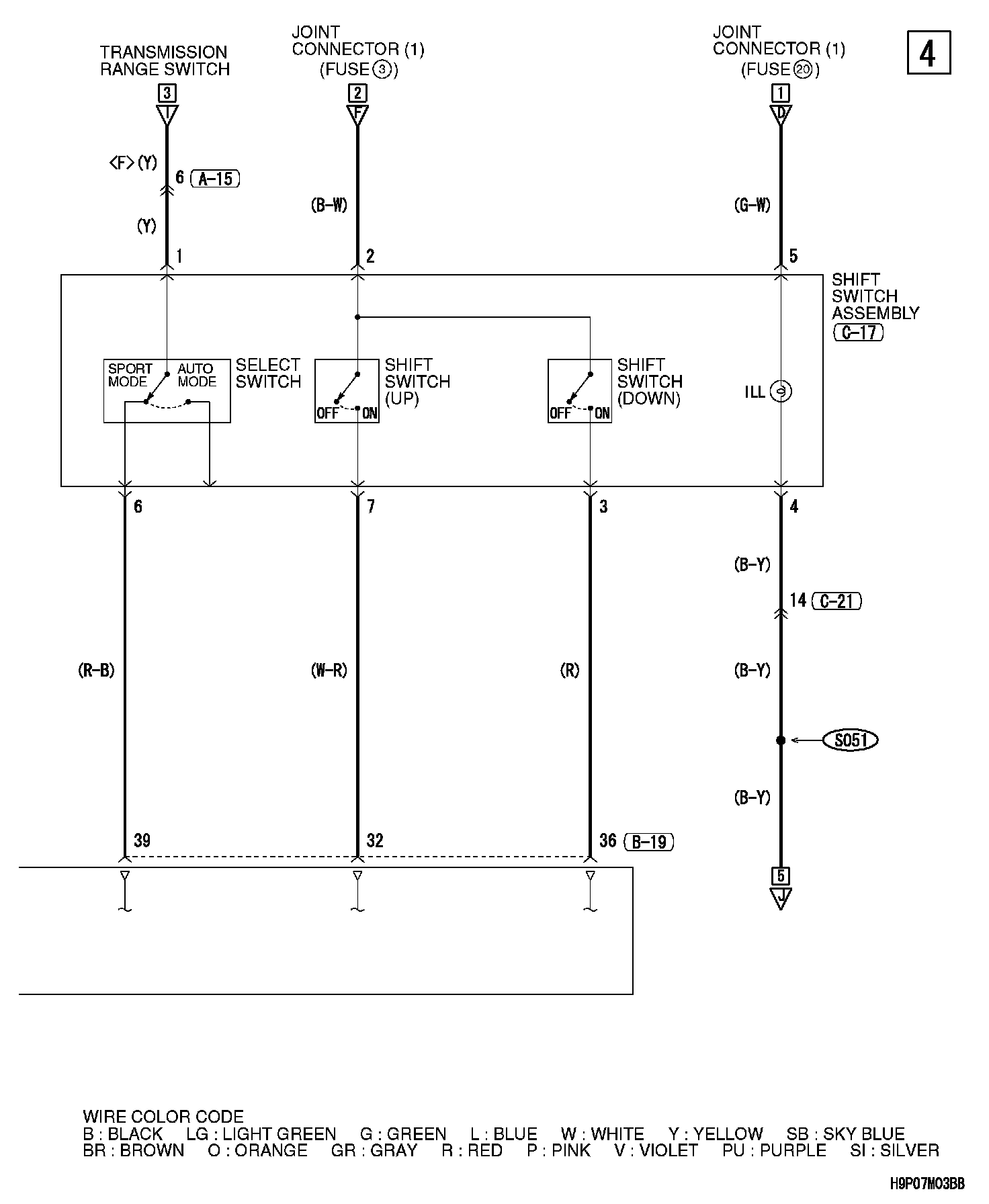
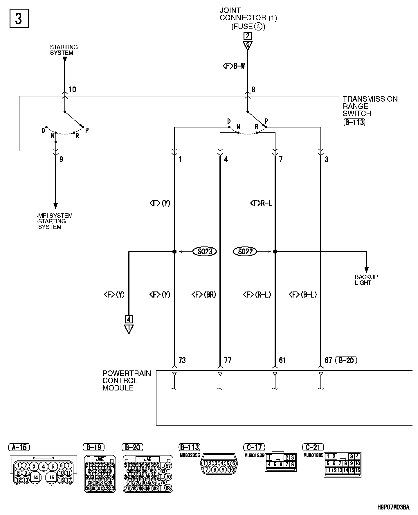
INVECS-II 4A/T [Vehicles With Halogen Type Headlight] (Part 3):




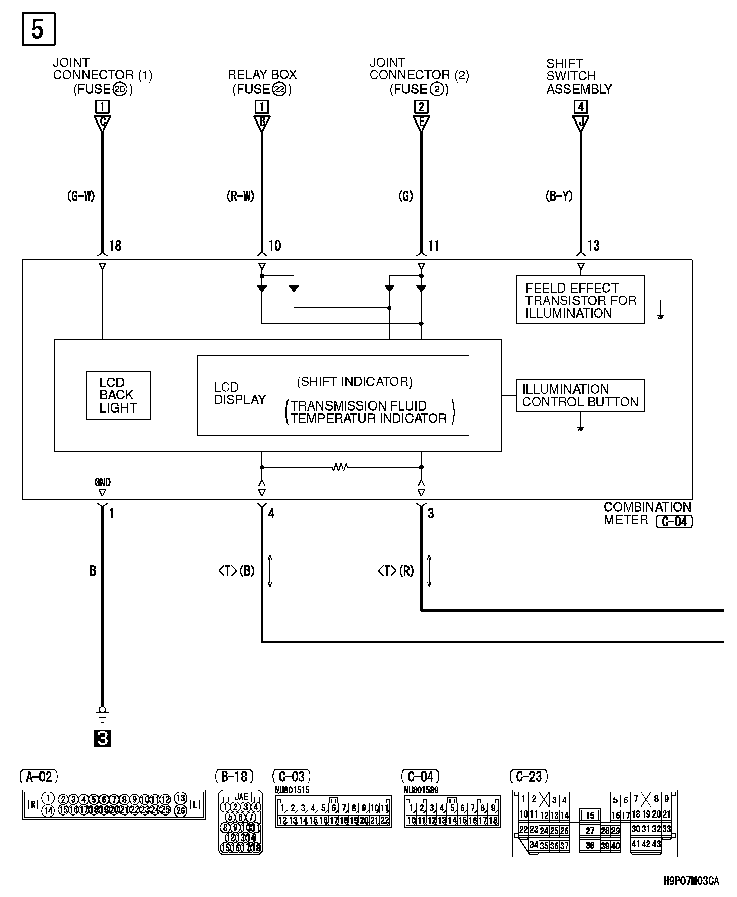
INVECS-II 4A/T [Vehicles With Halogen Type Headlight] (Part 4):




INVECS-II 4A/T [Vehicles With Halogen Type Headlight] (Part 5):




INVECS-II 4A/T [Vehicles With Halogen Type Headlight] (Part 6):




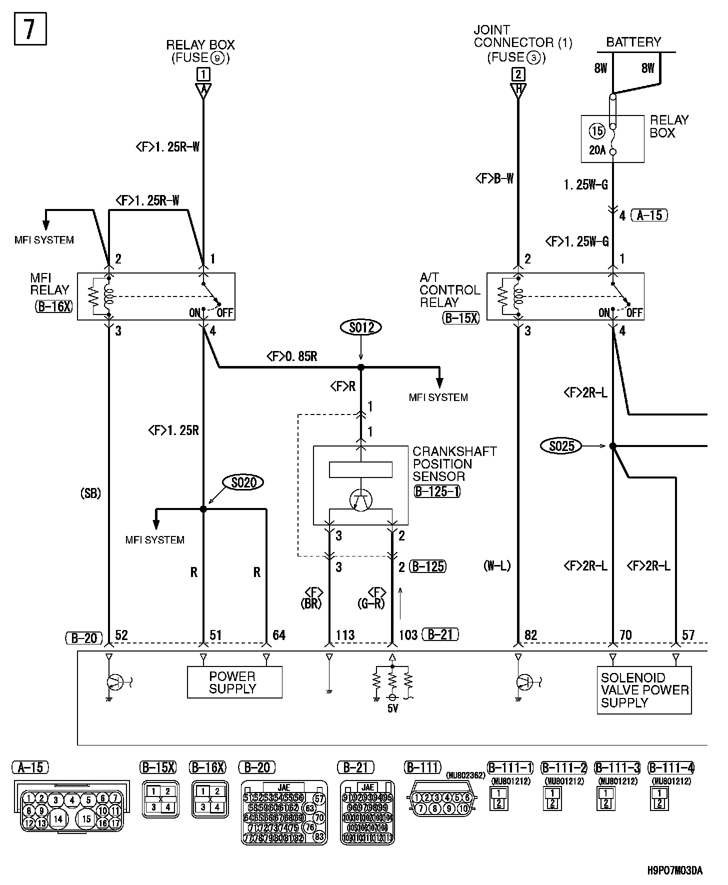
INVECS-II 4A/T [Vehicles With Halogen Type Headlight] (Part 7):




INVECS-II 4A/T [Vehicles With Halogen Type Headlight] (Part 8):




INVECS-II 4A/T [Vehicles With Halogen Type Headlight] (Part 9):




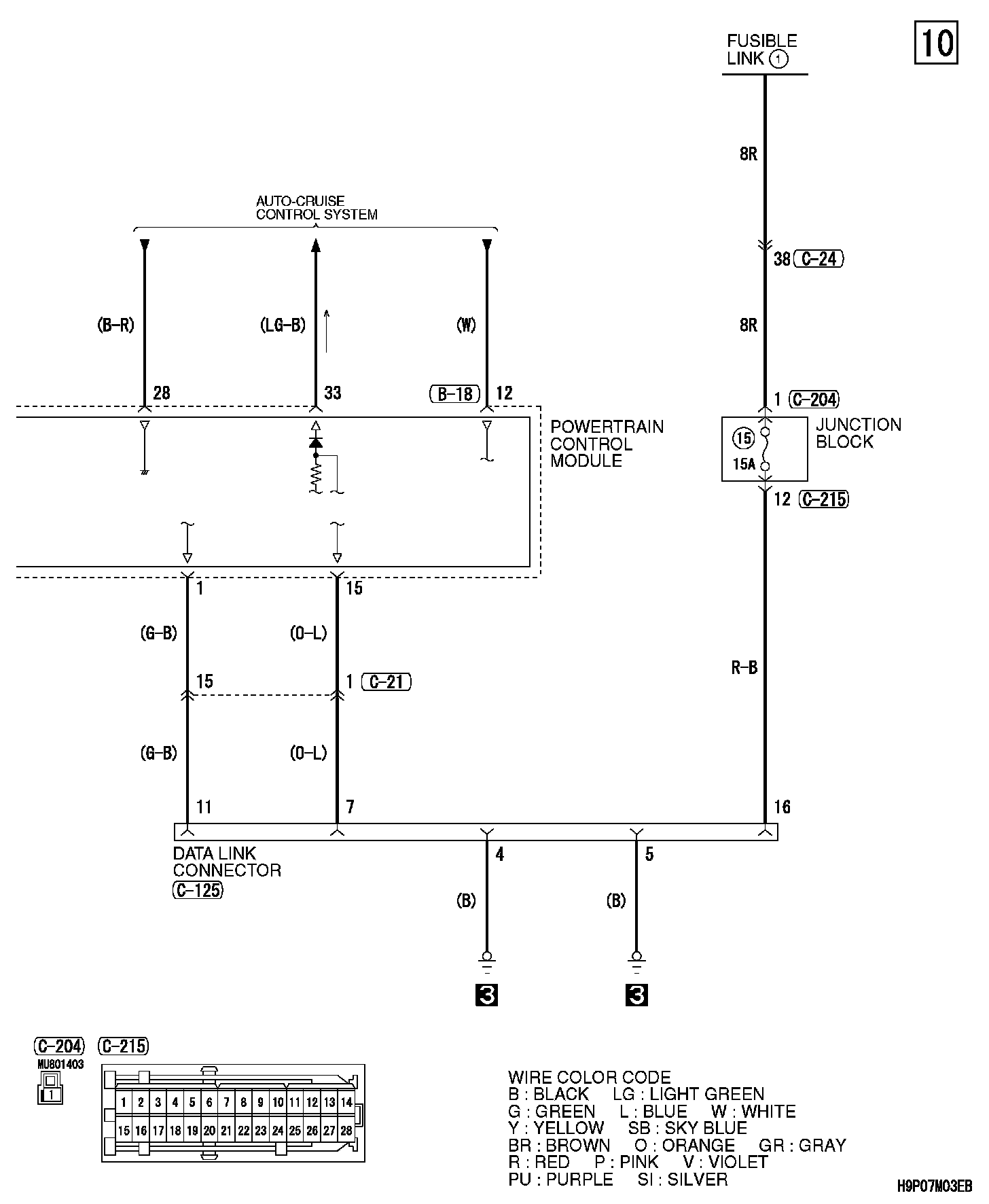
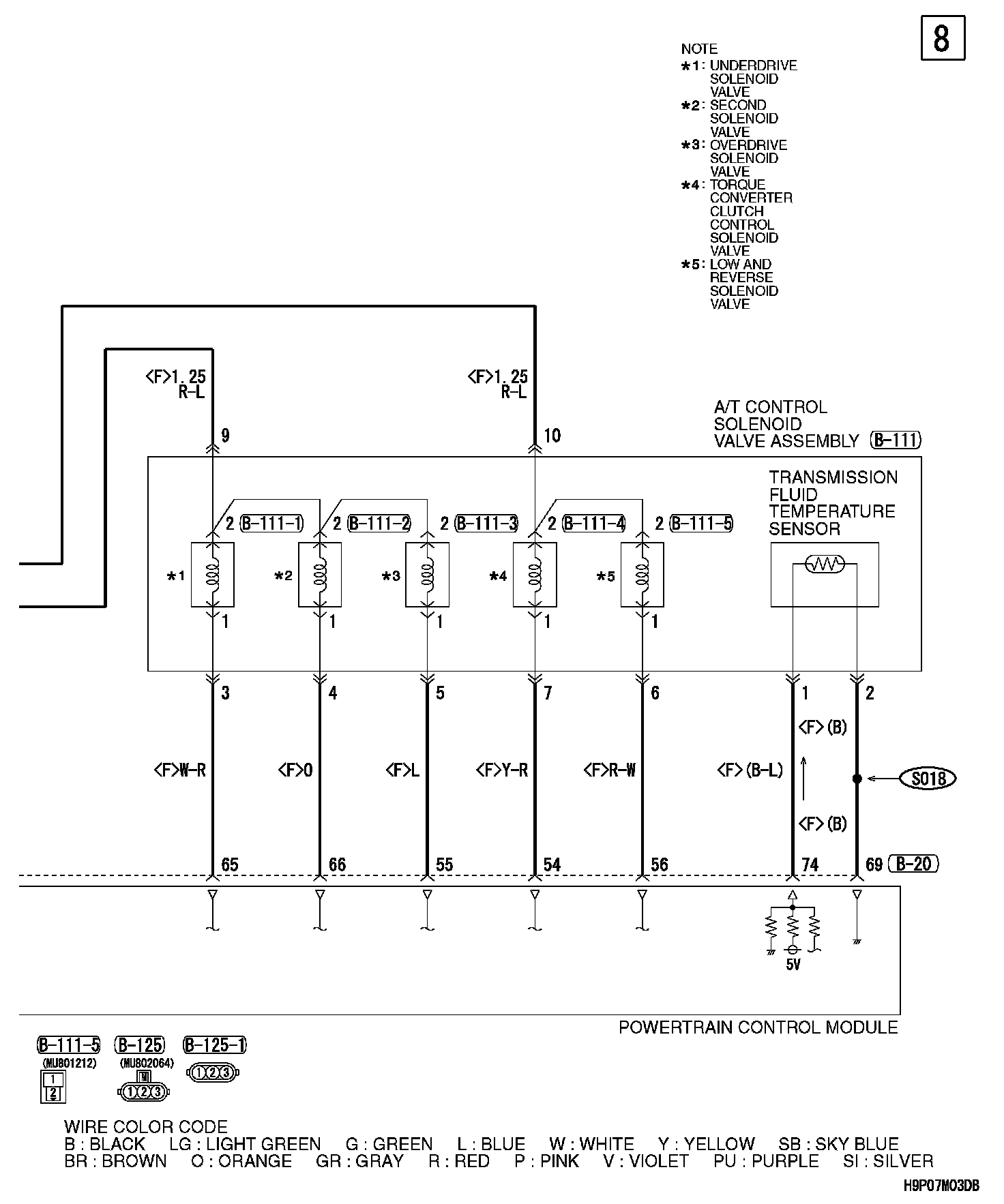
INVECS-II 4A/T [Vehicles With Halogen Type Headlight] (Part 10):






Connector/Component Locations: The locations of connectors and components referred to within these diagrams can be found via the connector number at Vehicle Connector Locations. Connector Locations

Splice Locations: The locations of Splices referred to within these diagrams can be found via the splice number at Vehicle Splice Locations. Splice Locations

Ground Locations: The locations of grounds referred to within these diagrams can be found via the ground number at Vehicle Ground Locations. Ground Locations