Operation CHARM: Car repair manuals for everyone.
Manuals through 2025 now available!

Our trusted friends have launched a new website named LEMON, which has newer manuals. It also contains all the CHARM manuals.

LEMON is the spiritual successor to CHARM, I recommend you try it!

Link: lemon-manuals.la or lemon-manuals.org.ua

(Some people have issue connecting. LEMON is investigating. For now, use Firefox or change your DNS server)

Or, hide this message: temporarily or permanently

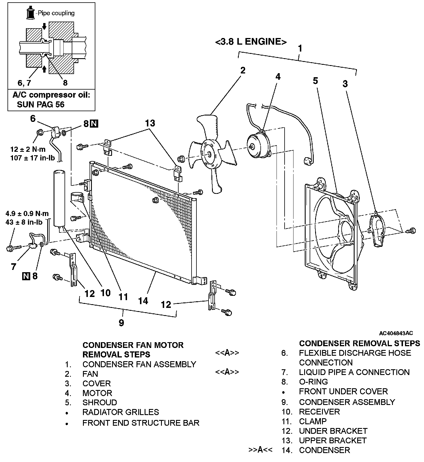
Condenser HVAC: Service and Repair

CONDENSER AND CONDENSER FAN MOTOR

REMOVAL AND INSTALLATION


Pre-removal And Post-installation Operation:




Removal Steps 1-14:






REMOVAL SERVICE POINT

[[A]] FLEXIBLE DISCHARGE HOSE AND LIQUID PIPE A DISCONNECTION

CAUTION: As the compressor oil and receiver are highly moisture absorbent, use a non-porous material to plug the hose and nipples.

To prevent the entry of dust or other foreign bodies, plug the dismantled hose and condenser assembly nipples.

INSTALLATION SERVICE POINT

]]A[[ CONDENSER INSTALLATION
When replacing the condenser, refill it with a specified amount of compressor oil and install it to the vehicle.

Compressor oil: SUN PAG 56

Quantity: 15 cu.cm (0.5 fl.oz)