Operation CHARM: Car repair manuals for everyone.
Manuals through 2025 now available!

Our trusted friends have launched a new website named LEMON, which has newer manuals. It also contains all the CHARM manuals.

LEMON is the spiritual successor to CHARM, I recommend you try it!

Link: lemon-manuals.la or lemon-manuals.org.ua

(Some people have issue connecting. LEMON is investigating. For now, use Firefox or change your DNS server)

Or, hide this message: temporarily or permanently

Part 1

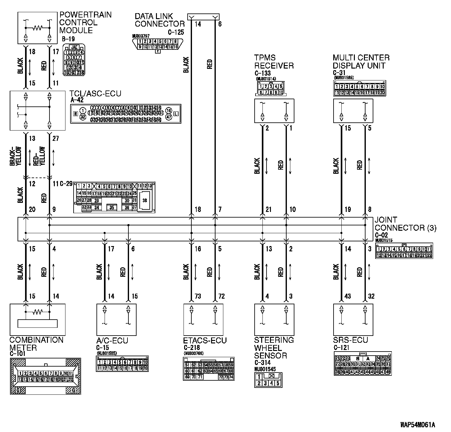
DIAGNOSTIC ITEM 4: Diagnose Shorts In The Ground To CAN Bus Line [Vehicles With Multi-center Display (Mitsubishi Multi Communication System)]

CAUTION: When servicing a CAN bus line, ground yourself by touching a metal object such as an unpainted water pipe. If you fail to do so, a component connected to the CAN bus line may be damaged.










TROUBLE JUDGMENT
A short to ground may be present when the voltage between the CAN bus line (CAN_L or CAN_H) and body ground is less than 1.0 V. In this condition, an abnormal voltage may be measured at CAN_L and CAN_H lines.

COMMENTS ON TROUBLE SYMPTOM
The wiring harness wire or connectors may have loose, corroded, or damage terminals, or terminals pushed back in the connector, or an ECU may be defective.

TROUBLESHOOTING HINTS
- The wiring harness or connectors may have loose, corroded, or damaged terminals, or terminals pushed back in the connector
- The ETACS-ECU may be defective
- The combination meter may be defective
- The A/C-ECU may be defective
- The multi-center display unit (Mitsubishi Multi Communication System) may be defective
- The SRS-ECU may be defective
- The TPMS reciver may be defective
- The steering wheel sensor may be defective
- The TCL/ASC-ECU may be defective
- The powertrain control module may be defective

DIAGNOSIS

Required Special Tools:
- MB991223: Harness Set
- MB991970: ABS Check Harness
- MB991923: Power Plant ECU Check Harness

STEP 1. Check powertrain control module connector B-19, combination meter connector C-101 and data link connector C-125 for loose, corroded or damaged terminals, or terminals pushed back in the connector.










CAUTION: The strand end of the twisted wire should be within 10 cm (4 inches) from the connector.

Q: Are powertrain control module connector B-19, combination meter connector C-101 and data link connector C-125 in good condition?

YES : Go to Step 2.

NO : Repair the damaged parts.

STEP 2. Check the CAN_H-side bus line (communication line including ECUs) for short to ground. Measure the resistance at data link connector C-125.

CAUTION:
- A digital multimeter should be used.
- The test wiring harness should be used.











1. Disconnect powertrain control module connector B-19 and combination meter connector C-101, and measure the resistance at the harness side of data link connector C-125.
2. Turn the ignition switch to the "LOCK" (OFF) position.

CAUTION: Disconnect the negative battery terminal.

3. Disconnect the negative battery terminal.







4. Measure the resistance between data link connector terminal 6 and body ground.

OK: 1 k ohms or more

Q: Does the resistance measure 1 k ohms or more?

YES : If the resistance measures 1 k ohms or more, go to Step 3.

NO : If the resistance measures less than 1 k ohms, go to Step 4.

STEP 3. Check the CAN_L-side bus line (communication line including ECUs) for short to ground. Measure the resistance at data link connector C-125.

CAUTION:
- A digital multimeter should be used.
- The test wiring harness should be used.











1. Disconnect powertrain control module connector B-19 and combination meter connector C-101, and measure the resistance at the harness side of data link connector C-125.
2. Turn the ignition switch to the "LOCK" (OFF) position.

CAUTION: Disconnect the negative battery terminal.

3. Disconnect the negative battery terminal.







4. Measure the resistance between data link connector terminal 14 and body ground.

OK: 1 k ohms or more

Q: Does the resistance measure 1 k ohms or more?

YES : If the resistance measures 1 k ohms or more, diagnose CAN bus lines thoroughly by referring to Diagnostic Item 16.

NO : If the resistance measures less than 1 k ohms, go to Step 33.

STEP 4. Check intermediate connector C-29 for loose, corroded or damaged terminals, or terminals pushed back in the connector.







CAUTION: The strand end of the twisted wire should be within 10 cm (4 inches) from the connector.

Q: Is intermediate connector C-29 in good condition?

YES : Go to Step 5.

NO : Repair the damaged parts.

STEP 5. Check the CAN_H-side bus line (communication line including ECUs) of the front wiring harness for short to ground. Measure the resistance at intermediate connector C-29.

CAUTION:
- A digital multimeter should be used.
- The test wiring harness should be used.








1. Disconnect intermediate connector C-29, and measure the resistance at the male side (at front wiring harness side).
2. Turn the ignition switch to the "LOCK" (OFF) position.

CAUTION: Disconnect the negative battery terminal.

3. Disconnect the negative battery terminal.







4. Measure the resistance between intermediate connector terminal 11 and body ground.

OK: 1 k ohms or more

Q: Does the resistance measure 1 k ohms or more?

YES : If the resistance measures 1 k ohms or more, go to Step 6.

NO : If the resistance measures less than 1 k ohms, go to Step 29.

STEP 6. Check joint connector (3) C-02 for loose, corroded or damaged terminals, or terminals pushed back in the connector.










CAUTION: The strand end of the twisted wire should be within 10 cm (4 inches) from the connector.

Check the joint connector at the wiring harness side for loose, corroded or damaged terminals, or terminals pushed back in the connector, and also check the short pin behind the connector for corrosion, deformation and delamination.

Q: Is joint connector (3) C-02 in good condition?

YES : Go to Step 7.

NO : Repair the damaged parts. Replace the joint connector as necessary.

STEP 7. Check the CAN_H line (communication line including the combination meter) between joint connector (3) and the combination meter for short to ground. Measure the resistance at joint connector (3) C-02.

CAUTION:
- A digital multimeter should be used.
- The test wiring harness should be used.








1. Disconnect joint connector (3) C-02, and measure the resistance at the wiring harness side of joint connector (3) C-02.
2. Turn the ignition switch to the "LOCK" (OFF) position.

CAUTION: Disconnect the negative battery terminal.

3. Disconnect the negative battery terminal.







4. Measure the resistance between joint connector (3) terminal 4 and body ground.

OK: 1 k ohms or more

Q: Does the resistance measure 1 k ohms or more?

YES : If the resistance measures 1 k ohms or more, go to Step 9.

NO : If the resistance measures less than 1 k ohms, go to Step 8.

STEP 8. Check the CAN_H line (communication line only) between joint connector (3) and the combination meter connector for short to ground. Measure the resistance at joint connector (3) C-02.

CAUTION:
- A digital multimeter should be used.
- The test wiring harness should be used.








1. Disconnect joint connector (3) C-02 and combination meter connector C-101, and measure the resistance at the wiring harness side of joint connector (3) C-02.
2. Turn the ignition switch to the "LOCK" (OFF) position.

CAUTION: Disconnect the negative battery terminal.

3. Disconnect the negative battery terminal.







4. Measure the resistance between joint connector (3) terminal 4 and body ground.

OK: 1 k ohms, or more

CAUTION: Strictly observe the specified wiring harness repair procedure.

Q: Does the resistance measure 1 k ohms or more?

YES : If the resistance measures 1 k ohms. or more, diagnose CAN bus lines thoroughly by referring to Diagnostic Item 16.

NO : If the resistance measures less than 1 k ohms, repair the wiring harness between joint connector (3) and the combination meter connector.

STEP 9. Check the CAN_H line (communication line including the ETACS-ECU) between joint connector (3) and the ETACS-ECU connector for short to ground. Measure the resistance at joint connector (3) C-02.

CAUTION:
- A digital multimeter should be used.
- The test wiring harness should be used.








1. Disconnect joint connector (3) C-02, and measure the resistance at the wiring harness side of joint connector (3) C-02.
2. Turn the ignition switch to the "LOCK" (OFF) position.

CAUTION: Disconnect the negative battery terminal.

3. Disconnect the negative battery terminal.







4. Measure the resistance between joint connector (3) terminal 5 and body ground.

OK: 1 k ohms or more

Q: Does the resistance measure 1 k ohms or more?

YES : If the resistance measures 1 k ohms or more, go to Step 12.

NO : If the resistance measures less than 1 k ohms, go to Step 10.

STEP 10. Check ETACS-ECU connector C-218 for loose, corroded or damaged terminals, or terminals pushed back in the connector.







CAUTION: The strand end of the twisted wire should be within 10 cm (4 inches) from the connector.

Q: Is ETACS-ECU connector C-218 in good condition?

YES : Go to Step 11.

NO : Repair the damaged parts.

STEP 11. Check the CAN_H line (communication line only) between joint connector (3) and ETACS-ECU connector for short to ground. Measure the resistance at joint connector (3) C-02.

CAUTION:
- A digital multimeter should be used.
- The test wiring harness should be used.











1. Disconnect joint connector (3) C-02 and ETACS-ECU connector C-218, and measure the resistance at the wiring harness side of joint connector (3) C-02.
2. Turn the ignition switch to the "LOCK" (OFF) position.

CAUTION: Disconnect the negative battery terminal.

3. Disconnect the negative battery terminal.







4. Measure the resistance between joint connector (3) terminal 5 and body ground.

OK: 1 k ohms or more

CAUTION: Strictly observe the specified wiring harness repair procedure.

Q: Does the resistance measure 1 k ohms or more?

YES : If the resistance measures 1 k ohms or more, diagnose CAN bus lines thoroughly by referring to Diagnostic Item 16.

NO : If the resistance measures less than 1 k ohms, repair the wiring harness between joint connector (3) and the ETACS-ECU connector.

STEP 12. Check the CAN_H line (communication line including the A/C-ECU) between joint connector (3) and the A/C-ECU connector for short to ground. Measure the resistance at joint connector (3) C-02.

CAUTION:
- A digital multimeter should be used.
- The test wiring harness should be used.








1. Disconnect joint connector (3) C-02, and measure the resistance at the wiring harness side of joint connector (3) C-02.
2. Turn the ignition switch to the "LOCK" (OFF) position.

CAUTION: Disconnect the negative battery terminal.

3. Disconnect the negative battery terminal.







4. Measure the resistance between joint connector (3) terminal 6 and body ground.

OK: 1 k ohms or more

Q: Does the resistance measure 1 k ohms or more?

YES : If the resistance measures 1 k ohms or more, go to Step 15.

NO : If the resistance measures less than 1 k ohms, go to Step 13.

STEP 13. Check A/C-ECU connector C-15 for loose, corroded or damaged terminals, or terminals pushed back in the connector.







CAUTION: The strand end of the twisted wire should be within 10 cm (4 inches) from the connector.

Q: Is A/C-ECU connector C-15 in good condition?

YES : Go to Step 14.

NO : Repair the damaged parts.

STEP 14. Check the CAN_H line (communication line only) between joint connector (3) and A/C-ECU connector for short to ground. Measure the resistance at joint connector (3) C-02.

CAUTION:
- A digital multimeter should be used.
- The test wiring harness should be used.











1. Disconnect joint connector (3) C-02 and A/C-ECU connector C-15, and measure the resistance at the wiring harness side of joint connector (3) C-02.
2. Turn the ignition switch to the "LOCK" (OFF) position.

CAUTION: Disconnect the negative battery terminal.

3. Disconnect the negative battery terminal.







4. Measure the resistance between joint connector (3) terminal 6 and body ground.

OK: 1 k ohms or more

CAUTION: Strictly observe the specified wiring harness repair procedure.

Q: Does the resistance measure 1 k ohms or more?

YES : If the resistance measures 1 k ohms or more, diagnose CAN bus lines thoroughly by referring to Diagnostic Item 16.

NO : If the resistance measures less than 1 k ohms, repair the wiring harness between joint connector (3) and the A/C-ECU connector.

STEP 15. Check the CAN_H line (communication line including the SRS-ECU) between joint connector (3) and the SRS-ECU connector for short to ground. Measure the resistance at joint connector (3) C-02.

CAUTION:
- A digital multimeter should be used.
- The test wiring harness should be used.








1. Disconnect joint connector (3) C-02, and measure the resistance at the wiring harness side of joint connector (3) C-02.
2. Turn the ignition switch to the "LOCK" (OFF) position.

CAUTION: Disconnect the negative battery terminal.

3. Disconnect the negative battery terminal.







4. Measure the resistance between joint connector (3) terminal 3 and body ground.

OK: 1 k ohms or more

Q: Does the resistance measure 1 k ohms or more?

YES : If the resistance measures 1 k ohms or more, go to Step 18.

NO : If the resistance measures less than 1 k ohms, go to Step 16.

STEP 16. Check SRS-ECU connector C-121 for loose, corroded or damaged terminals, or terminals pushed back in the connector.







CAUTION: The strand end of the twisted wire should be within 10 cm (4 inches) from the connector.

Q: Is SRS-ECU connector C-121 in good condition?

YES : Go to Step 17.

NO : Repair the damaged parts.

STEP 17. Check the CAN_ H line (communication line only) between joint connector (3) and SRS-ECU connector for short to ground. Measure the resistance at joint connector (3) C-02.

CAUTION:
- A digital multimeter should be used.
- The test wiring harness should be used.











1. Disconnect joint connector (3) C-02 and SRS-ECU connector C-121, and measure the resistance at the male side of joint connector (3) C-02.
2. Turn the ignition switch to the "LOCK" (OFF) position.

CAUTION: Disconnect the negative battery terminal.

3. Disconnect the negative battery terminal.







4. Measure the resistance between intermediate connector terminal 3 and body ground.

OK: 1 k ohms or more

Q: Does the resistance measure 1 k ohms or more?

YES : If the resistance measures 1 k ohms or more, diagnose CAN bus lines thoroughly by referring to Diagnostic Item 14.

NO : If the resistance measures less than 1 k ohms, repair the wiring harness between joint connector (3) and the SRS-ECU connector.

STEP 18. Check the CAN_H line (communication line including the TPMS reciver) between joint connector (3) and the TPMS reciver connector for short to ground. Measure the resistance at joint connector (3) C-02.

CAUTION:
- A digital multimeter should be used.
- The test wiring harness should be used.








1. Disconnect joint connector (3) C-02, and measure the resistance at the wiring harness side of joint connector (3) C-02.
2. Turn the ignition switch to the "LOCK" (OFF) position.

CAUTION: Disconnect the negative battery terminal.

3. Disconnect the negative battery terminal.







4. Measure the resistance between joint connector (3) terminal 10 and body ground.

OK: 1 k ohms or more

Q: Does the resistance measure 1 k ohms or more?

YES : If the resistance measures 1 k ohms or more, go to Step 21.

NO : If the resistance measures less than 1 k ohms, go to Step 19.

STEP 19. Check TPMS reciver connector C-133 for loose, corroded or damaged terminals, or terminals pushed back in the connector.







CAUTION: The strand end of the twisted wire should be within 10 cm (4 inches) from the connector.

Q: Is TPMS reciver connector C-133 in good condition?

YES : Go to Step 20.

NO : Repair the damaged parts.

STEP 20. Check the CAN_ H line (communication line only) between joint connector (3) and TPMS reciver connector for short to ground. Measure the resistance at joint connector (3) C-02.

CAUTION:
- A digital multimeter should be used.
- The test wiring harness should be used.











1. Disconnect joint connector (3) C-02 and TPMS reciver connector C-133, and measure the resistance at the male side of joint connector (3) C-02.
2. Turn the ignition switch to the "LOCK" (OFF) position.

CAUTION: Disconnect the negative battery terminal.

3. Disconnect the negative battery terminal.







4. Measure the resistance between intermediate connector terminal 10 and body ground.

OK: 1 k ohms or more

Q: Does the resistance measure 1 k ohms or more?

YES : If the resistance measures 1 k ohms or more, diagnose CAN bus lines thoroughly by referring to Diagnostic Item 14.

NO : If the resistance measures less than 1 k ohms, repair the wiring harness between joint connector (3) and the TPMS reciver connector.