Operation CHARM: Car repair manuals for everyone.
Manuals through 2025 now available!

Our trusted friends have launched a new website named LEMON, which has newer manuals. It also contains all the CHARM manuals.

LEMON is the spiritual successor to CHARM, I recommend you try it!

Link: lemon-manuals.la or lemon-manuals.org.ua

(Some people have issue connecting. LEMON is investigating. For now, use Firefox or change your DNS server)

Or, hide this message: temporarily or permanently

Part 1

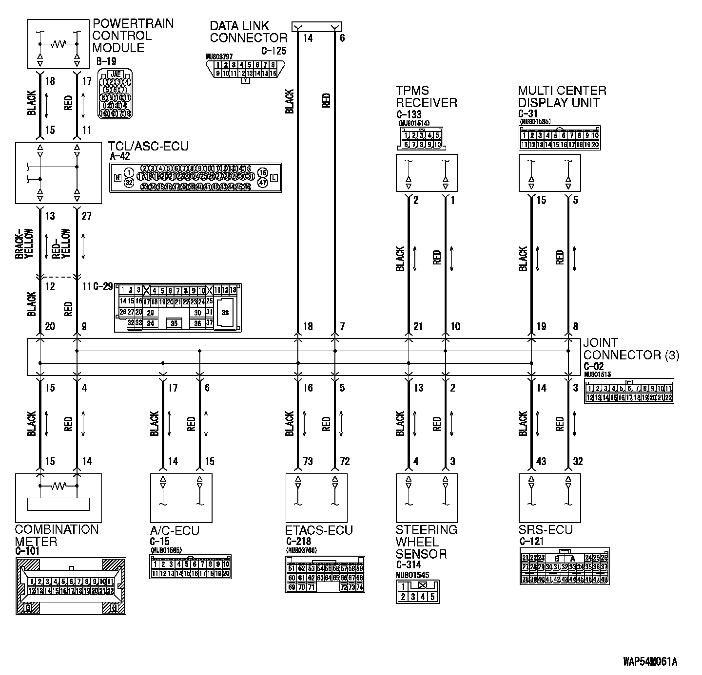
DIAGNOSTIC ITEM 6: Diagnose shorts between CAN_L and H lines [Vehicles with multi-center display (Mitsubishi Multi Communication System)]

CAUTION: When servicing a CAN bus line, ground yourself by touching a metal object such as an unpainted water pipe. If you fail to do so, a component connected to the CAN bus line may be damaged.










TROUBLE JUDGMENT
Short circuit may be present between the CAN_L and H lines when the resistance between the CAN bus lines (CAN_L and H lines) is less than 2 ohms.

COMMENTS ON TROUBLE SYMPTOM
The wiring harness wire or connectors may have loose, corroded, or damage terminals, or terminals pushed back in the connector, or a ECU may be defective.

TROUBLESHOOTING HINTS
- The wiring harness or connectors may have loose, corroded, or damaged terminals, or terminals pushed back in the connector
- The ETACS-ECU
- The combination meter may be defective
- The A/C-ECU may be defective
- The SRS-ECU may be defective
- The TPMS reciver may be defective
- The steering wheel sensor may be defective
- The multi-center display unit (Mitsubishi multi communication system) may be defective
- The TCL/ASC-ECU may be defective
- The powertrain control module may be defective

DIAGNOSIS

Required Special Tools:
- MB991223: Harness Set
- MB991970: ABS Check Harness
- MB991923: Power Plant ECU Check Harness

STEP 1. Check intermediate connector C-29 for loose, corroded or damaged terminals, or terminals pushed back in the connector.







CAUTION: The strand end of the twisted wire should be within 10 cm (4 inches) from the connector.

Q: Is intermediate connector C-29 in good condition?

YES : Go to Step 2.

NO : Repair the damaged parts.

STEP 2. Check the lines between the CAN_L and H lines (communication line including ECUs) of the front wiring harness for a short circuit. Measure the resistance at intermediate connector C-29.

CAUTION:
- A digital multimeter should be used.
- The test wiring harness should be used.








1. Disconnect intermediate connector C-29, and measure the resistance at the male side (at front wiring harness side).
2. Turn the ignition switch to the "LOCK" (OFF) position.

CAUTION: Disconnect the negative battery terminal.

3. Disconnect the negative battery terminal.







4. Measure the resistance between intermediate connector terminals 11 and 12.

OK: 120 ± 20 ohms

Q: Does the resistance measure 120 ± 20 ohms?

YES : If the resistance measures 120 ± 20 ohms, go to Step 3.

NO : If the resistance does not measure 120 ± 20 ohms, go to STEP 35.

STEP 3. Check joint connector (3) C-02 for loose, corroded or damaged terminals, or terminals pushed back in the connector.










CAUTION: The strand end of the twisted wire should be within 10 cm (4 inches) from the connector.

Check the joint connector at the wiring harness side for loose, corroded or damaged terminals, or terminals pushed back in the connector, and also check the short pin behind the connector for corrosion, deformation and delamination.

Q: Is joint connector (3) C-02 in good condition?

YES : Go to Step 4.

NO : Repair the damaged parts. Replace the joint connector as necessary.

STEP 4. Check the CAN_L and H lines (communication lines including the combination meter) between joint connector (3) and the combination meter for a short circuit. Measure the resistance at joint connector (3) C-02.

CAUTION:
- A digital multimeter should be used.
- The test wiring harness should be used.








1. Disconnect joint connector (3) C-02, and measure the resistance at the wiring harness side of joint connector (3) C-02.
2. Turn the ignition switch to the "LOCK" (OFF) position.

CAUTION: Disconnect the negative battery terminal.

3. Disconnect the negative battery terminal.







4. Measure the resistance between joint connector (3) terminals 4 and 15.

OK: 120 ± 20 ohms

Q: Does the resistance measure 120 ± 20 ohms?

YES : If the resistance measures 120 ± 20 ohms, go to Step 8.

NO : If the resistance does not measure 120 ± 20 ohms, go to Step 5.

STEP 5. Check combination meter connector C-101 for loose, corroded or damaged terminals, or terminals pushed back in the connector.







CAUTION: The strand end of the twisted wire should be within 10 cm (4 inches) from the connector.

Q: Is combination meter connector C-101 in good condition?

YES : Go to Step 6.

NO : Repair the damaged parts.

STEP 6. Check the CAN_L and H lines (communication lines only) between joint connector (3) and the combination meter for a short circuit. Measure the resistance at joint connector (3) C-02.

CAUTION:
- A digital multimeter should be used.
- The test wiring harness should be used.








1. Disconnect joint connector (3) C-02 and combination meter connector C-101, and measure the resistance at the wiring harness side of joint connector (3) C-02.
2. Turn the ignition switch to the "LOCK" (OFF) position.

CAUTION: Disconnect the negative battery terminal.

3. Disconnect the negative battery terminal.







4. Measure the resistance between joint connector (3) terminals 4 and 15.

OK: 1 k ohms or more

CAUTION: Strictly observe the specified wiring harness repair procedure.

Q: Does the resistance measure 1 k ohms or more?

YES : If the resistance measures 1 k ohms or more, go to Step 7.

NO : If the resistance measures less than 1 k ohms, repair the wiring harness between joint connector (3) and the combination meter connector.

STEP 7. Check the combination meter for short circuit. Measure the resistance at combination meter connector C-101.

CAUTION: A digital multimeter should be used.







1. Disconnect combination meter C-101, and measure the resistance at the component side of combination meter connector C-101.







2. Measure the resistance between combination meter connector terminals 14 and 15.

OK: 120 ± 20 ohms

Q: Does the resistance measure 120 ± 20 ohms?

YES : If the resistance measures 120 ± 20 ohms, diagnose CAN bus lines thoroughly by referring to Diagnostic Item 16.

NO : If the resistance does not measure 120 ± 20 ohms, replace the combination meter.

STEP 8. Check the CAN_L and H lines (communication lines including the ETACS-ECU) between joint connector (3) and the ETACS-ECU for a short circuit. Measure the resistance at joint connector (3) C-02.

CAUTION:
- A digital multimeter should be used.
- The test wiring harness should be used.








1. Disconnect joint connector (3) C-02, and measure the resistance at the wiring harness side of joint connector (3) C-02.
2. Turn the ignition switch to the "LOCK" (OFF) position.

CAUTION: Disconnect the negative battery terminal.

3. Disconnect the negative battery terminal.







4. Measure the resistance between joint connector (3) terminals 5 and 16.

OK: 1 k ohms or more

Q: Does the resistance measure 1 k ohms or more?

YES : If the resistance measures 1 k ohms or more, go to Step 12.

NO : If the resistance measures less than 1 k ohms, go to Step 9.

STEP 9. Check ETACS-ECU connector C-218 for loose, corroded or damaged terminals, or terminals pushed back in the connector.







CAUTION: The strand end of the twisted wire should be within 10 cm (4 inches) from the connector.

Q: Is ETACS-ECU connector C-218 in good condition?

YES : Go to Step 10.

NO : Repair the damaged parts.

STEP 10. Check the CAN_L and H lines (communication lines only) between joint connector (3) and the ETACS-ECU for short circuit. Measure the resistance at joint connector (3) C-02.

CAUTION:
- A digital multimeter should be used.
- The test wiring harness should be used.











1. Disconnect joint connector (3) C-02 and ETACS-ECU connector C-218, and measure the resistance at the wiring harness side of joint connector (3) C-02.
2. Turn the ignition switch to the "LOCK" (OFF) position.

CAUTION: Disconnect the negative battery terminal.

3. Disconnect the negative battery terminal.







4. Measure the resistance between joint connector (3) terminals 5 and 16.

OK: 1 k ohms or more

CAUTION: Strictly observe the specified wiring harness repair procedure.

Q: Does the resistance measure 1 k ohms or more?

YES : If the resistance measures 1 k ohms or more, go to Step 11.

NO : If the resistance measures less than 1 k ohms, repair the wiring harness between joint connector (3) and the ETACS-ECU connector.

STEP 11. Check the ETACS-ECU for short circuit. Measure the resistance at ETACS-ECU connector C-218.

CAUTION: A digital multimeter should be used.







1. Disconnect ETACS-ECU connector C-218, and measure the resistance at the component side of ETACS-ECU connector C-218.







2. Measure the resistance between ETACS-ECU connector terminals 72 and 73.

OK: 1 k ohms or more

Q: Does the resistance measure 1 k ohms or more?

YES : If the resistance measures 1 k ohms or more, diagnose CAN bus lines thoroughly by referring to Diagnostic Item 16.

NO : If the resistance measures less than 1 k ohms, replace the ETACS-ECU.

STEP 12. Check the CAN_L and H lines (communication lines including the A/C-ECU) between joint connector (3) and the A/C-ECU for a short circuit. Measure the resistance at joint connector (3) C-02.

CAUTION:
- A digital multimeter should be used.
- The test wiring harness should be used.








1. Disconnect joint connector (3) C-02, and measure the resistance at the wiring harness side of joint connector (3) C-02.
2. Turn the ignition switch to the "LOCK" (OFF) position.

CAUTION: Disconnect the negative battery terminal.

3. Disconnect the negative battery terminal.







4. Measure the resistance between joint connector (3) terminals 6 and 17.

OK: 1 k ohms or more

Q: Does the resistance measure 1 k ohms or more?

YES : If the resistance measures 1 k ohms or more, go to Step 16.

NO : If the resistance measures less than 1 k ohms, go to Step 13.

STEP 13. Check A/C-ECU connector C-15 for loose, corroded or damaged terminals, or terminals pushed back in the connector.







CAUTION: The strand end of the twisted wire should be within 10 cm (4 inches) from the connector.

Q: Is A/C-ECU connector C-15 in good condition?

YES : Go to Step 14.

NO : Repair the damaged parts.

STEP 14. Check the CAN_L and H lines (communication lines only) between joint connector (3) and the A/C-ECU for a short circuit. Measure the resistance at joint connector (3) C-02.

CAUTION:
- A digital multimeter should be used.
- The test wiring harness should be used.











1. Disconnect joint connector (3) C-02 and A/C-ECU connector C-15, and measure the resistance at the wiring harness side of joint connector (3) C-02.
2. Turn the ignition switch to the "LOCK" (OFF) position.

CAUTION: Disconnect the negative battery terminal.

3. Disconnect the negative battery terminal.







4. Measure the resistance between joint connector (3) terminals 6 and 17.

OK: 1 k ohms or more

CAUTION: Strictly observe the specified wiring harness repair procedure.

Q: Does the resistance measure 1 k ohms or more?

YES : If the resistance measures 1 k ohms or more, go to Step 15.

NO : If the resistance measures less than 1 k ohms, repair the wiring harness between joint connector (3) and the A/C-ECU connector.

STEP 15. Check the A/C-ECU for short circuit. Measure the resistance at A/C-ECU connector C-15.

CAUTION: A digital multimeter should be used.







1. Disconnect A/C-ECU connector C-15, and measure the resistance at the component side of A/C-ECU connector C-15.







2. Measure the resistance between A/C-ECU connector terminals 15 and 14.

OK: 1 k ohms or more

Q: Does the resistance measure 1 k ohms or more?

YES : If the resistance measures 1 k ohms or more, diagnose CAN bus lines thoroughly by referring to Diagnostic Item 16.

NO : If the resistance measures less than 1 k ohms, replace the A/C-ECU.

STEP 16. Check the CAN_L and H lines (communication lines including the SRS-ECU) between joint connector (3) and the SRS-ECU for a short circuit. Measure the resistance at joint connector (3) C-02.

CAUTION:
- A digital multimeter should be used.
- The test wiring harness should be used.








1. Disconnect joint connector (3) C-02, and measure the resistance at the wiring harness side of joint connector (3) C-02.
2. Turn the ignition switch to the "LOCK" (OFF) position.

CAUTION: Disconnect the negative battery terminal.

3. Disconnect the negative battery terminal.







4. Measure the resistance between joint connector (3) terminals 3 and 14.

OK: 1 k ohms or more

Q: Does the resistance measure 1 k ohms or more?

YES : If the resistance measures 1 k ohms or more, go to Step 20.

NO : If the resistance measures less than 1 k ohms, go to Step 17.

STEP 17. Check SRS-ECU connector C-121 for loose, corroded or damaged terminals, or terminals pushed back in the connector.







CAUTION: The strand end of the twisted wire should be within 10 cm (4 inches) from the connector.

Q: Is SRS-ECU connector C-121 in good condition?

YES : Go to Step 18.

NO : Repair the damaged parts.

STEP 18. Check the CAN_L and H lines (communication lines only) between joint connector (3) and the SRS-ECU for a short circuit. Measure the resistance at joint connector (3) C-02.

CAUTION:
- A digital multimeter should be used.
- The test wiring harness should be used.











1. Disconnect joint connector (3) C-02 and SRS-ECU connector C-121, and measure the resistance at the wiring harness side of joint connector (3) C-02.
2. Turn the ignition switch to the "LOCK" (OFF) position.

CAUTION: Disconnect the negative battery terminal.

3. Disconnect the negative battery terminal.







4. Measure the resistance between joint connector (3) terminals 3 and 14.

OK: 1 k ohms or more

CAUTION: Strictly observe the specified wiring harness repair procedure.

Q: Does the resistance measure 1 k ohms or more?

YES : If the resistance measures 1 k ohms or more, go to Step 19.

NO : If the resistance measures less than 1 k ohms, repair the wiring harness between joint connector (3) and the SRS-ECU connector.

STEP 19. Check the SRS-ECU for short circuit. Measure the resistance at SRS-ECU connector C-121.

CAUTION: A digital multimeter should be used.







1. Disconnect SRS-ECU connector C-121, and measure the resistance at the component side of SRS-ECU connector C-121.







2. Measure the resistance between SRS-ECU connector terminals 32 and 43.

OK: 1 k ohms or more

Q: Does the resistance measure 1 k ohms or more?

YES : If the resistance measures 1 k ohms or more, diagnose CAN bus lines thoroughly by referring to Diagnostic Item 14.

NO : If the resistance measures less than 1 k ohms, replace the SRS-ECU.

STEP 20. Check the CAN_L and H lines (communication lines including the TPMS reciver) between joint connector (3) and the TPMS reciver for a short circuit. Measure the resistance at joint connector (3) C-02.

CAUTION:
- A digital multimeter should be used.
- The test wiring harness should be used.








1. Disconnect joint connector (3) C-02, and measure the resistance at the wiring harness side of joint connector (3) C-02.
2. Turn the ignition switch to the "LOCK" (OFF) position.

CAUTION: Disconnect the negative battery terminal.

3. Disconnect the negative battery terminal.







4. Measure the resistance between joint connector (3) terminals 10 and 21.

OK: 1 k ohms or more

Q: Does the resistance measure 1 k ohms or more?

YES : If the resistance measures 1 k ohms or more, go to STEP 24.

NO : If the resistance measures less than 1 k ohms, go to Step 21.

STEP 21. Check TPMS reciver connector C-133 for loose, corroded or damaged terminals, or terminals pushed back in the connector.







CAUTION: The strand end of the twisted wire should be within 10 cm (4 inches) from the connector.

Q: Is TPMS reciver connector C-133 in good condition?

YES : Go to Step 22.

NO : Repair the damaged parts.