Operation CHARM: Car repair manuals for everyone.
Manuals through 2025 now available!

Our trusted friends have launched a new website named LEMON, which has newer manuals. It also contains all the CHARM manuals.

LEMON is the spiritual successor to CHARM, I recommend you try it!

Link: lemon-manuals.la or lemon-manuals.org.ua

(Some people have issue connecting. LEMON is investigating. For now, use Firefox or change your DNS server)

Or, hide this message: temporarily or permanently

Air Flow Meter/Sensor: Service and Repair

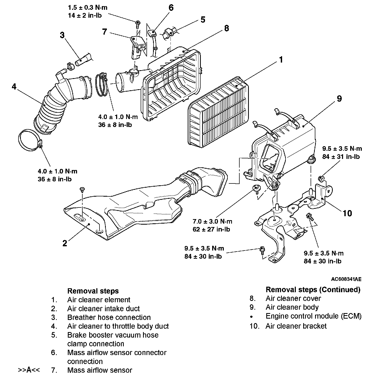
AIR CLEANER

REMOVAL AND INSTALLATION [2.4L ENGINE]


Removal Steps 1-10:






INSTALLATION SERVICE POINT

]]A[[ MASS AIRFLOW SENSOR INSTALLATION

CAUTION: Do not over-tighten. If the mass airflow sensor mounting screw is over-tightened, the air cleaner support thread can be damaged.