Operation CHARM: Car repair manuals for everyone.
Manuals through 2025 now available!

Our trusted friends have launched a new website named LEMON, which has newer manuals. It also contains all the CHARM manuals.

LEMON is the spiritual successor to CHARM, I recommend you try it!

Link: lemon-manuals.la or lemon-manuals.org.ua

(Some people have issue connecting. LEMON is investigating. For now, use Firefox or change your DNS server)

Or, hide this message: temporarily or permanently

Emission Control Systems: Service and Repair

VACUUM HOSES


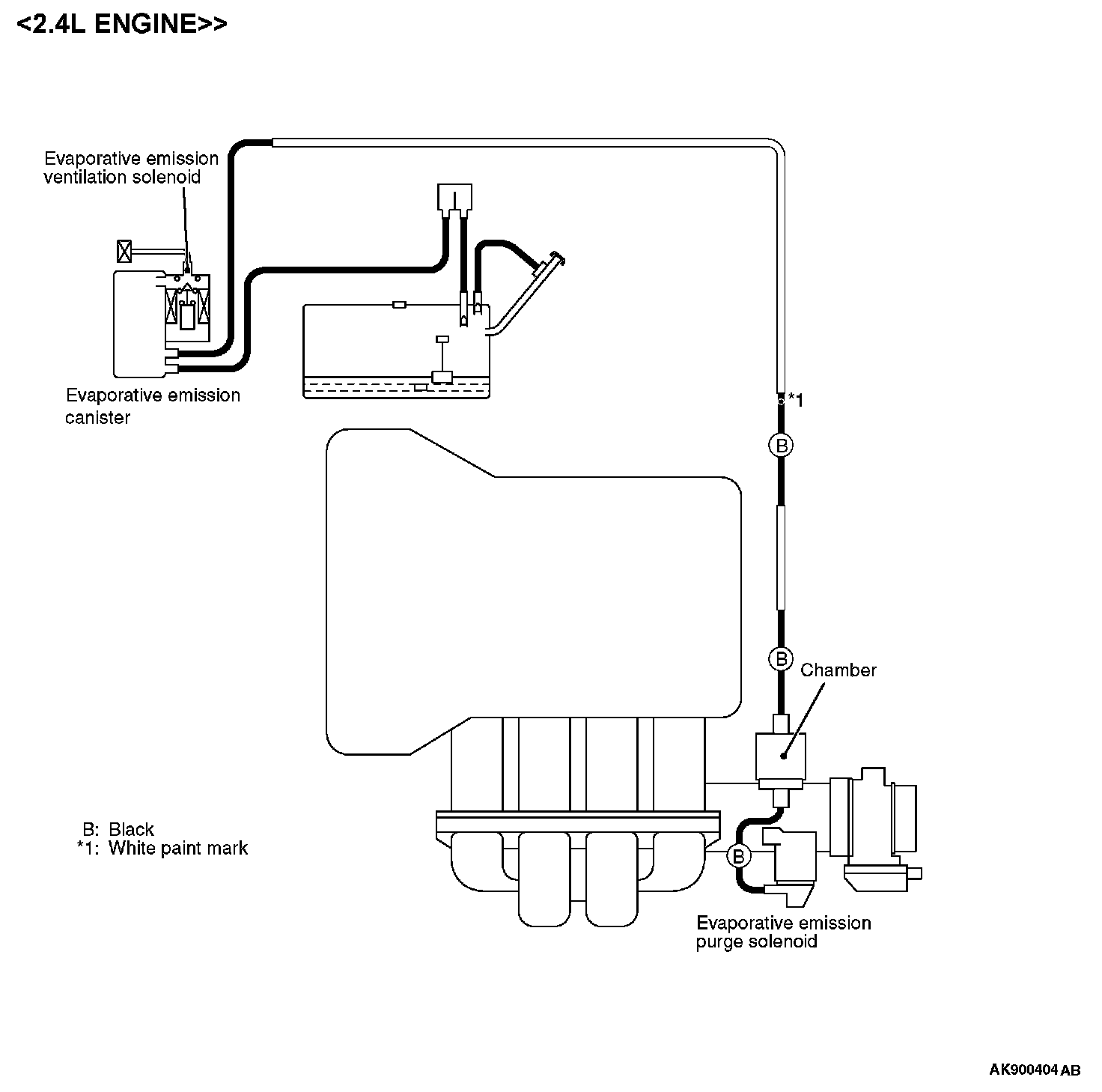
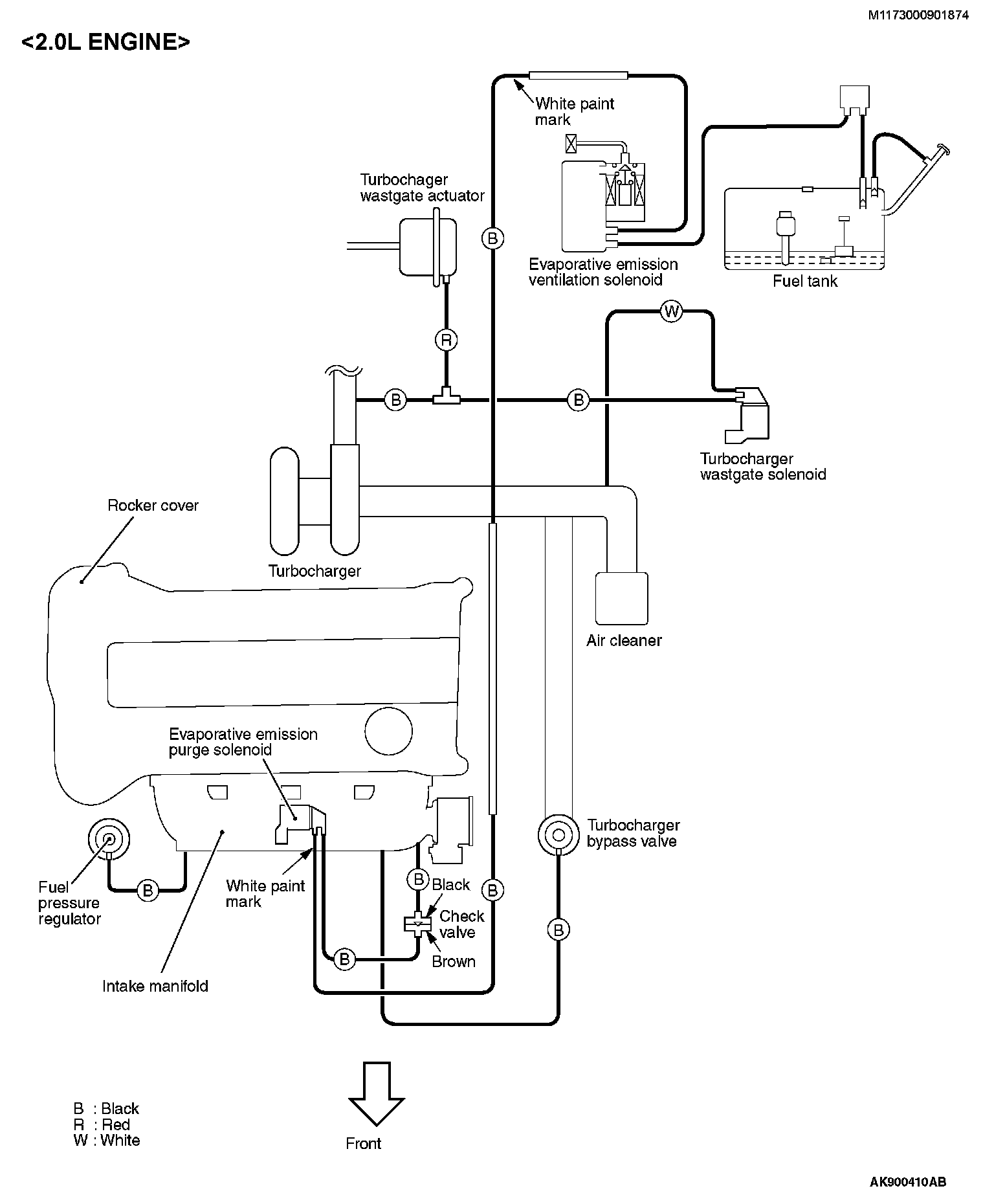
Vacuum Hose Routing:




Vacuum Hose Routing:






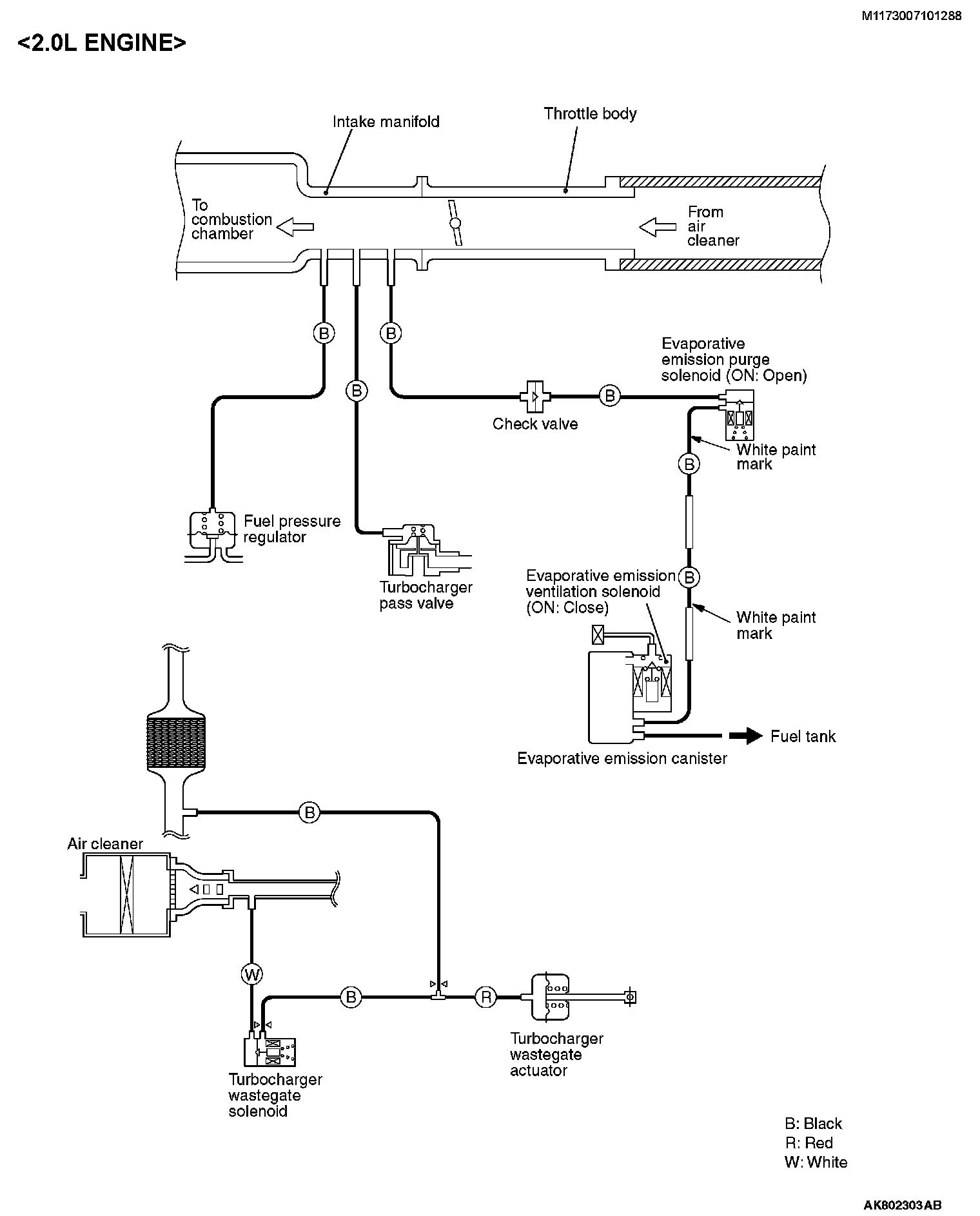
VACUUM CIRCUIT DIAGRAM


Vacuum Circuit Diagram:




Vacuum Circuit Diagram:






VACUUM HOSE INSTALLATION

1. When connecting the vacuum hoses, they should be securely inserted onto the nipples.
2. Connect the hoses correctly, using the VACUUM HOSE ROUTING diagram as a guide.

VACUUM HOSE CHECK

1. Using the VACUUM HOSE ROUTING diagram as a guide, check that the vacuum hoses are correctly connected
2. Check the connection condition of the vacuum hoses which can be removed, loosened, clogged possibly. And then check whether there are no folded and damaged vacuum hoses.