Operation CHARM: Car repair manuals for everyone.
Manuals through 2025 now available!

Our trusted friends have launched a new website named LEMON, which has newer manuals. It also contains all the CHARM manuals.

LEMON is the spiritual successor to CHARM, I recommend you try it!

Link: lemon-manuals.la or lemon-manuals.org.ua

(Some people have issue connecting. LEMON is investigating. For now, use Firefox or change your DNS server)

Or, hide this message: temporarily or permanently

Diagnostic Item 11

DIAGNOSTIC ITEM 11: Diagnose when the scan tool cannot receive the data sent by ASC-ECU [vehicles with ASC].

CAUTION: When servicing a CAN bus line, ground yourself by touching a metal object such as an unpainted water pipe. If you fail to do so, a component connected to the CAN bus line may be damaged.


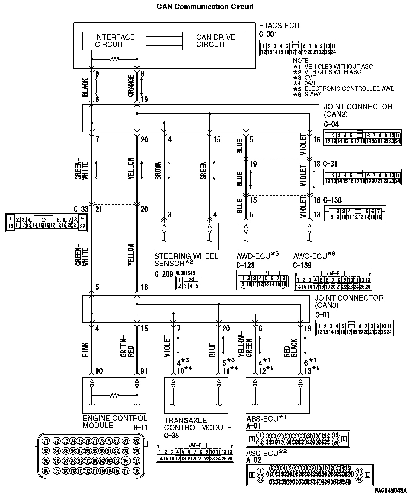
CAN Communication Circuit (Part 1):




CAN Communication Circuit (Part 2):






FUNCTION
If the scan tool MB991958 cannot communicate with the ASC-ECU, this diagnosis result will be set.

TROUBLE JUDGMENT CONDITIONS
If a communication flag is not set for the ASC-ECU, the ETACS-ECU determines that there is a failure.

TROUBLESHOOTING HINTS
- Malfunction of the connector [joint connector (CAN3) or ASC-ECU connector improperly connected]
- Malfunction of the wiring harness [open circuit between the ASC-ECU and the joint connector (CAN3), power supply circuit to the ASC-ECU]
- Malfunction of the ASC-ECU

DIAGNOSIS

Required Special Tools:
- MB991223: Harness Set
- MB992006: Extra Fine Probe

STEP 1. Check joint connector (CAN3) C-01 and ASC-ECU connector A-02 for loose, corroded or damaged terminals, or terminals pushed back in the connector.

CAUTION: The strand end of the twisted wire should be within 10 cm (4 inches) from the connector.

Q: Are joint connector (CAN3) C-01 and ASC-ECU connector A-02 in good condition?

YES : Go to Step 2.

NO : Repair the damaged parts.

STEP 2. Check the wiring harness between joint connector (CAN3) C-01 and ASC-ECU connector A-02 for open circuit.

CAUTION: Strictly observe the specified wiring harness repair procedure.

1. Disconnect joint connector (CAN3) C-01 and ASC-ECU connector A-02, and check the wiring harness.







2. Check the wiring harness between joint connector (CAN3) C-01 (terminal No.6) and ASC-ECU connector A-02 (terminal No.12)

OK: Continuity exists (2 ohms or less)







3. Check the wiring harness between joint connector (CAN3) C-01 (terminal No.19) and ASC-ECU connector A-02 (terminal No.13)

OK: Continuity exists (2 ohms or less)

Q: Is the wiring harness between joint connector (CAN3) C-01 and ASC-ECU connector A-02 in good condition?

YES : Check the power supply circuit of the ASC-ECU. Refer to Troubleshooting. Symptom Chart

NO : Repair the wiring harness between joint connector (CAN3) C-01 and ASC-ECU connector A-02.